Curiosii for ever!: Car repair manuals for everyone.

A/T Clutch Pressure Control Solenoid Valve A Test

A/T Clutch Pressure Control Solenoid Valve A Test

1. Connect the HDS to the DLC (A).





2. Select CLUTCH PRESSURE CONTROL (Linear) SOLENOID A in the MISCELLANEOUS TEST MENU on the HDS.

NOTE: If the HDS does not communicate with the PCM, troubleshoot the DLC circuit.

3. Test A/T clutch pressure control solenoid valve A with the HDS.

^ If the valve tests OK, the test is complete. Disconnect the HDS.
^ If the valve does not test OK, follow the instructions on the HDS.
^ If the valve does not test OK, and the HDS does not determine the cause, go to step 4.

4. Make sure you have the anti-theft codes for the audio system and the navigation system.
5. Remove the battery trim and left upper fender cover.
6. Disconnect the negative terminal from the battery, then disconnect the positive terminal.
7. Remove the battery hold-down bracket, and remove the battery and battery tray.
8. Remove the air cleaner.
9. Remove the battery base.
10. Disconnect the A/T clutch pressure control solenoid valve A connector.





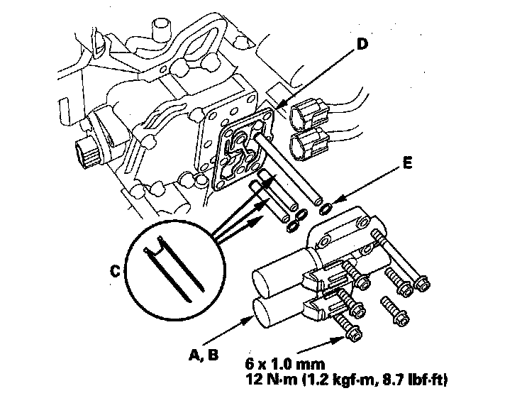
11. Measure A/T clutch pressure control solenoid valve A resistance at the connector terminals.

Standard: 3-10 Ohms

^ If the resistance is out of standard, replace A/T clutch pressure control solenoid valve A.
^ If the resistance is within the standard, go to step 12.

12. Connect the negative battery terminal to solenoid valve A connector terminal No. 2, and connect the positive battery terminal to the connector terminal No. 1.

^ If a clicking sound is heard, the valve is OK. Reconnect the connector, and install all removed parts.
^ If no clicking sound is heard, go to step 13.

13. Remove the nuts securing the shift cable bracket (A).





14. Remove the spring clip/washer (B) and the control pin (C), then separate the shift cable end (D) from the control lever (E). Check the bushing (F) in the shift cable end for a proper fit and wear. If the bushing is loose or worn, replace the shift cable.
15. Disconnect the connectors from A/T clutch pressure control solenoid valves A and B, solenoid harness, transmission range switch, ATF temperature sensor, output shaft (countershaft) speed sensor, input shaft (mainshaft) speed sensor, 3rd clutch transmission fluid pressure switch, and 4th clutch transmission fluid pressure switch.
16. Remove the bolt securing the harness cover (A).





17. Remove A/T clutch pressure control solenoid valves A and B, ATF pipes (C), gasket (D), and O-rings (E).





18. Check the fluid passage of the solenoid valve for contamination.
19. Connect the negative battery terminal to A/T clutch pressure control solenoid valve A connector terminal No. 2, and connect the positive battery terminal to connector terminal No. 1. Make sure A/T clutch pressure control solenoid valve A moves.





20. Disconnect one of the battery terminals, and check the valve movement at the fluid passage in the valve body mounting surface. If the valve binds or moves sluggishly, or if the solenoid valve does not operate, replace A/T clutch pressure control solenoid valves A and B.
21. Clean the mounting surfaces and the fluid passages of the solenoid valve body and the solenoid valve cover.
22. Install the new solenoid valve body gasket on the solenoid valve cover, and install the ATF pipes with the filter end in the transmission housing. Install new O-rings over the ATF pipes.
23. Install A/T clutch pressure control solenoid valves A and B.
24. Secure the harness cover with the bolt.
25. Check the connectors for rust, dirt, or oil, clean or repair if necessary, then connect the connectors securely.
26. Apply molybdenum grease to the hole in the bushing in the shift cable end. Attach the shift cable end to the control lever, then insert the control pin into the control lever hole through the shift cable end, and secure the control pin with the spring clip/washer.
27. Secure the shift cable bracket with the nuts.
28. Install the battery base.
29. Install the air cleaner.
30. Install the battery tray, battery, and battery hold-down bracket, then connect the battery terminals.
31. Install the left upper fender cover and battery trim.
32. Enter the anti-theft codes for the audio system and the navigation system.
33. Do the steering column memorization.