Curiosii for ever!: Car repair manuals for everyone.

Keyless/Power Door Locks/Security System Circuit Diagram

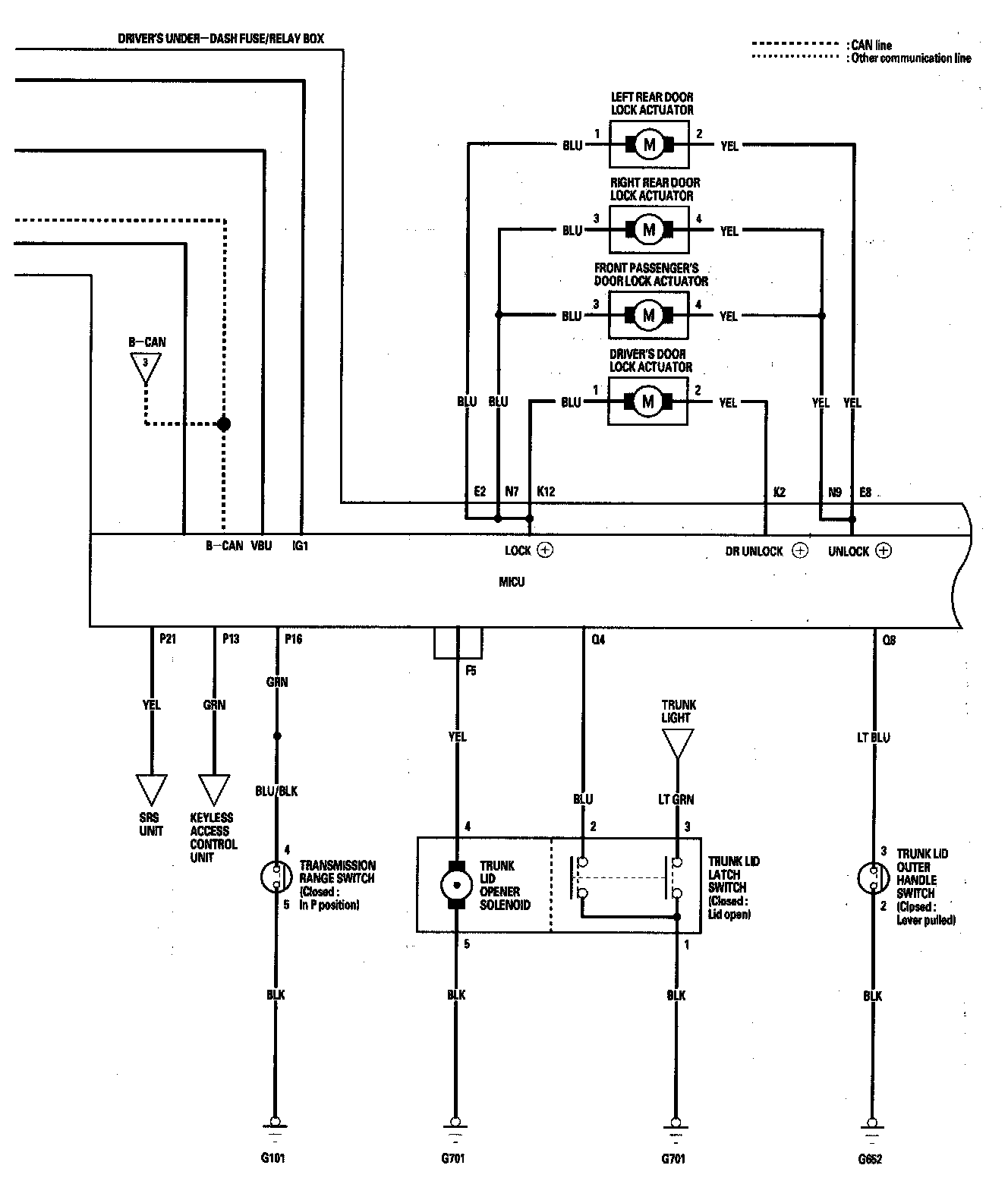
Keyless/Power Door Locks/Security System Circuit Diagram Part 1:



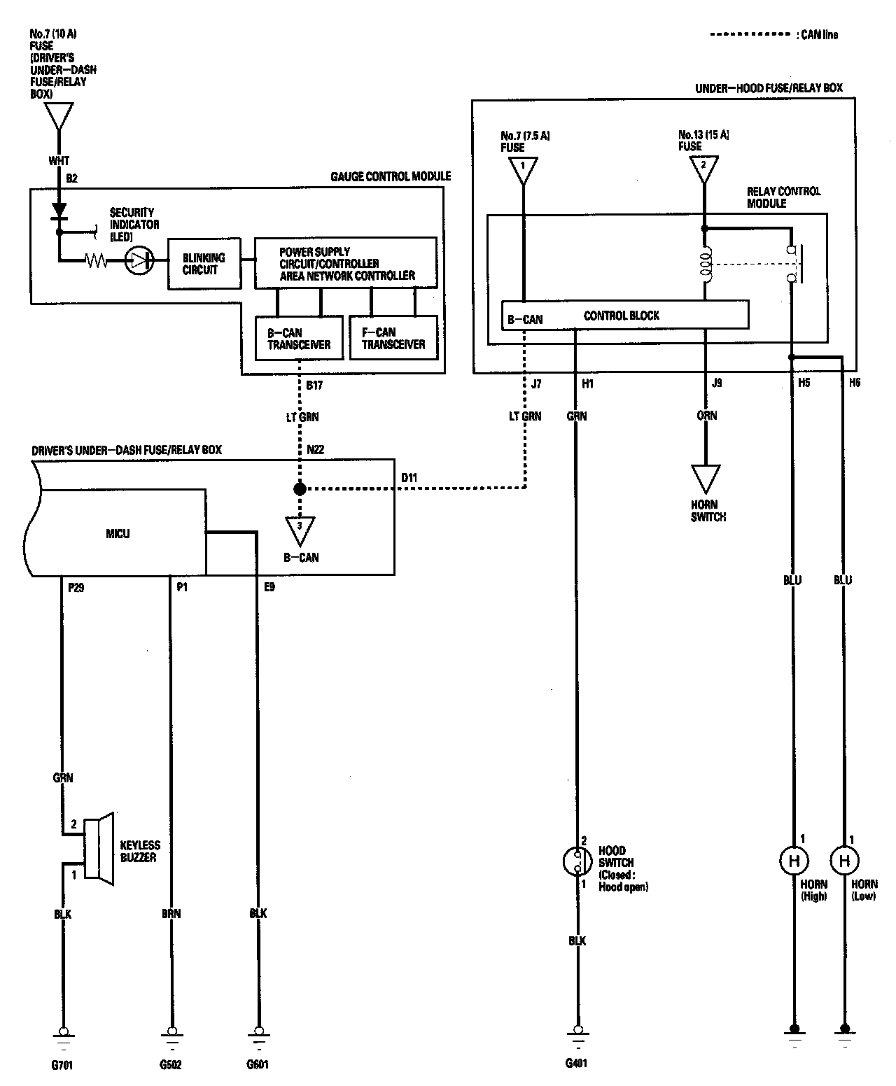
Keyless/Power Door Locks/Security System Circuit Diagram Part 2:



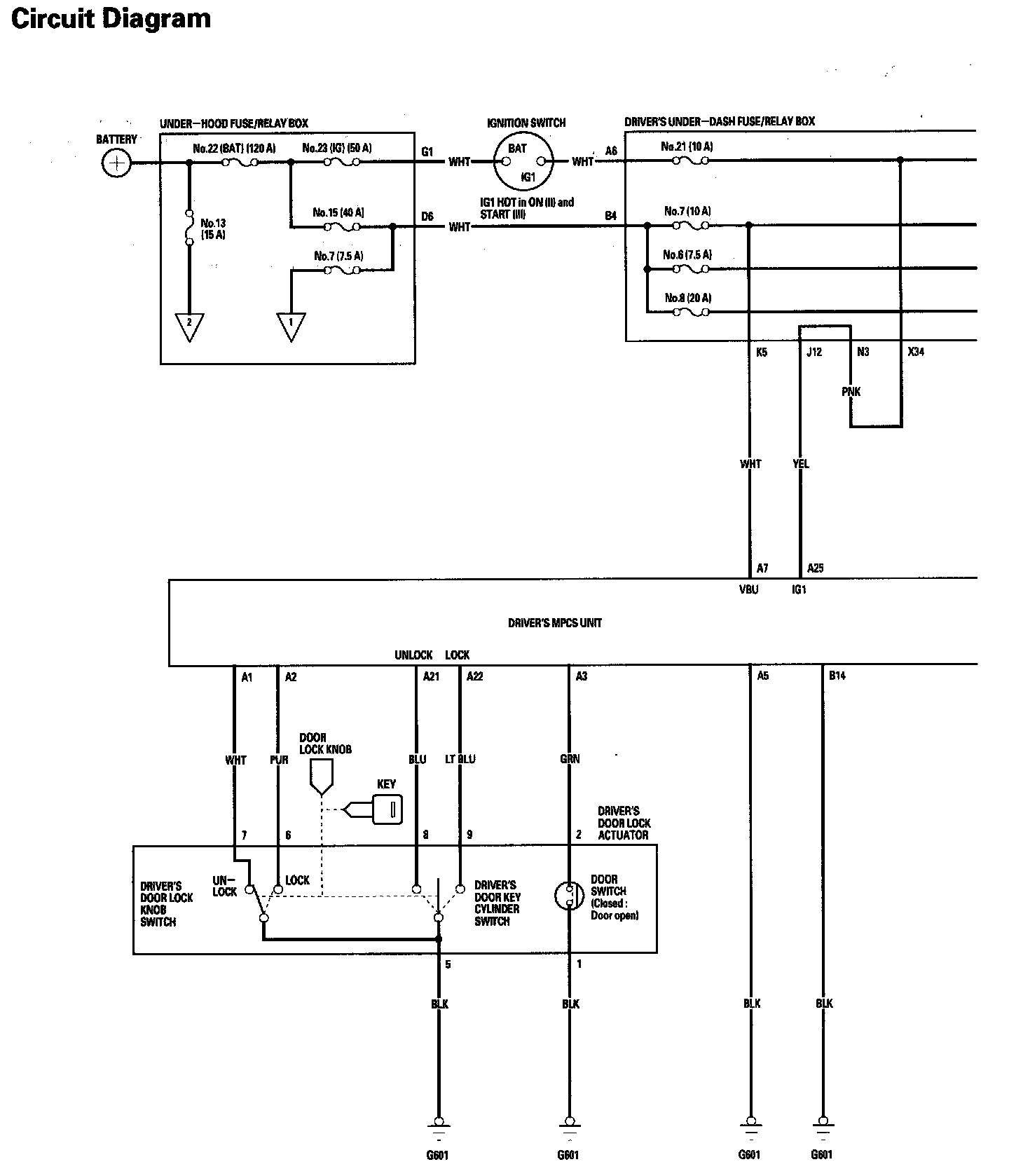
Keyless/Power Door Locks/Security System Circuit Diagram Part 3:



Keyless/Power Door Locks/Security System Circuit Diagram Part 4:



Keyless/Power Door Locks/Security System Circuit Diagram Part 5: