Curiosii for ever!
: Car repair manuals for everyone.
Home
>>
Acura
>>
2008
>>
RL V6-3.5L
>>
Repair and Diagnosis
>>
Accessories and Optional Equipment
>>
Accessory Control Display
>>
Service and Repair
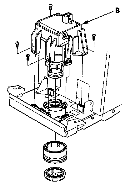
Accessory Control Display: Service and Repair
Interface Dial Removal/Installation
1.
Remove the audio unit.
2.
Remove the harness cover (A).
3.
Remove the interface dial (B).
4.
Install the dial in reverse order of removal.