Curiosii for ever!: Car repair manuals for everyone.

A/T Clutch Pressure Control Solenoid Valve B Test

A/T Clutch Pressure Control Solenoid Valve B Test





1. Connect the HDS to the DLC (A).
2. Select Clutch Pressure Control (Linear) Solenoid B in Miscellaneous Test Menu on the HDS.
3. Test the A/T clutch pressure control solenoid valve B with the HDS.
4. Follow the instructions indicated on the HDS by the test result. If the HDS has not determined the cause of the failure, remove A/T clutch pressure control solenoid valve B and C, and test the solenoid valve B.





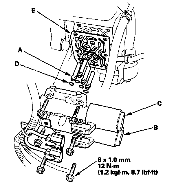
5. Disconnect the A/T clutch pressure control solenoid valve B connector.
6. Measure A/T clutch pressure control solenoid valve B resistance between the solenoid valve B terminals No. 1 and No. 2.
Standard: 3 - 10 ohms
7. If the resistance of A/T clutch pressure control solenoid valve B is out of standard, replace the A/T clutch pressure control solenoid valve B and C.
8. Connect the battery positive terminal to the A/T clutch pressure control solenoid valve B connector terminal No. 1, and connect the battery negative terminal to the No. 2 terminal. A clicking sound should be heard.
9. If no sound is heard, remove the A/T clutch pressure control solenoid valve B and C, and test the solenoid valve B.





10. Disconnect A/T clutch pressure control solenoid valve C connector, and remove the A/T clutch pressure control solenoid valve B and C.
11. Remove the ATF joint pipes (A), O-rings (D), and gasket (E).
12. Check the fluid passage of the A/T clutch pressure control solenoid valve for dust or dirt, and clean the passage.





13. Connect the battery positive terminal to the A/T clutch pressure control solenoid valve B connector terminal No. 1, and connect the battery negative terminal to the No. 2 terminal. Make sure the A/T clutch pressure control solenoid valve B moves.
14. Disconnect one of the battery terminals, and check valve movement.

NOTE: You can see valve movement through the fluid passage in the mounting surface of the A/T clutch pressure control solenoid valve B and C body.

15. If either valve binds or moves sluggishly, or if the solenoid valve B does not operate, replace the A/T clutch pressure control solenoid valve B and C.
16. Install the new gasket on the transmission housing, and install the ATF joint pipes.
17. Install the new O-rings over the ATF joint pipes.
18. Install the A/T clutch pressure control solenoid valve B and C.
19. Check the A/T clutch pressure control solenoid valve B and C connector for rust, dirt, or oil, then connect the connectors securely.