Curiosii for ever!
: Car repair manuals for everyone.
Home
>>
Acura
>>
2006
>>
TSX L4-2.4L
>>
Repair and Diagnosis
>>
Engine, Cooling and Exhaust
>>
Engine
>>
Cylinder Block Assembly
>>
Locations
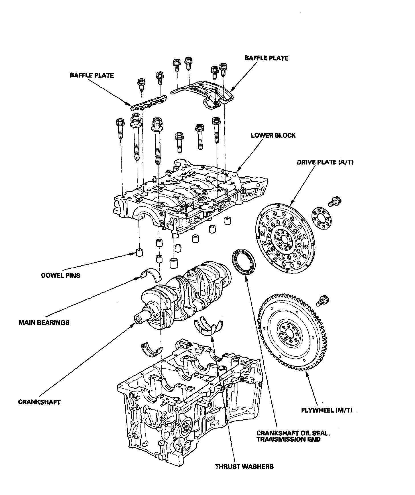
Cylinder Block Assembly: Locations