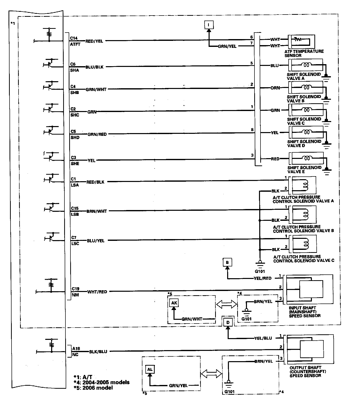
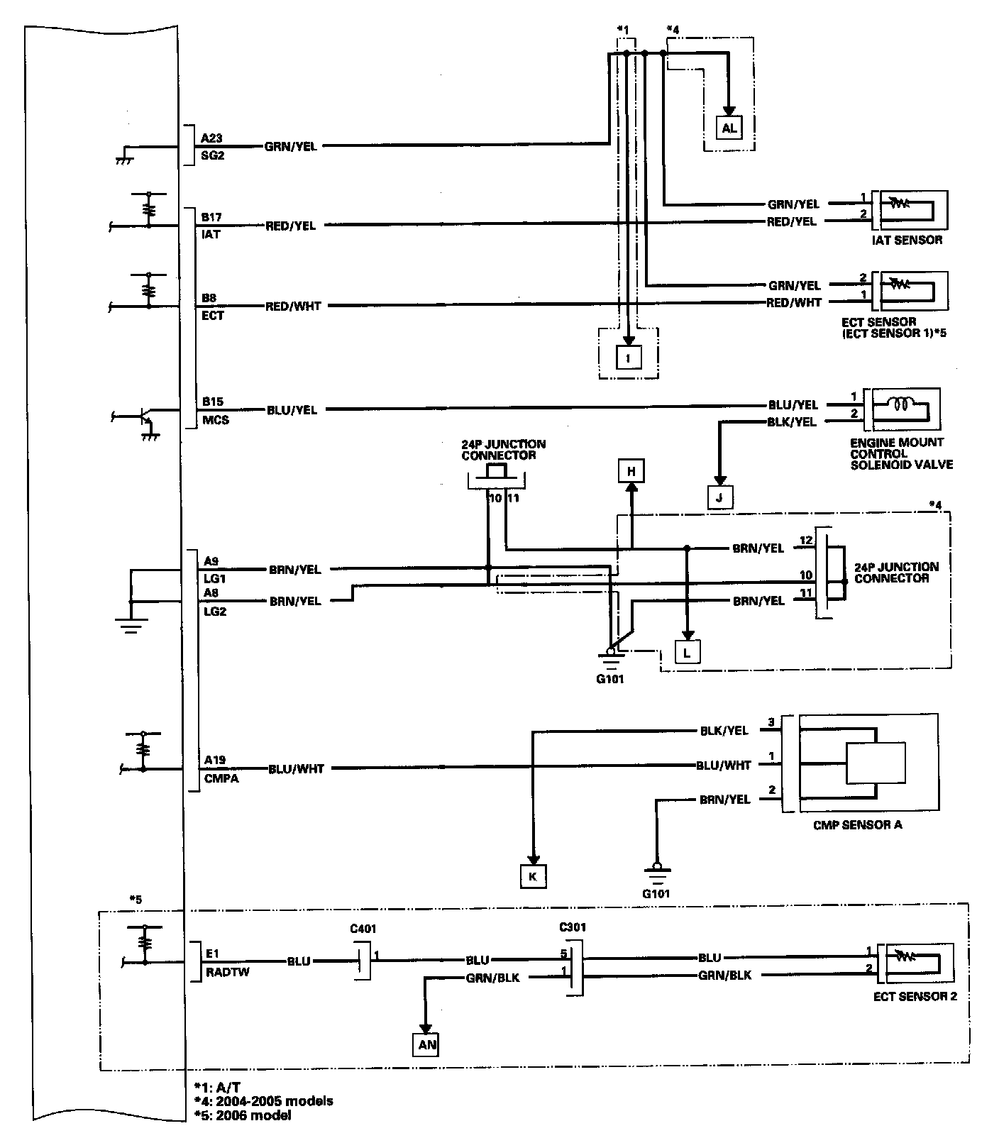
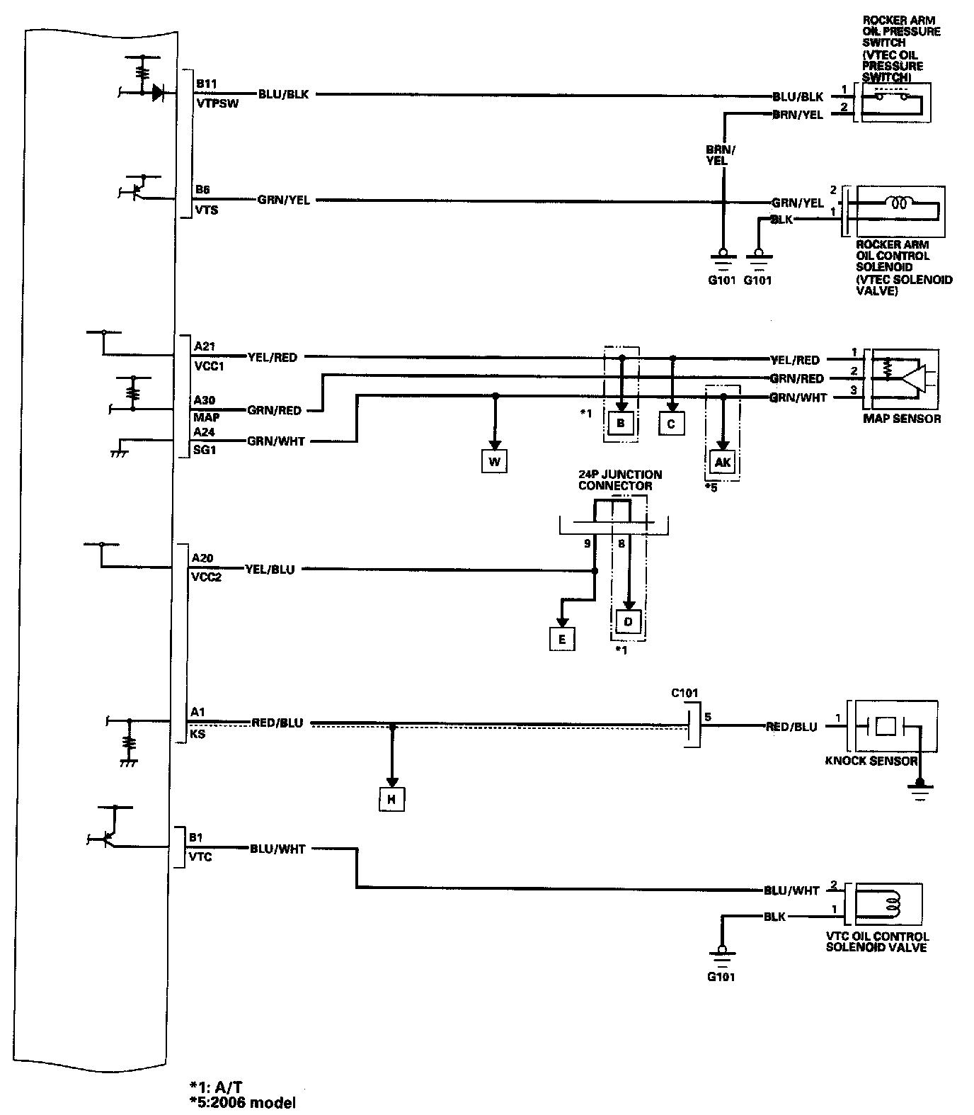
ECM/PCM Circuit Diagrams
ECM/PCM Circuit Diagram Part 1:
ECM/PCM Circuit Diagram Part 2:
ECM/PCM Circuit Diagram Part 3:
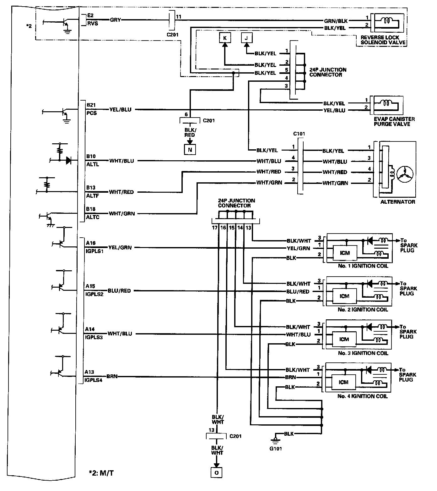
ECM/PCM Circuit Diagram Part 4:
ECM/PCM Circuit Diagram Part 5:
ECM/PCM Circuit Diagram Part 6:
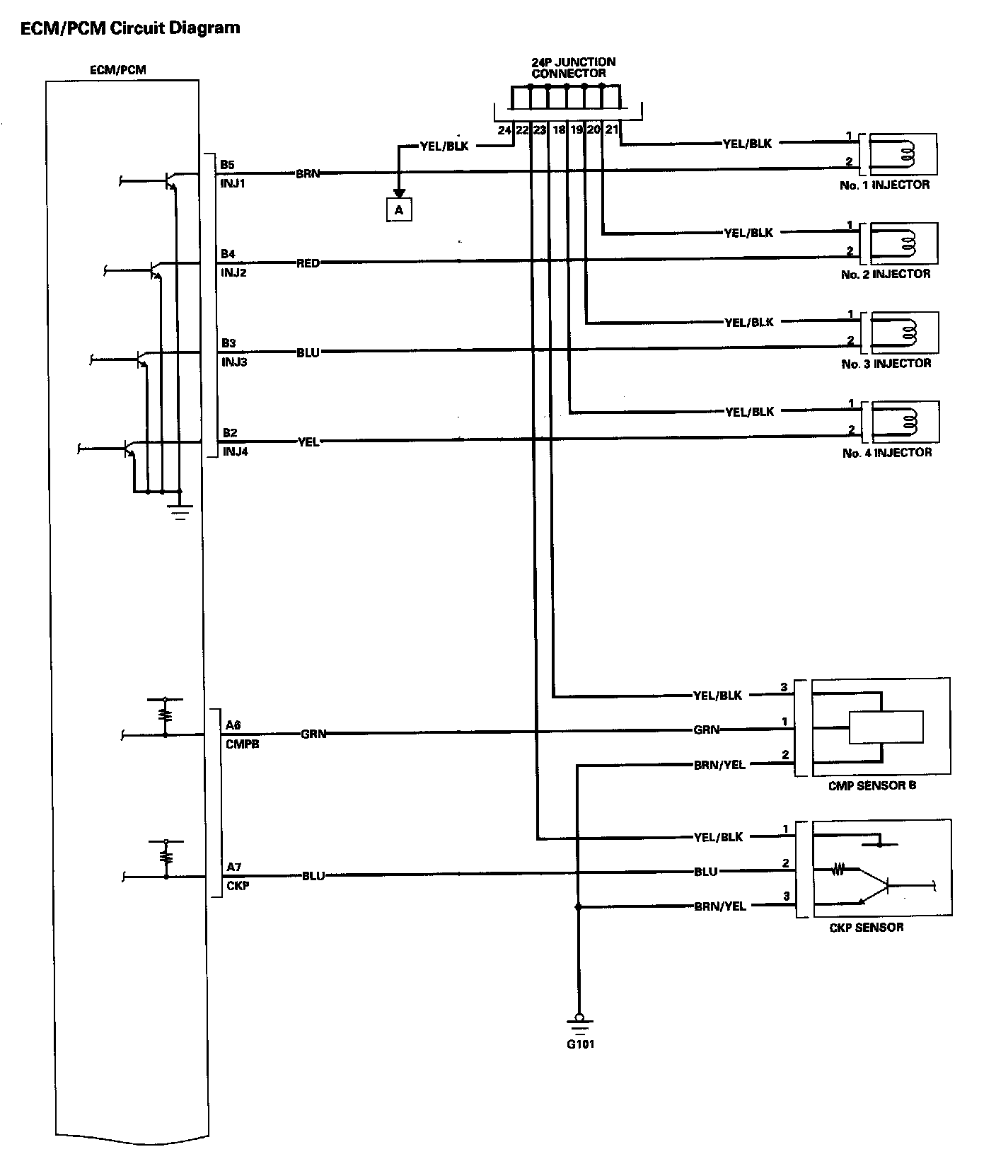
ECM/PCM Circuit Diagram Part 7:
ECM/PCM Circuit Diagram Part 8:
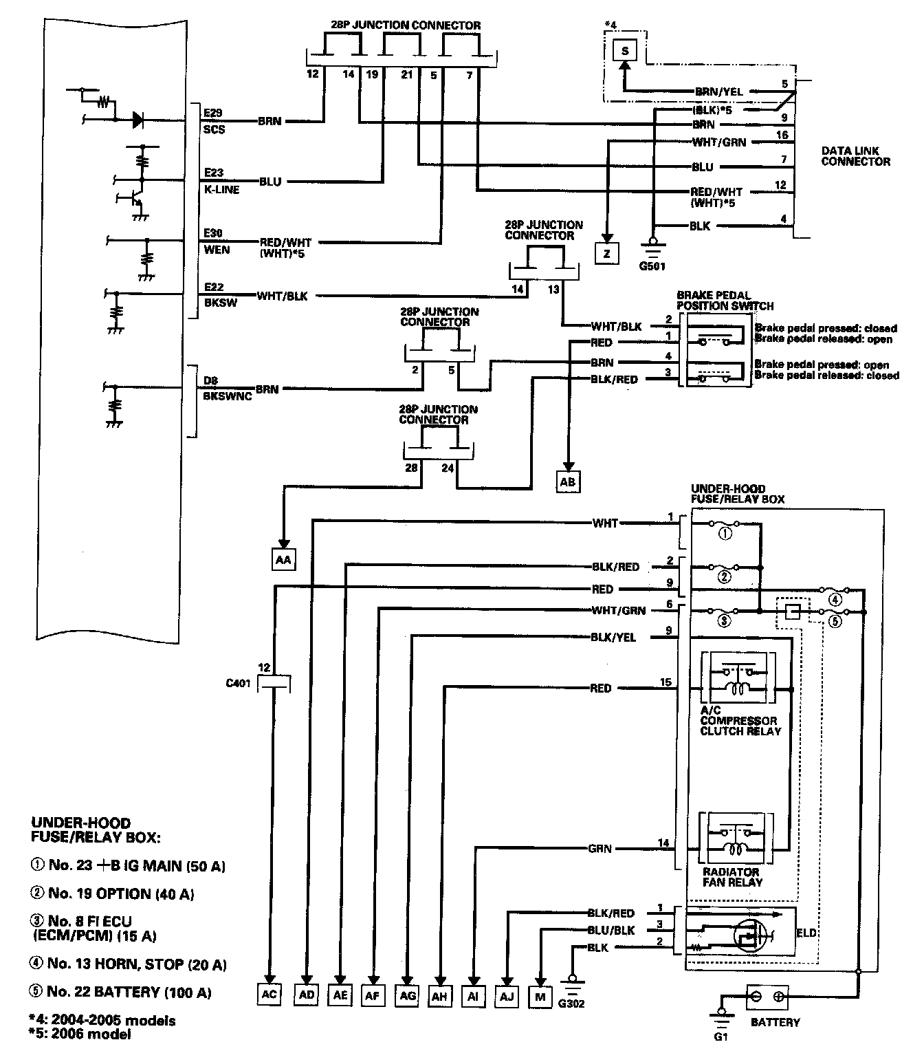
ECM/PCM Circuit Diagram Part 9:
ECM/PCM Circuit Diagram Part 10:
ECM/PCM Circuit Diagram Part 11: