Curiosii for ever!: Car repair manuals for everyone.

Engine Removal

Engine Removal

Special Tools Required
^ Front subframe adapter VSB02C000016
^ Engine support hanger, A and Reds AAR-T-12566
^ Engine hanger balance bar VSB02C000019
These special tools are available through Acura Tool and Equipment Program, 1-888-424-6857

NOTE:
^ Use fender covers to avoid damaging painted surfaces.
^ To avoid damaging the wires and terminals, unplug the wiring connectors carefully while holding the connector portion.
^ Mark all wiring and hoses to avoid misconnection. Also, be sure that they do not contact other wiring or hoses, or interfere with other parts.

1. Make sure you have the anti-theft codes for the radio and navigation system, then write down the audio presets. Make sure the ignition switch is OFF.





2. Disconnect the support struts from both sides of the pivot ball (bolted to the hood). Secure the hood (A) in a vertical position. Remove the right side pivot ball and install it into the lower threaded hole (B), then reattach the support strut.

NOTE: Do not attempt to close the hood with the support strut in the vertical position, as it will damage the support strut and hood.





3. Remove the left side engine compartment cover (A) and the left rear engine compartment cover (B).





4. Remove the right side engine compartment cover (A), then remove the right rear engine compartment cover (B).





5. Remove the intake manifold cover.
6. Drain the power steering system fluid, then plug the fluid reservoir and return hose.
7. Relieve fuel pressure.
8. Disconnect the negative cable from the battery first, then disconnect the positive cable.
9. Remove the battery.
10. Remove the air cleaner housing.
11. Remove the resonator.





12. Remove the harness clamp (A).
13. Remove the four bolts, then remove the battery base (B).





14. Remove the battery cables (A) from the under-hood fuse/relay box, then disconnect the harness connector (B).
15. Remove the under-hood fuse/relay box (C) from the body.





16. Remove the harness clamp (A), and remove the two 6 mm bolts (B), then remove the strut brace (C).





17. Remove the brake booster vacuum hose (A) and evaporative emission (EVAP) canister hose (B).





18. Remove the quick-connect fitting cover (A), then disconnect the fuel feed hose.





19. Remove the harness clamp (A), and disconnect the engine wire harness connectors (B) on the left side of the engine compartment.
20. M/T model: Remove the three bolts securing the shift cable holder, then remove the shift cable and select cable. Do not bend the cables excessively.
21. M/T model: Remove the clutch slave cylinder and clutch line bracket mounting bolt. Do not operate the clutch pedal once the slave cylinder has been removed.
22. Remove the drive belt.





23. Remove the power steering (P/S) pump outlet line (A) from the P/S pump, then plug the outlet line and the P/S pump.
24. Remove the P/S hose (B) from the clamp (C).





25. Remove the P/S fluid reservoir from the clamp.





26. Remove the steering joint cover (A).
27. Lock the steering wheel. Make a reference mark (B) across the steering joint and steering gearbox pinion shaft. Remove the steering joint bolt (C), and disconnect the steering joint from the steering gearbox pinion shaft (D). To prevent damage to the cable reel, do not turn the steering wheel once the steering joint has been removed.





28. Disconnect the A/C condenser fan motor connector (A) and A/C compressor clutch connector (B), and remove the coolant reservoir (C). Wipe up any spilled engine coolant immediately.
29. Remove the two bolts (D), loosen the bottom bolt (E), then remove the A/C condenser fan shroud assembly.





30. Remove the four bolts securing the A/C compressor.
31. Remove the radiator cap.
32. Raise the vehicle on the hoist to full height.
33. Remove the front wheels.





34. Remove the engine under cover.





35. Remove the splash shield.
36. Loosen the drain plug in the radiator, and drain the engine coolant.
37. Drain the transmission fluid.
38. Drain the engine oil.
39. Disconnect the stabilizer links.
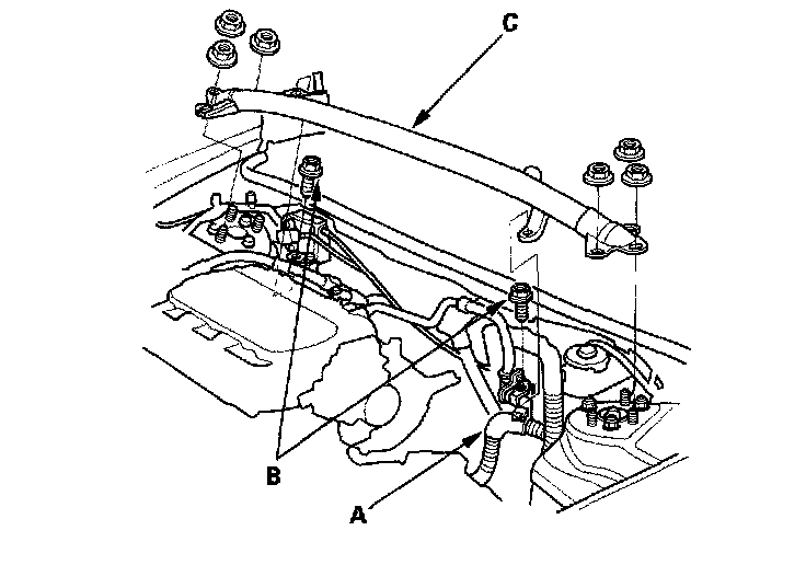
40. Remove the damper fork.
41. Separate the tie-rod end ball joints from the knuckles.
42. Separate the knuckles from the lower arms.
43. Remove the driveshafts. Coat all precision-finished surfaces with clean engine oil. Tie plastic bags over the driveshaft ends.
44. A/T model: Remove the shift cable. Do not bend the shift cable excessively.





45. Remove exhaust pipe A.





46. Remove the P/S hose (A), then plug the line and the hose.





47. Disconnect the power steering pressure switch connector (A).





48. Remove the nuts securing the transmission lower front mount and transmission lower rear mount.
49. Lower the vehicle on the hoist.





50. Remove the upper radiator hose (A) and lower radiator hose (B).





51. Remove the heater hoses.





52. Remove the right fender trim, left fender trim, and front bulkhead cover. Then lift and support the engine with engine hanger (A) and engine balancer bar (B). Attach the front arm (C) to the front cylinder head with a spacer (D) and the connector bracket bolt (10 x 1.25 mm) (E). Attach the rear arm (F) to the rear cylinder head with the harness clamp bracket bolt (8 x 1.25 mm) (G).





53. Remove the front engine mount stop (A), then remove the front engine mount bolt (B).





54. M/T model: Remove the two bolts securing the rear engine damper.





55. Remove the rear engine mount stop (A), then remove the rear engine mount bolt (B).
56. Remove the vacuum hose (C).





57. M/T model: Remove the two bolts securing the shift cable bracket.





58. Make the appropriate reference lines (A) at both ends of the subframe (B) that line up with the edge (C) of the stiffeners (D).





59. Attach the special tool to the subframe by hanging the belt (A) over the front of the subframe (B), then secure the belt with its stop (C).
60. Raise the jack and line up the slots in the special tool arms with the bolt holes on the jack base, then securely attach them with four bolts.





61. Remove the subframe middle mount.





62. Remove the four 12 x 1.25 mm bolts (A) securing the subframe stiffeners (B), the four subframe mounting bolts (C), and the stiffeners, then lower the front subframe (D).
63. Lower the vehicle on the hoist.





64. Attach a chain hoist (A) to the engine hook (B) and the transmission hook (C), then life up the engine/transmission until it is securely supported by the chain hoist, and remove the engine support hanger and engine hanger adapters.





65. Remove the mounting bolts from the upper half of the side engine mount bracket.





66. Remove the ground cable (A).
67. Remove the transmission upper mount bracket (B), and remove the vacuum hose (C).
68. Check that the engine/transmission is completely free of vacuum hoses, fuel and coolant hoses, and electrical wiring.
69. Slowly lower the engine/transmission about 150 mm (6 inch). Check once again that all hoses and electrical wiring are disconnected and free from the engine/transmission, then lower it all the way and support it.
70. Disconnected the chain hoist from the engine/transmission assembly.
71. Raise the vehicle all the way, and remove the engine/transmission from under the vehicle.