Curiosii for ever!: Car repair manuals for everyone.

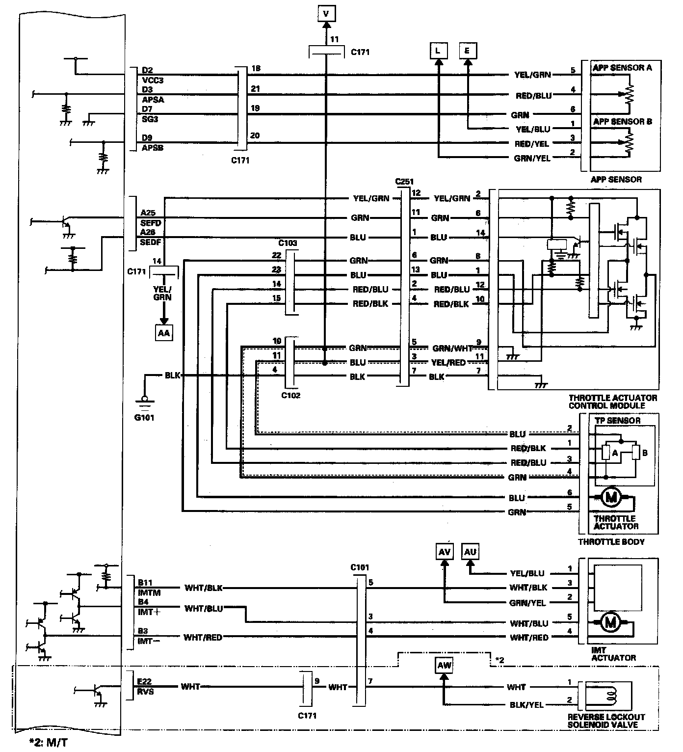
ECM/PCM Circuit Diagrams

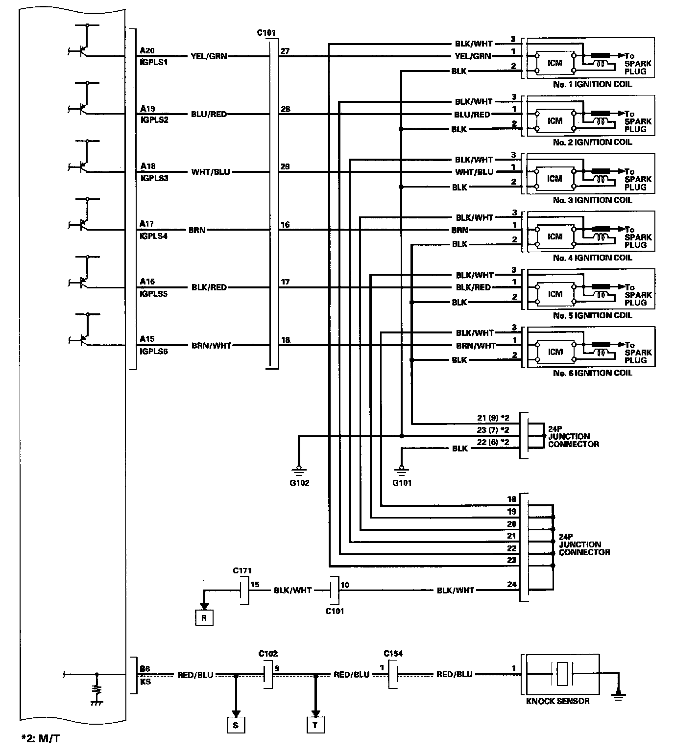
ECM/PCM Circuit Diagram 11-72:



ECM/PCM Circuit Diagram 11-73:



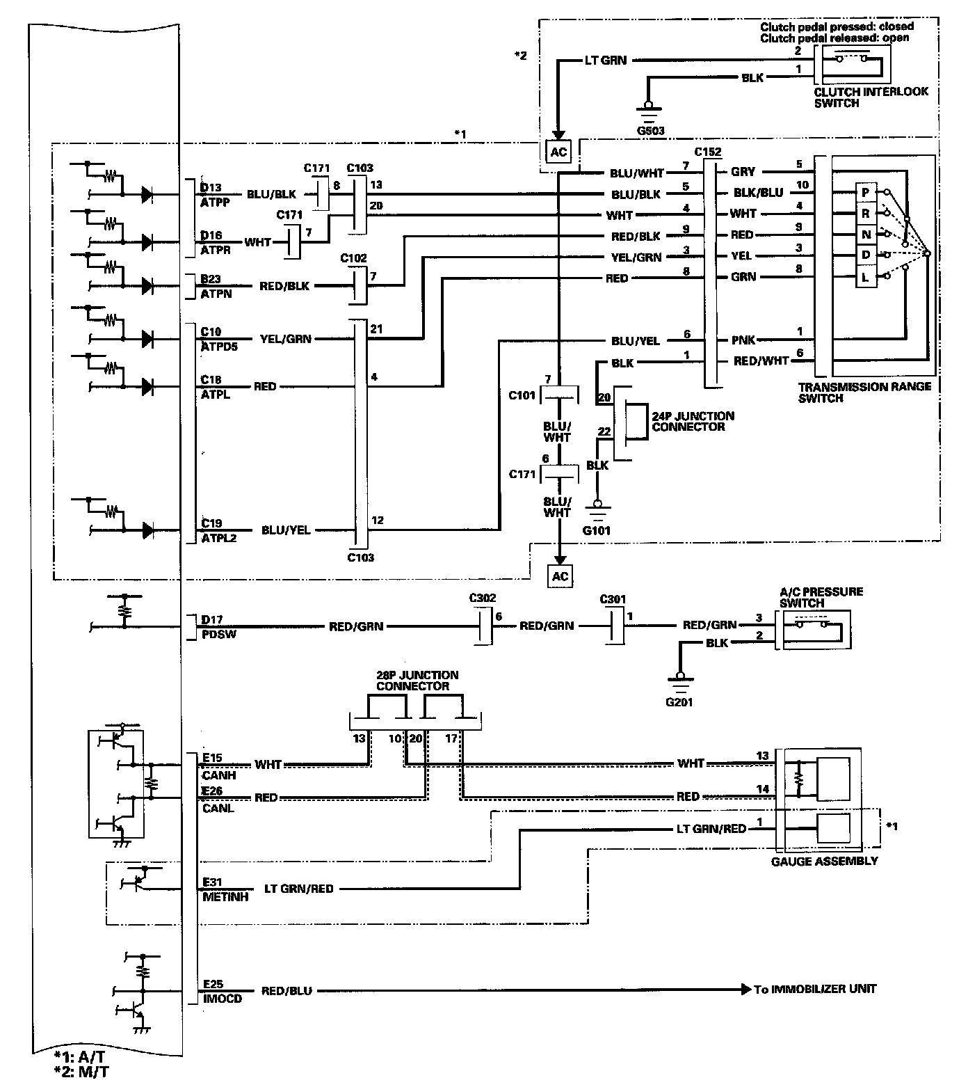
ECM/PCM Circuit Diagram 11-74:



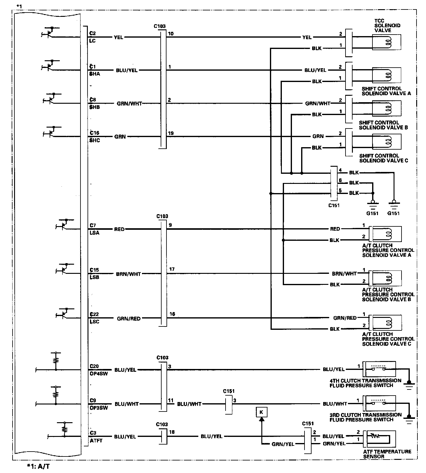
ECM/PCM Circuit Diagram 11-75:



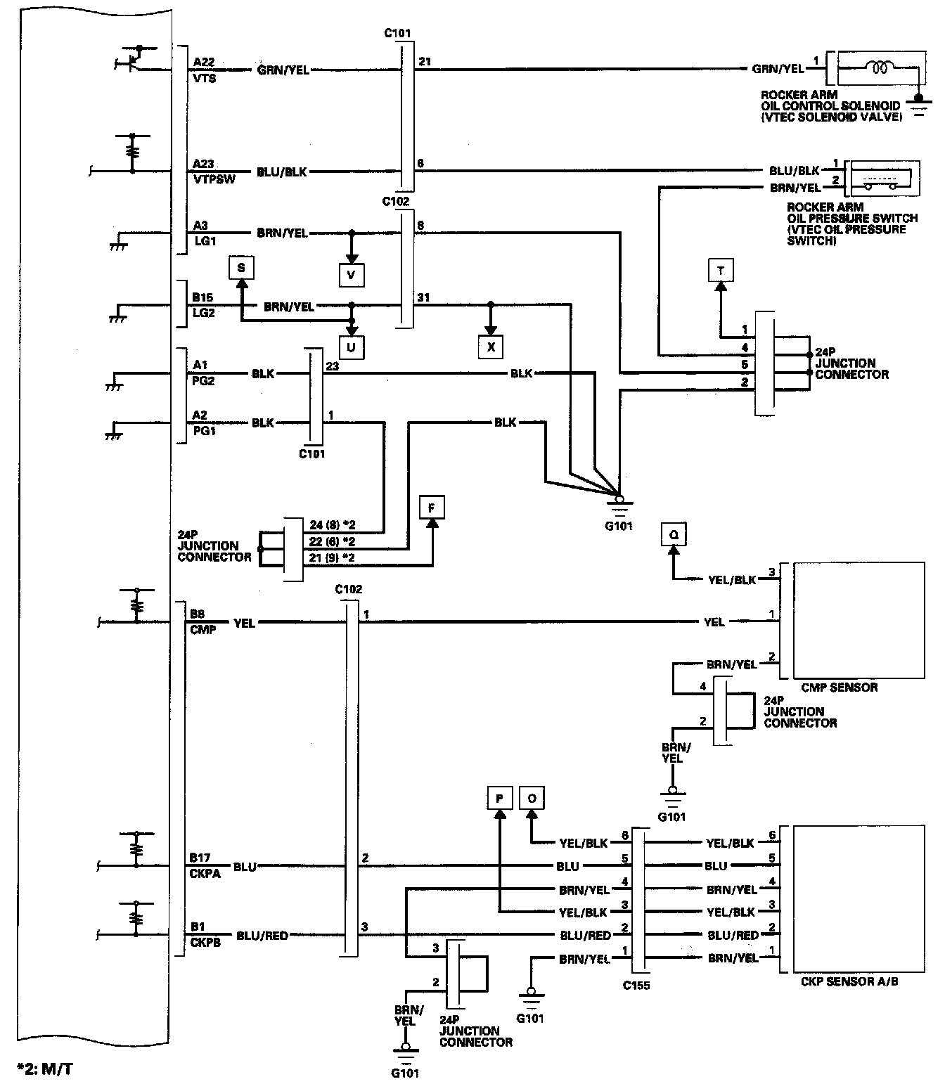
ECM/PCM Circuit Diagram 11-76:



ECM/PCM Circuit Diagram 11-77:



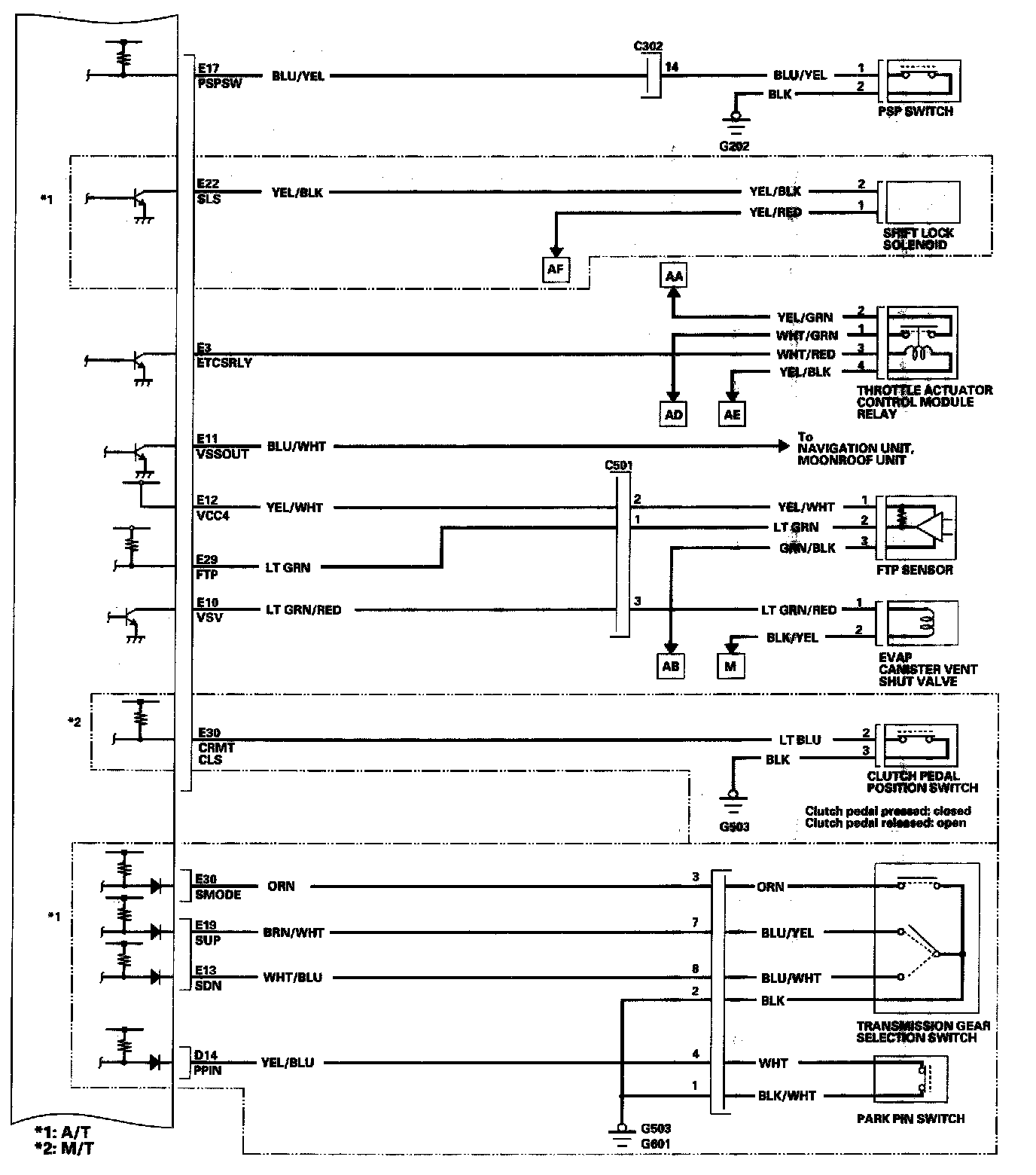
ECM/PCM Circuit Diagram 11-78:



ECM/PCM Circuit Diagram 11-79:



ECM/PCM Circuit Diagram 11-80:



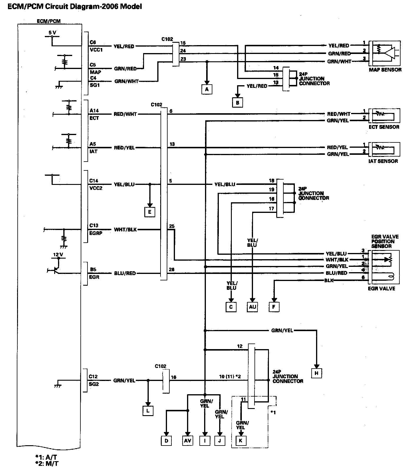
ECM/PCM Circuit Diagram 11-81:



ECM/PCM Circuit Diagram 11-82: