Curiosii for ever!
: Car repair manuals for everyone.
Home
>>
Acura
>>
2006
>>
RSX L4-2.0L
>>
Repair and Diagnosis
>>
Heating and Air Conditioning
>>
Condenser Fan
>>
Locations
>>
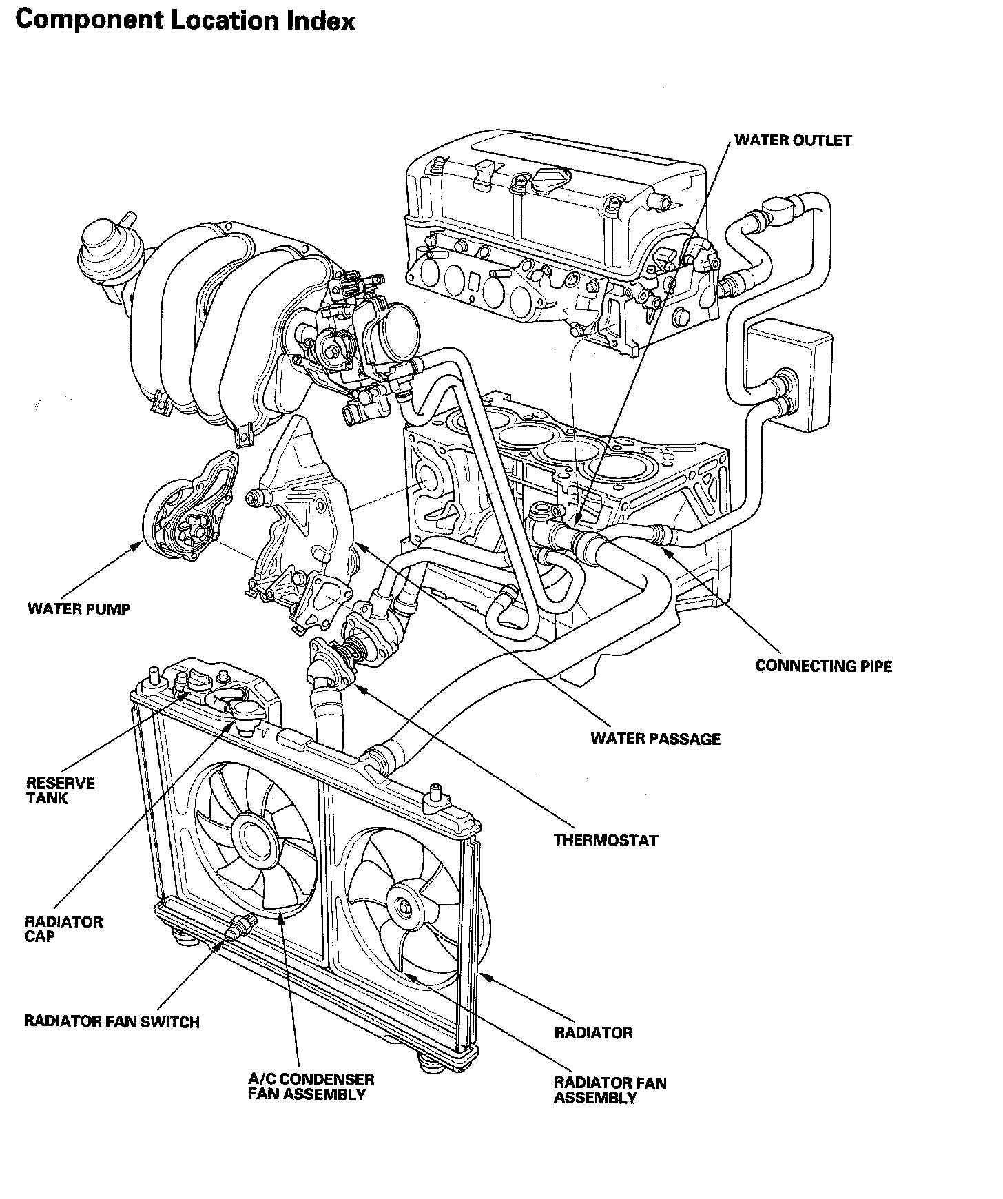
Cooling System Component Location Index
Cooling System Component Location Index
Cooling System Component Location Index: