Curiosii for ever!: Car repair manuals for everyone.

Engine Installation

Engine Installation





1. Install the accessory brackets, and tighten their bolts to the specified torques.
2. Position the engine under the vehicle. Attach the chain hoist to the engine, then lift the engine into position in the vehicle.

NOTE: Reinstall the mounting bolts/support nuts in the sequence given. Failure to follow this sequence may cause excessive noise and vibration, and reduce bushing life.





3. Install the A/C compressor (A), and connect the compressor clutch connector (B).





4. Install the subframe (A). Align the reference lines (B) on the subframe with the bolt head center, then tighten the bolts.








5. Tighten the rear mount mounting bolts.





6. Loosely tighten the new front mount bracket mounting bolt.
7. Lower the vehicle on the hoist.





8. Tighten the upper bracket mounting bolt and nut.














9. Tighten the support bolt/nuts.
10. Raise the vehicle on the hoist to full height.





11. Loosen the front engine mount bracket mounting bolt, then tighten it to the specified torque.
12. Lower the hoist.
13. Remove the chain hoist from the engine.
14. Raise the vehicle on the hoist to full height.





15. Install the shift control cable (A) (A/T).
16. Install the shift cable cover (B), then install the shift control cable bracket (C) (A/T).
17. Install a new spring clip on the end of each driveshaft, then install the driveshafts. Make sure each clip "clicks" into place in the differential and intermediate shaft.
18. Connect the suspension lower arm ball joints and stabilizer links.





19. 2002-2004 models: Install the new flexible joint gasket (A).
2005-2006 models: Check the flexible joint gasket (A) for damage. If the flexible joint gasket is damaged, replace the flexible joint gasket.

NOTE: Do not reuse the flexible joint gasket, when removing it.

20. Install the three way catalytic converter (TWC) assembly (B); use new gasket (C) and new self locking nuts (D).
21. Connect the air fuel ratio (A/F) sensor connector (E) and secondary heated oxygen sensor (secondary HO2S) connector (F).
22. Install the radiator.





23. Install the lower radiator hose.





24. Tighten the automatic transmission fluid (ATF) filter mounting bolt (A), and install the ATF cooler hoses (B) (A/T).





25. Install the splash shield.
26. Lower the vehicle on the hoist.





27. Install the upper radiator hose (A) and heater hoses (B).





28. Install the P/S pump.





29. Install the bolt securing the power steering (P/S) hose bracket.
30. Install the drive belt.





31. Push the engine control module (ECM)/powertrain control module (PCM) connectors through the bulkhead, then install the grommet (A).
32. Install the harness clamps (B).





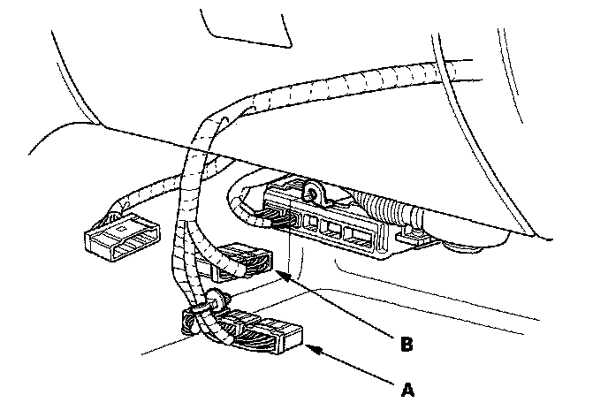
33. Connect the ECM/PCM connectors (A) and main wire harness connector (B).
34. Install the throttle cable, then adjust the cable.
35. Install the cruise control actuator cable, then adjust the cable.





36. Install the brake booster vacuum hose (A) and the evaporative emission (EVAP) canister hose (B).
37. Install the fuel feed line.





38. Install the select cable (A) and shift cable (B) using the plastic washers (C), washers (D), and new cotter pins (E) (M/T).





39. Install the clutch slave cylinder (A) and clutch line bracket mounting bolt (B) (M/T).





40. Install the battery cable (A) on the under-hood fuse/relay box, then install the harness clamps (B).
41. Install the ground cable (C).





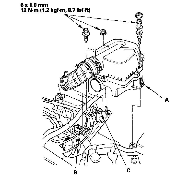
42. Install the air intake duct.





43. Install the air cleaner housing (A) and connect the intake air temperature (IAT) sensor connector (B).
44. Install the breather hose (C).





45. Install the intake manifold cover.
46. Install the battery. Clean the battery posts and cable terminals with sandpaper, then assemble them and apply grease to prevent corrosion.
47. Move the shift lever to each gear, and verify that the A/T gear position indicator follows the transmission range switch (A/T).
48. Check that the transmission shifts into gear smoothly (M/T).
49. Inspect for fuel leaks. Turn the ignition switch ON (II) (do not operate the starter) so the fuel pump runs for about 2 seconds and pressurizes the fuel line. Repeat this operation two or three times, then check for fuel leakage at any point in the fuel line.
50. Refill the engine with engine oil.
51. Refill the transmission with fluid.
52. Refill the radiator with engine coolant, and bleed air from the cooling system with the heater valve open.
53. Do the ECM/PCM idle learn procedure.
54. 2005-2006 models: Do the crankshaft position (CKP) pattern clear/CKP pattern learn procedure.
55. Inspect the idle speed.
56. Inspect the ignition timing.
57. Check the wheel alignment.
58. Enter the anti-theft code for the radio, then enter the customer's audio presets.
59. Do the power window control unit reset procedure.
60. Set the clock.