Curiosii for ever!: Car repair manuals for everyone.

Removal and Installation

Alternator Removal and Installation

Removal
1. Make sure you have the anti-theft codes for the radio and the navigation system, then write down the customer's audio presets. Make sure the ignition switch is OFF.




2. Remove the right upper fender trim (A) battery trim (B) left upper fender trim (C), then remove the upper grille cover (D).
3. Disconnect the negative cable from the battery, then disconnect the positive cable.
4. Raise the vehicle on the hoist to full height.




5. Remove the splash shield.




6. Remove the harness clamps (A), and connector (B) from the A/C condenser fan shroud.
7. Loosen the two bolts (C) securing the A/C condenser fan shroud
8. Lower the vehicle on the hoist.




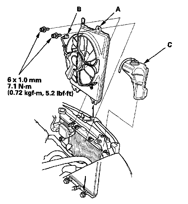
9. Disconnect the fan motor connector (A), and remove the reserve tank (B).
10. Remove the two bolts (C), then remove the A/C condenser fan shroud.
11. Remove the drive belt.




12. Disconnect the alternator connector (A), and BLK wire (B) from the alternator.
13. Remove the bolt (C) securing the harness holder.




14. Remove the mounting bolt (A), and alternator bracket mounting bolt (B), then remove the alternator.

Installation




1. Install the alternator.




2. Connect the alternator connector (A), and the BLK wire (B) to the alternator.
3. Install the bolt (C) securing the harness holder.
4. Install the drive belt.




5. Install the A/C condenser fan shroud (A), and tighten the bolts.
6. Connect the fan motor connector (B), and install the reserve tank (C).
7. Raise the vehicle on the hoist to full height.




8. Tighten the two bolts (A) securing the A/C condenser fan shroud.
9. Install the harness clamps (B) and connector (C) to the A/C condenser fan shroud.




10. Install the splash shield.
11. Lower the vehicle on the hoist.
12. Connect the positive cable to the battery first, then connect the negative cable.




13. Install the upper grille cover (A) then install the left upper fender trim (B) battery trim (C), and right upper fender trim (D).
14. Enter the anti-theft codes for the radio and the navigation system, then enter the customer's audio presets.
15. Do the power window control unit reset procedure.
16. Do the steering column position memorization procedure.
17. Set the clock.