Curiosii for ever!: Car repair manuals for everyone.

Engine Removal

Engine Removal
Special Tools Required
^ Front subframe adapter VSB02C000016
^ Engine support hanger, A and Reds AAR-T-12566
^ Engine hanger balance bar VSB02C000019
Available through Acura Tool and Equipment program, 888-424-6857

NOTE:
^ Use fender covers to avoid damaging painted surfaces.
^ To avoid damage, unplug the wiring connectors carefully while holding the connector portion.
^ Mark all wiring and hoses to avoid misconnection. Also, be sure that they do not contact other wiring, hoses, or interfere with other parts.

1. Make sure you have the anti-theft codes for the radio and navigation system, then write down the customer's audio presets. Make sure the ignition switch is OFF.
2. Remove the windshield wiper arms.





3. Remove the intake manifold cover (A), right upper fender trim (B), battery trim (C), and left upper fender trim (D).
4. Remove the upper grille cover (E) and cowl cover (F).





5. Disconnect the support struts from both sides of the pivot ball (bolted to the hood). Secure the hood in a vertical position. Remove the right side pivot ball and install it into the lower threaded hole, then reattach the support strut.

NOTE: Do not attempt to close the hood with the support strut in the vertical position, as it will damage the support strut and hood.

6. Relieve fuel pressure.
7. Drain the power steering system fluid, then plug the fluid reservoir and return hose.
8. Disconnect the negative cable from the battery first, then disconnect the positive cable.
9. Remove the battery.
10. Remove the air cleaner.





11. Remove the air intake duct cover.





12. Remove the harness clamps (A), starter cable (B), and ground cable (C).





13. Remove the two bolts (A), and loosen the two bolts (B), then remove the battery base (C).





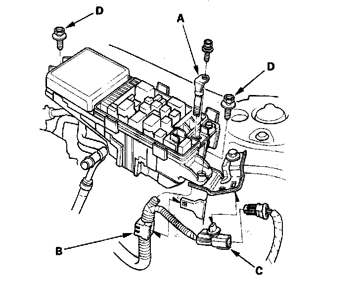
14. Remove the battery cable (A) from the under-hood fuse/relay box.
15. Remove the harness clamp (B), then disconnect the harness connector (C).
16. Remove the two bolts (D) securing the under-hood fuse/relay box, then remove the under-hood fuse/relay box.





17. Remove the harness clamp (A), and disconnect the engine wire harness connectors (B) on the left side of the engine compartment.





18. Remove the connector (A) and transfer breather hose (B), then remove the strut brace (C).





19. Remove the quick-connect fitting cover (A), then disconnect the fuel feed hose.





20. Remove the brake booster vacuum hose (A) and evaporative emission (EVAP) canister hose (B).
21. Remove the shift cable.
22. Remove the drive belt.





23. Remove the power steering (P/S) pump outlet line (A) from the P/S pump, then plug the outlet line and P/S pump.
24. Remove the P/S hose (B) from the clamp.
25. Remove the power steering system fluid reservoir from the clamp.





26. Remove the heat shield.
27. Remove the steering wheel.





28. Remove the steering joint cover (A).
29. Make a reference mark (B) across the steering joint and steering gearbox pinion shaft. Remove the steering joint bolt (C), and disconnect the steering joint from the steering gearbox pinion shaft (D).
30. Remove the radiator cap.
31. Raise the vehicle on the hoist to full height.
32. Remove the front wheels.





33. Remove the splash shield.
34. Loosen the drain plug in the radiator, and drain the engine coolant.
35. Drain the automatic transmission fluid (ATF).
36. Drain the engine oil.
37. Disconnect the stabilizer links.
38. Remove the damper fork.
39. Separate the tie-rod end ball joints from the knuckles.
40. Separate the knuckles from the lower arms.
41. Remove the driveshafts. Coat all precision-finished surfaces with clean engine oil. Tie plastic bags over the driveshaft ends.





42. Remove the exhaust pipe assembly.
43. Remove the propeller shaft.
44. Remove the transfer assembly.
45. Remove the ATF cooler hoses from the transmission.





46. Remove the P/S hose, then plug the line and hose.





47. Disconnect the power steering pressure switch connector.





48. Disconnect the connector from the steering gearbox.





49. Remove the bolts securing the transmission lower mount.
50. Lower the vehicle on the hoist.





51. Remove the upper radiator hose (A) and lower radiator hose (B).





52. Remove the heater hoses.
53. Remove the radiator.





54. Remove the four bolts securing the A/C compressor.





55. Remove the connector bracket from the front cylinder head; use the bracket bolt hole to attach engine balancer bar front arm.





56. Remove the engine mount control solenoid valve bracket from the rear cylinder head; use the bracket bolt hole to attach engine balancer bar rear arm.





57. Lift and support the engine with engine hanger (A) and engine balancer bar (B). Attach the front arm (C) to the front cylinder head with a spacer (D) and the 10 x 1.25 mm bolt (E). Attach the rear arm (F) to the rear cylinder head with the 8 x 1.25 mm bolt (G).





58. Remove the vacuum hose (A) and front mount stop (B), then remove the front mount bolt (C).





59. Remove the vacuum hose (A) and rear mount stop (B), then remove the rear mount bolt (C).
60. Remove the bolt (D) securing the shift cable bracket.
61. Raise the vehicle on the hoist to full height.





62. Attach the special tool to the subframe by hanging the belt (A) over the front of the subframe (B), then secure the belt with its stop (C).
63. Raise the jack and line up the slots in the special tool arms with the bolt holes on the jack base, then securely attach them with four bolts.





64. Remove the subframe.





65. Lower the vehicle and attach a chain hoist (A) to the engine hook (B) and transmission hook (C). Lift up on the engine/transmission assembly until it's securely supported by the chain hoist, and remove the engine support hanger from the engine and vehicle.





66. Remove the two bolts securing the upper bracket.
67. Check that the engine/transmission is completely free of vacuum hoses, fuel and coolant hoses, and electrical wiring.
68. Slowly lower the engine/transmission assembly about 150 mm (6 inch). Check once again that all hoses and electrical wiring are disconnected and free from the engine/transmission, then lower it all the way.
69. Disconnect the chain hoist from the engine/transmission assembly.
70. Raise the vehicle all the way, and remove the engine/transmission assembly from under the vehicle.