Curiosii for ever!: Car repair manuals for everyone.

ECM/PCM Circuit Diagrams

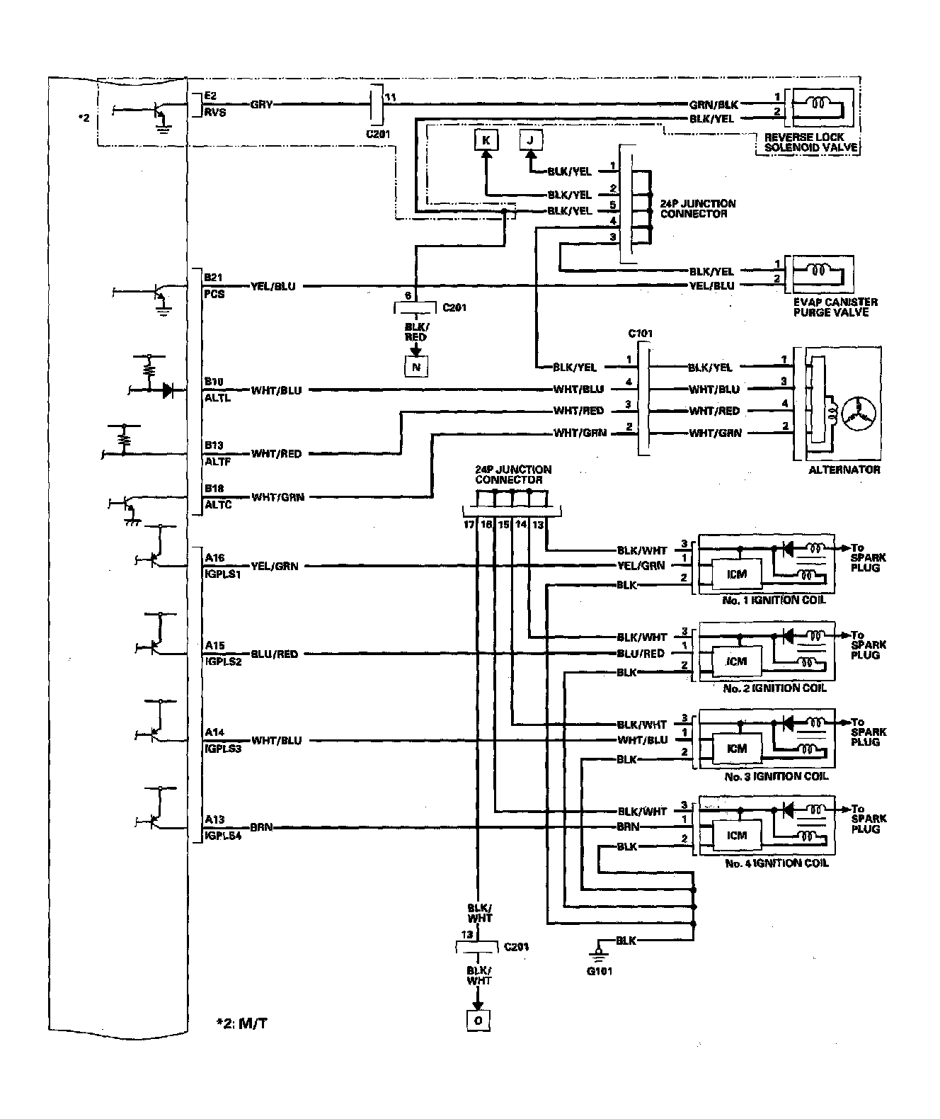
ECM/PCM Circuit Diagram 11-40:



ECM/PCM Circuit Diagram 11-41:



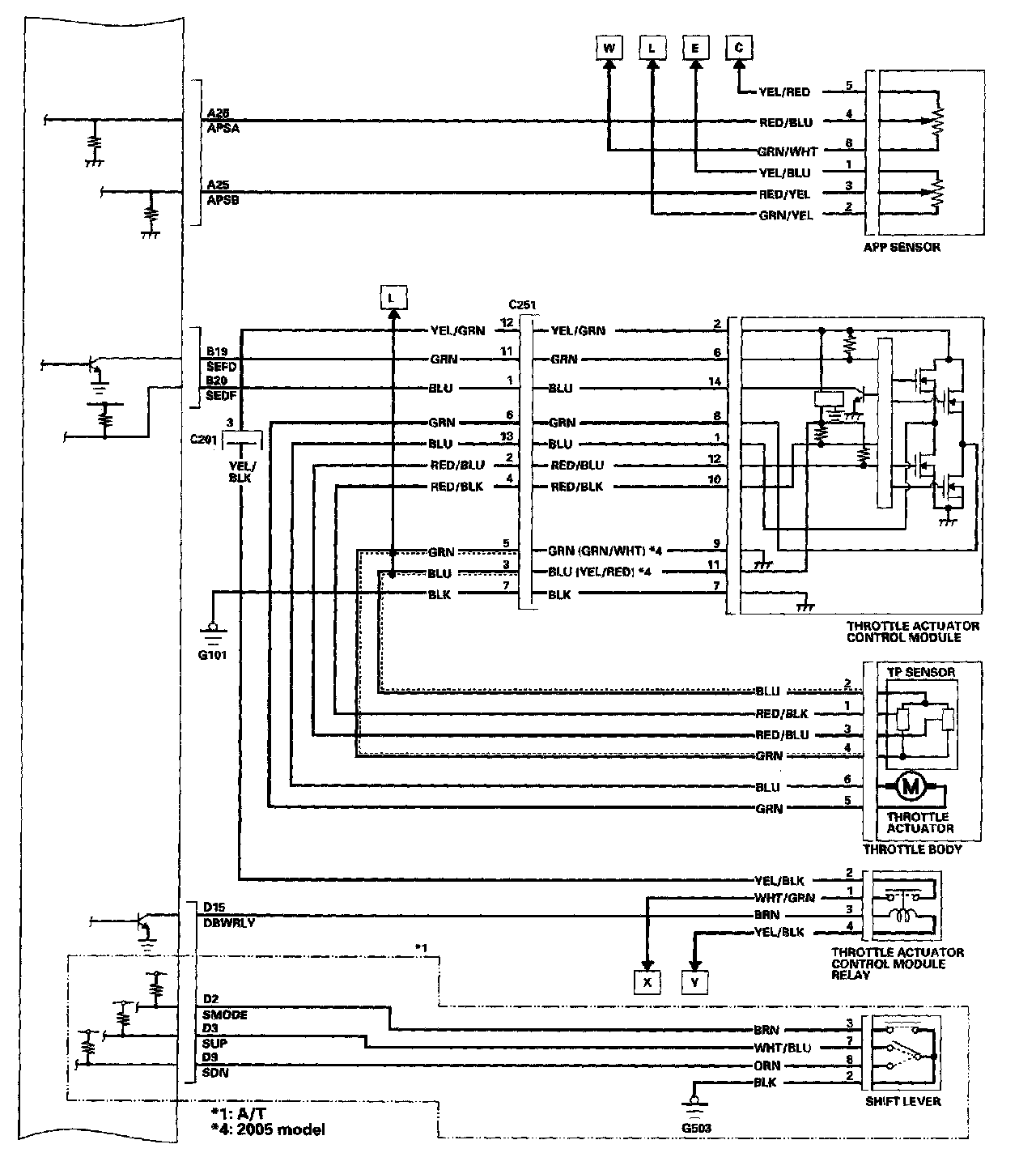
ECM/PCM Circuit Diagram 11-42:



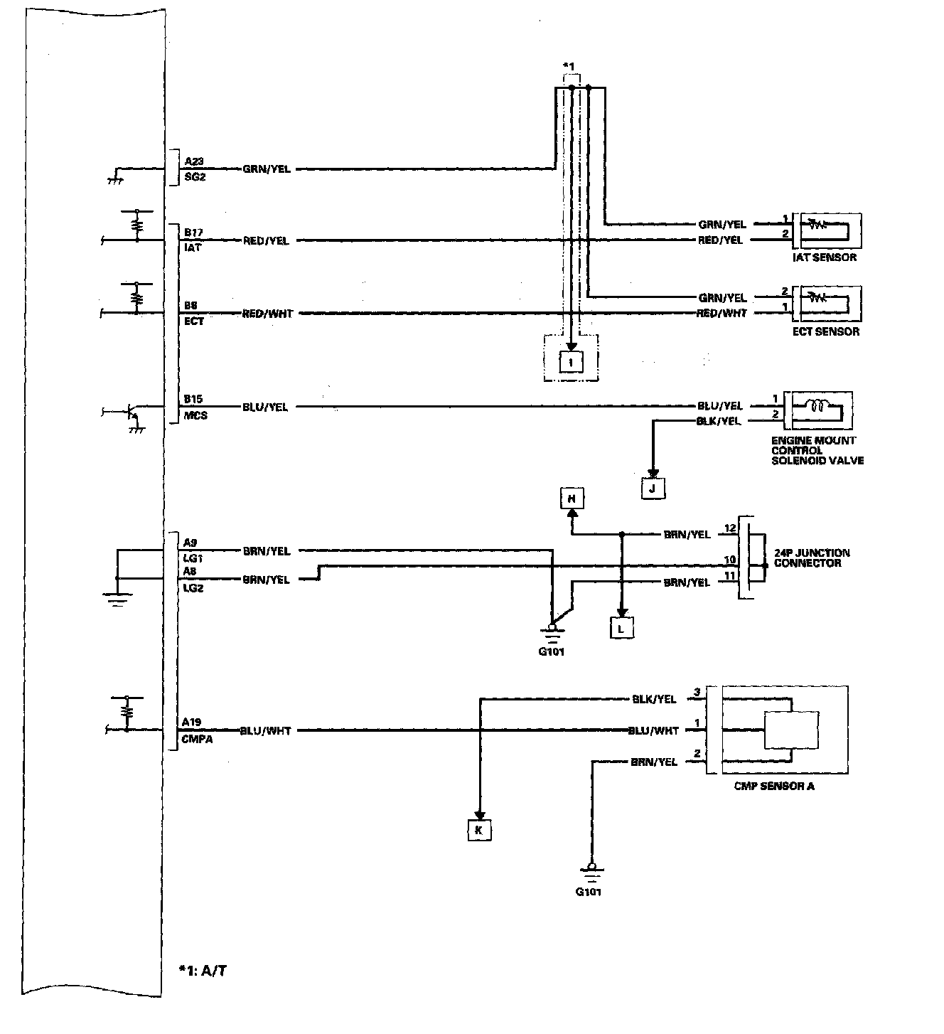
ECM/PCM Circuit Diagram 11-43:



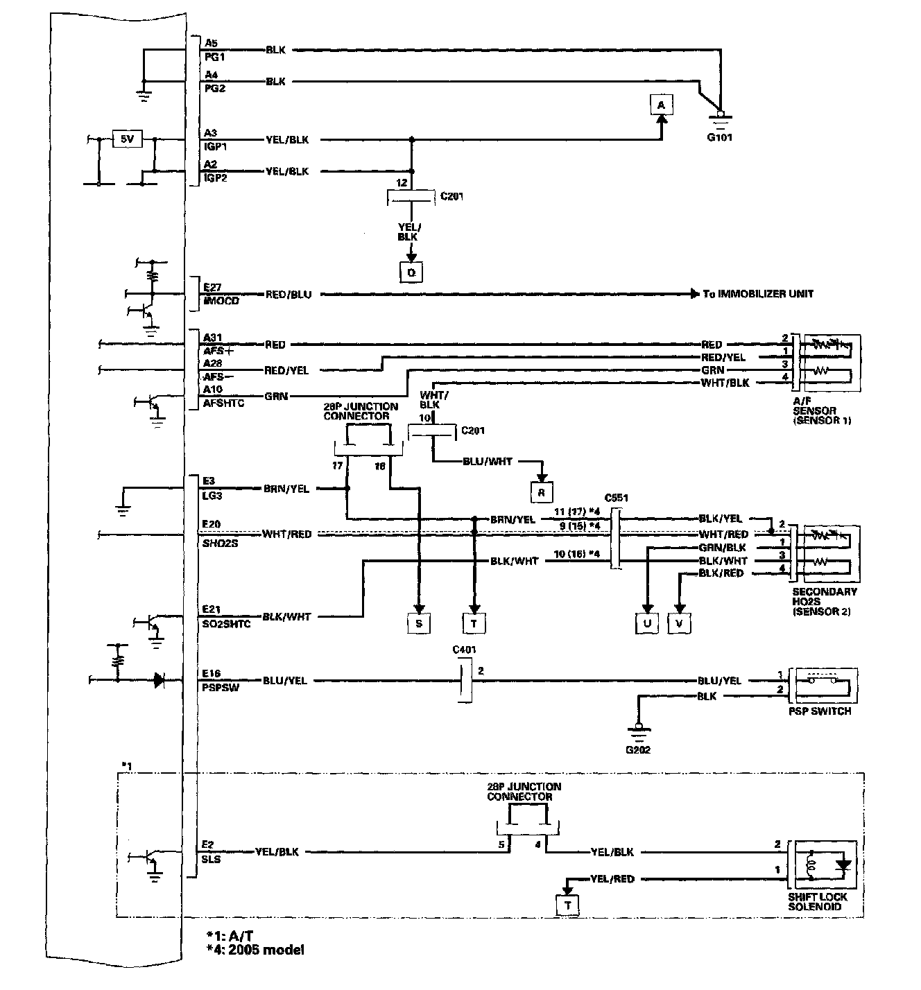
ECM/PCM Circuit Diagram 11-44:



ECM/PCM Circuit Diagram 11-45:



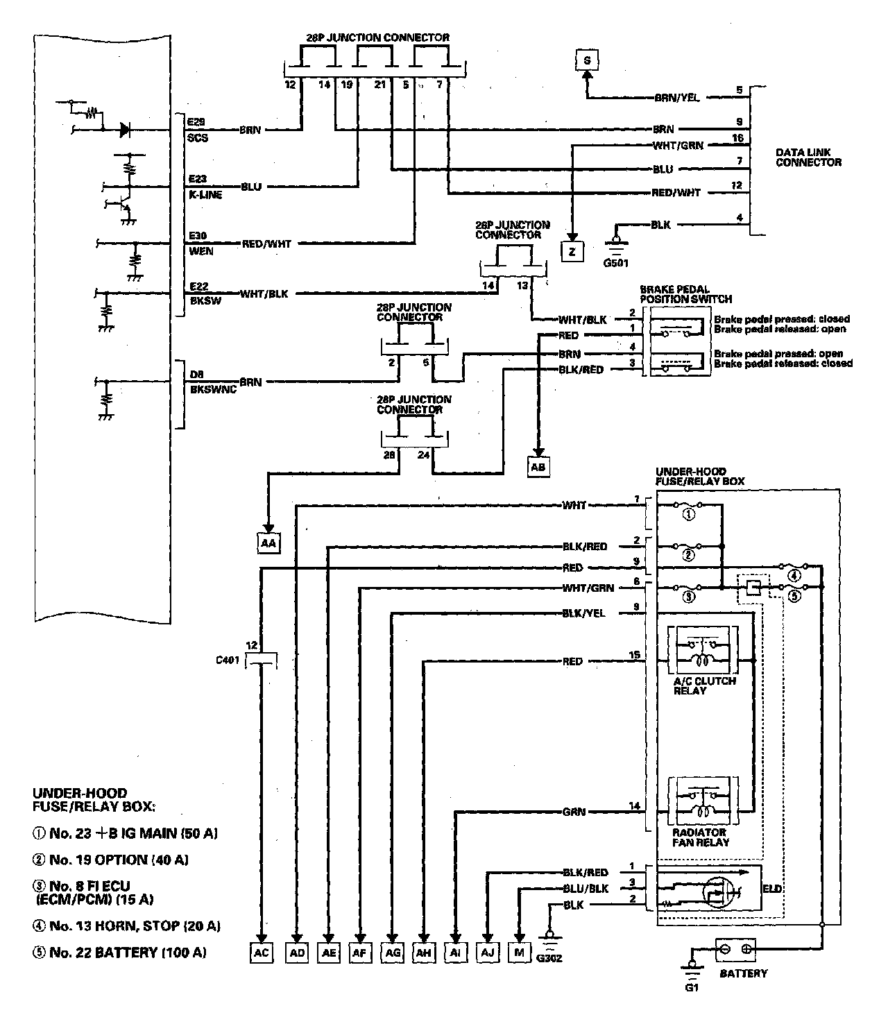
ECM/PCM Circuit Diagram 11-46:



ECM/PCM Circuit Diagram 11-47:



ECM/PCM Circuit Diagram 11-48:



ECM/PCM Circuit Diagram 11-49:



ECM/PCM Circuit Diagram 11-50: