Curiosii for ever!: Car repair manuals for everyone.

Transmission Installation

Transmission Installation
Special Tools Required
- Engine support hanger, A and Reds AAR-T-12566
- Engine hanger balance bar VSB02C000019
- Front subframe adapter VSB02C000016 (Available through the Acura Tool and Equipment Program 1-888-424-6857)

NOTE: Use fender covers to avoid damaging painted surfaces.

SRS components are located in this area. Review the SRS component locations, and the precautions and procedures before performing repair or service.

1. Make sure the two dowel pins are installed in the clutch housing.





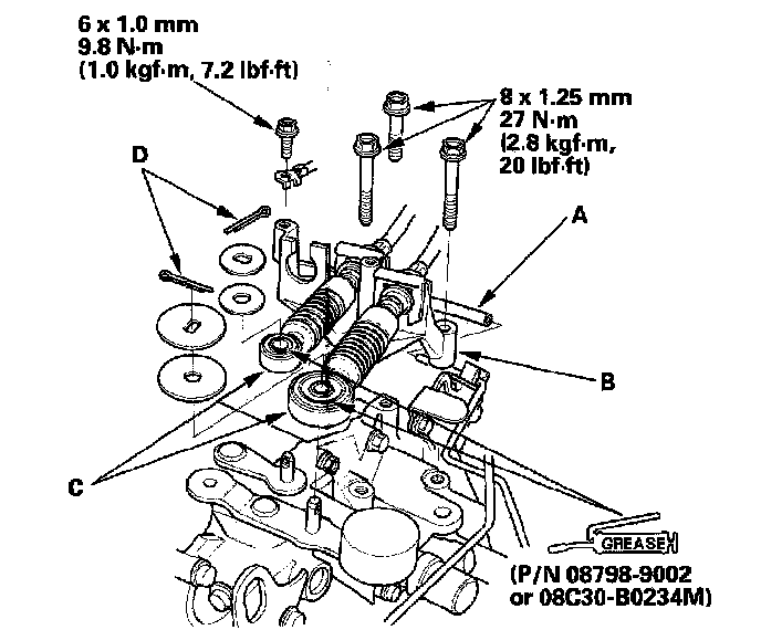
2. Apply super high temp urea grease (P/N 08798-9002) to the release fork (A) and the release bearing (B). Install the release fork, the release bearing, and the boot (C).
3. Place the transmission on the transmission jack, and raise it to the engine level.





4. Install the transmission lower mounting bolts.





5. Install the clutch cover.





6. Install the front engine mount upper bracket.





7. Support the front suspension subframe with the front subframe adapter and a jack.





8. Loosely install the front suspension subframe (A) and front suspension subframe stiffeners (B).





9. Align the reference lines (A) with edge (B) of both rear stiffeners (C), and tighten the rear subframe mounting bolts, then the front bolts, and tighten the stiffener bolts to the-specified torque.





10. Install the subframe middle mounting bolts.





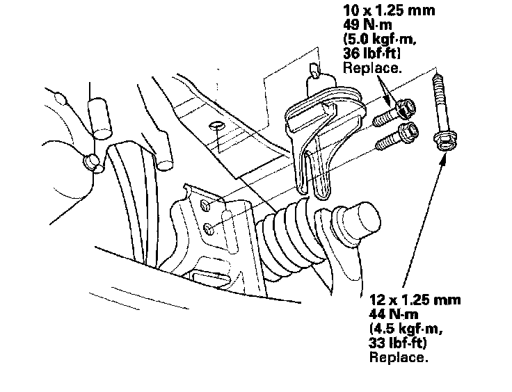
11. Install the transmission lower front mount (A) and the transmission lower rear mount (B).





12. Install the transmission lower mount mounting nuts.





13. Install the rear engine lower mount mounting bolts.





14. Connect the power steering pressure switch connector.
15. Install the intermediate shaft.
16. Install the left and right driveshaft inboard joints.
17. Install the tie-rod ball joint.
18. Install the knuckle onto the lower arm.
19. Install the damper fork.
20. Connect the front stabilizer link.





21. Install exhaust pipe A and the new gaskets (B).





22. Install the splash shield.





23. Install the engine under cover.
24. Lower the vehicle.





25. Install the transmission mount bracket (A) and ground cable (B).
26. Remove the engine support hanger and special tools from the engine.





27. Unlock the steering wheel.
28. Connect the steering joint to the steering gearbox pinion shaft (A) by aligning the reference mark (B), and remove the wire (C) from the joint yoke (D).
29. Install the steering joint cover (E).





30. Install the power steering pump outlet line (A) with a new O-ring (B) to the pump (C), and install the hose (D) in its clamp (E).
31. Connect the return hose (F) to the power steering fluid reservoir (G), then secure the hose with its clamp (H).





32. Install the transmission upper mounting bolts.





33. Install the front engine mount mounting bolt (A), the front engine mount stop (B), and mounting nuts (C).





34. Apply super high temp urea grease (P/N 08798-9002) to the end of the pushrod. Install the slave cylinder. Be careful not to bend the clutch line.





35. Connect the vacuum hose (A).
36. Install the cable bracket (B) and cables (C).
37. Apply a light coat of super high temp urea grease ON 08798-9002) or silicone grease (P/N 08C30-B0234M) to the cable ends, then install new cotter pins (D).





38. Install the harness bracket.





39. Install the starter motor (A), then connect the starter cable (B).





40. Connect the vacuum hose (A), then install the harness clips (B).





41. Connect the input shaft (mainshaft) speed sensor connector (A) and output shaft (countershaft) speed sensor connector (B).





42. Connect the back-up light switch connector (A) and reverse lockout solenoid connector (B), then install the harness clips (C).





43. Install the strut brace.





44. Install the under-hood fuse/relay box.
45. Refill the transmission fluid.





46. Install the battery base.
47. Install the resonator chamber and air cleaner housing.
48. Install the battery. Clean the battery posts and cable terminals with sandpaper. Connect the positive cable to the battery first, then connect the negative cable, and apply grease to prevent corrosion.





49. Install the bulkhead cover (A) and the intake manifold cover (B).





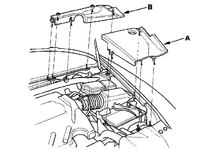
50. Install the right rear engine compartment cover (A) and the right side engine compartment cover (B).





51. Install the left side engine compartment cover (A) and the left rear engine compartment cover (B).
52. Reinstall the hood support struts to the proper locations on both sides of the hood.
53. Remove the steering wheel.
54. Center the cable reel, and reinstall the steering wheel.
55. Start the engine, then turn the steering wheel from lock-to-lock several times to bleed air from the system.
56. Recheck the fluid level, and refill if necessary.
57. Check the front wheel alignment.
58. Check the shift lever and clutch operation.
59. Test-drive the vehicle.
60. Enter the radio and navigation system anti-theft codes, then enter the audio presets, and set the clock.