Curiosii for ever!
: Car repair manuals for everyone.
Home
>>
Acura
>>
2005
>>
TL V6-3.2L
>>
Repair and Diagnosis
>>
Powertrain Management
>>
Diagrams
>>
Electrical Diagrams
>>
Control Module Circuit Diagrams
>>
ECM/PCM Electrical Connections
ECM/PCM Electrical Connections
ECM/PCM Electrical Connections Part 1:
ECM/PCM Electrical Connections Part 2:
ECM/PCM Electrical Connections Part 3:
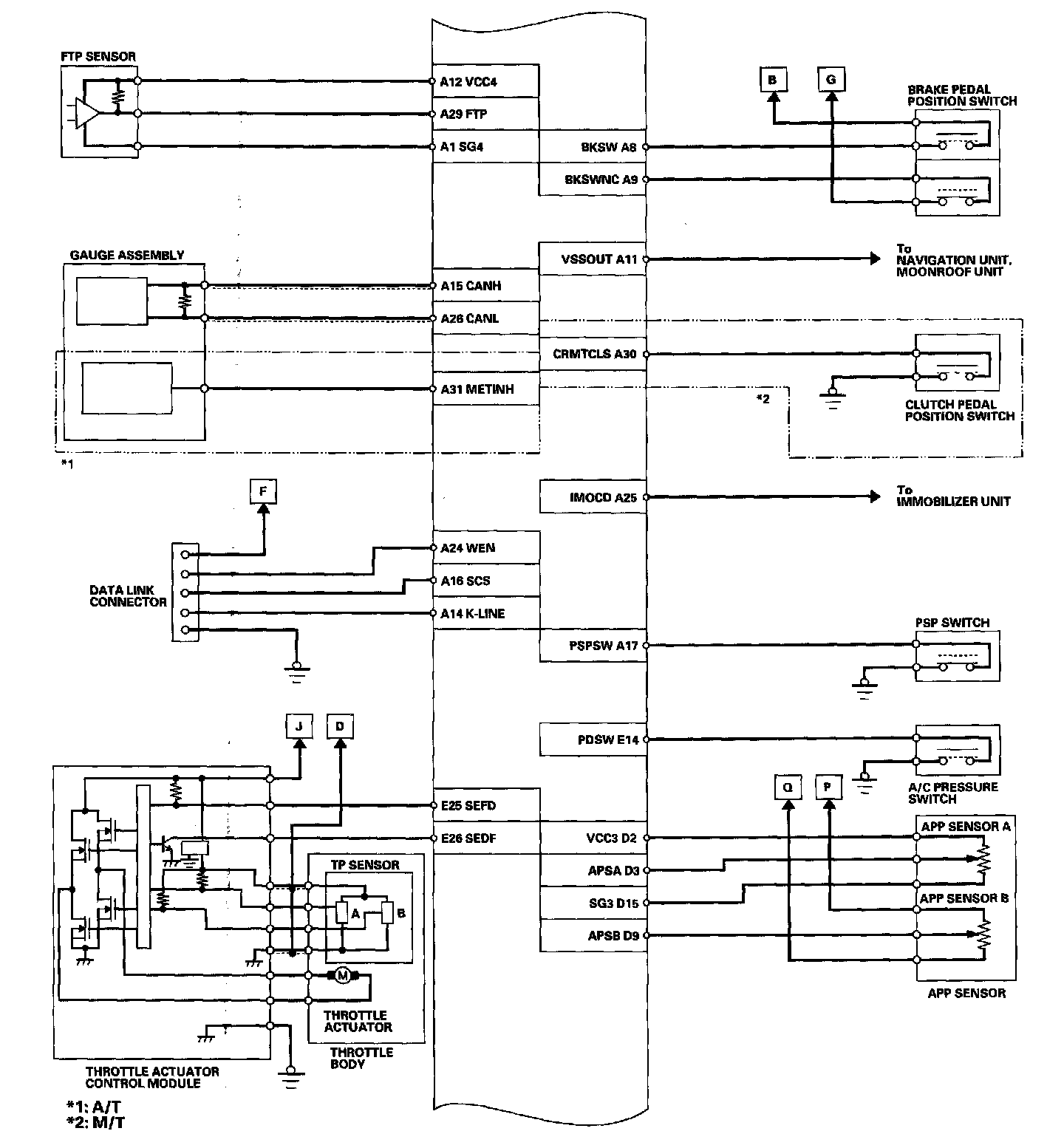
ECM/PCM Electrical Connections Part 4:
ECM/PCM Electrical Connections Part 5: