Curiosii for ever!
: Car repair manuals for everyone.
Home
>>
Acura
>>
2005
>>
TL V6-3.2L
>>
Repair and Diagnosis
>>
Heating and Air Conditioning
>>
Refrigerant Pressure Sensor / Switch
>>
Locations
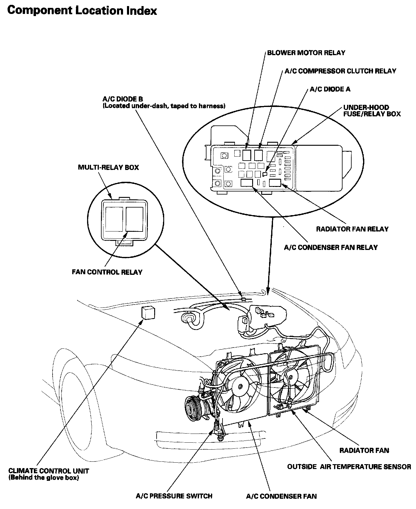
Refrigerant Pressure Sensor / Switch: Locations
Climate Control - Component Location Index:
165. Behind Right Side of Front Bumper: