Curiosii for ever!: Car repair manuals for everyone.

ECM/PCM Circuit Diagrams

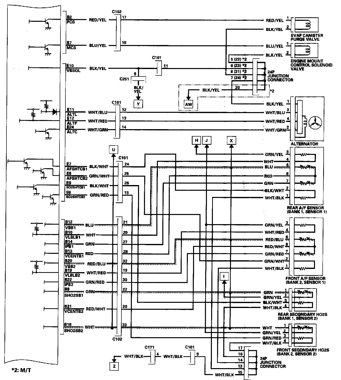
ECM/PCM Circuit Diagram 11-61:



ECM/PCM Circuit Diagram 11-62:



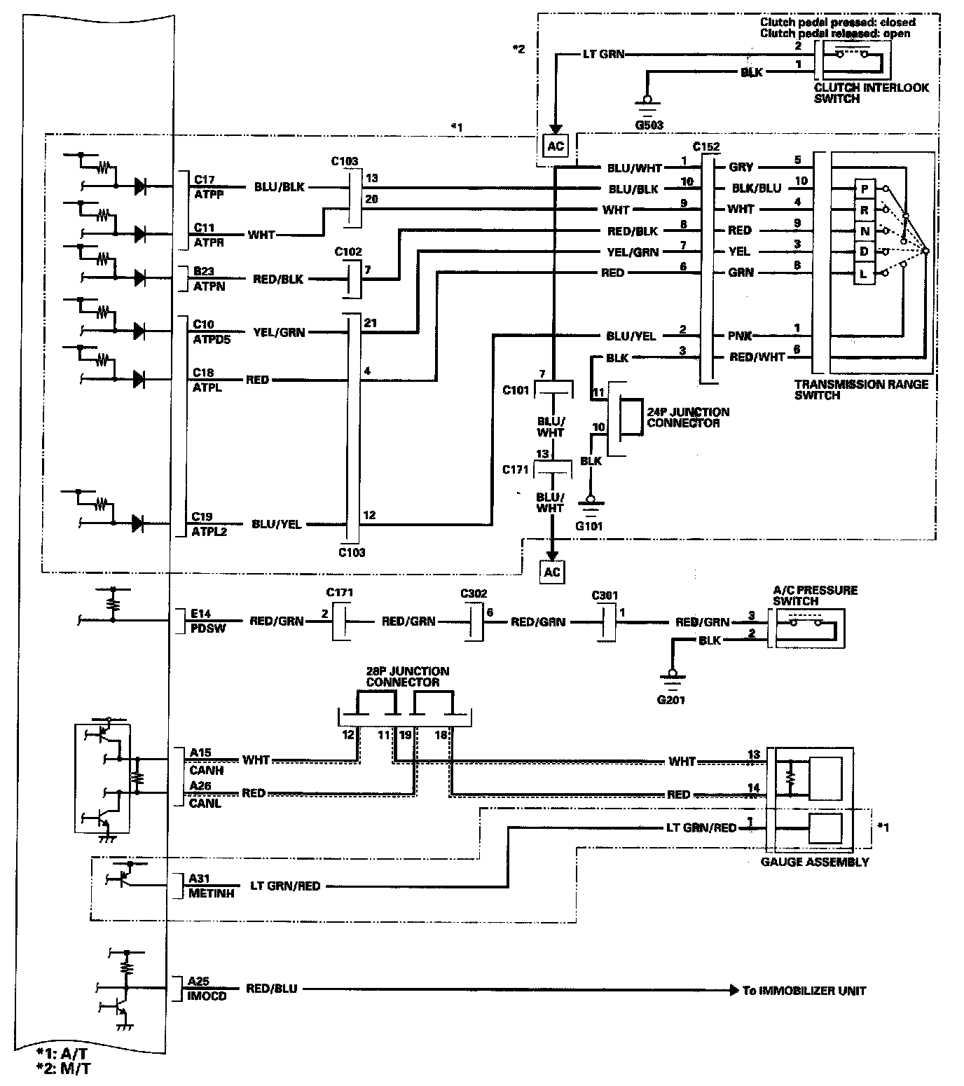
ECM/PCM Circuit Diagram 11-63:



ECM/PCM Circuit Diagram 11-64:



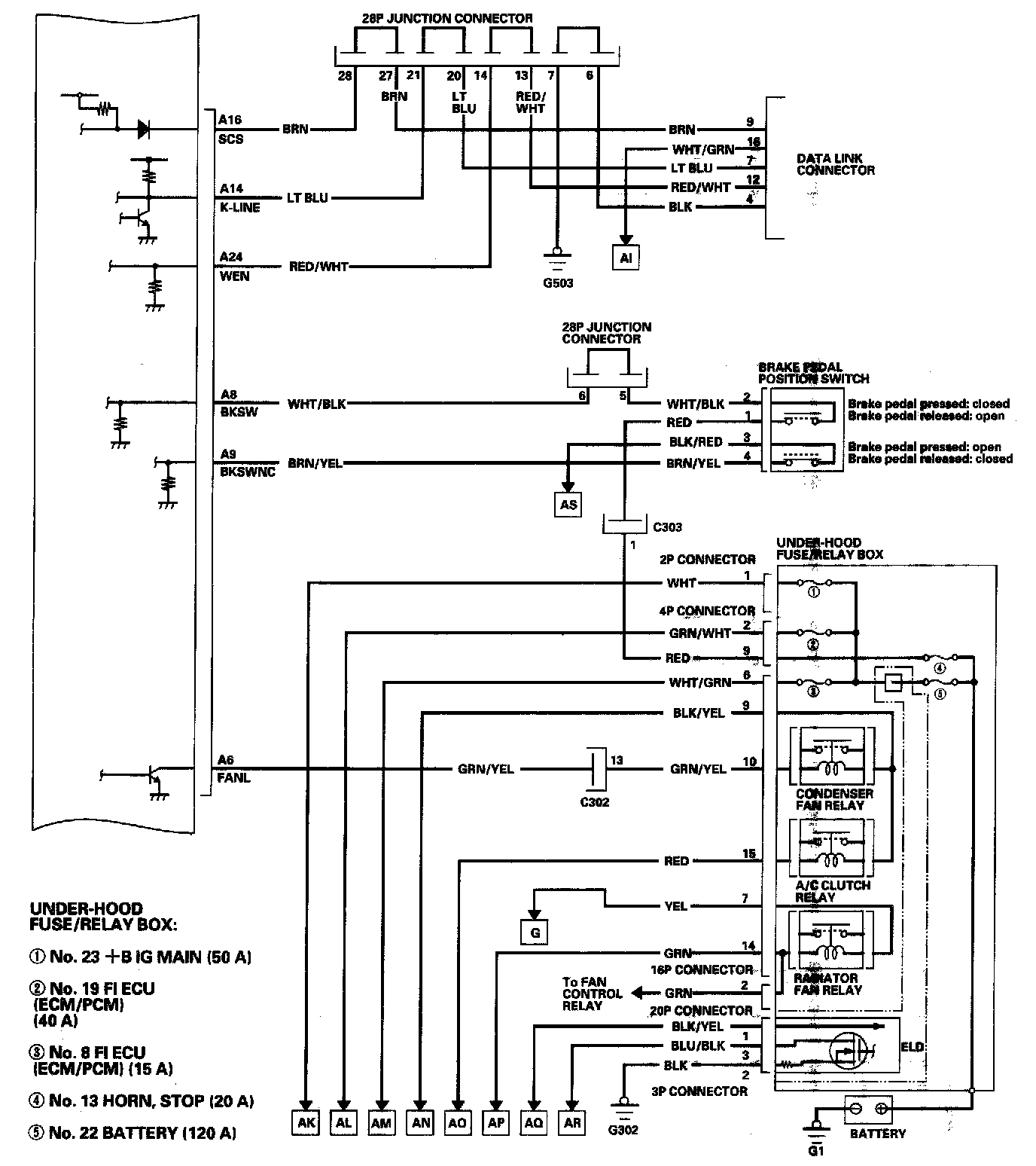
ECM/PCM Circuit Diagram 11-65:



ECM/PCM Circuit Diagram 11-66:



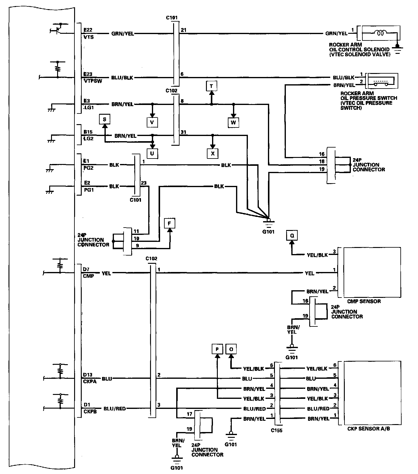
ECM/PCM Circuit Diagram 11-67:



ECM/PCM Circuit Diagram 11-68:



ECM/PCM Circuit Diagram 11-69:



ECM/PCM Circuit Diagram 11-70:



ECM/PCM Circuit Diagram 11-71: