Curiosii for ever!
: Car repair manuals for everyone.
Home
>>
Acura
>>
2005
>>
TL V6-3.2L
>>
Repair and Diagnosis
>>
Diagrams
>>
Electrical Diagrams
>>
Powertrain Management
>>
Computers and Control Systems
>>
Information Bus
>>
Circuit Diagrams
Circuit Diagrams
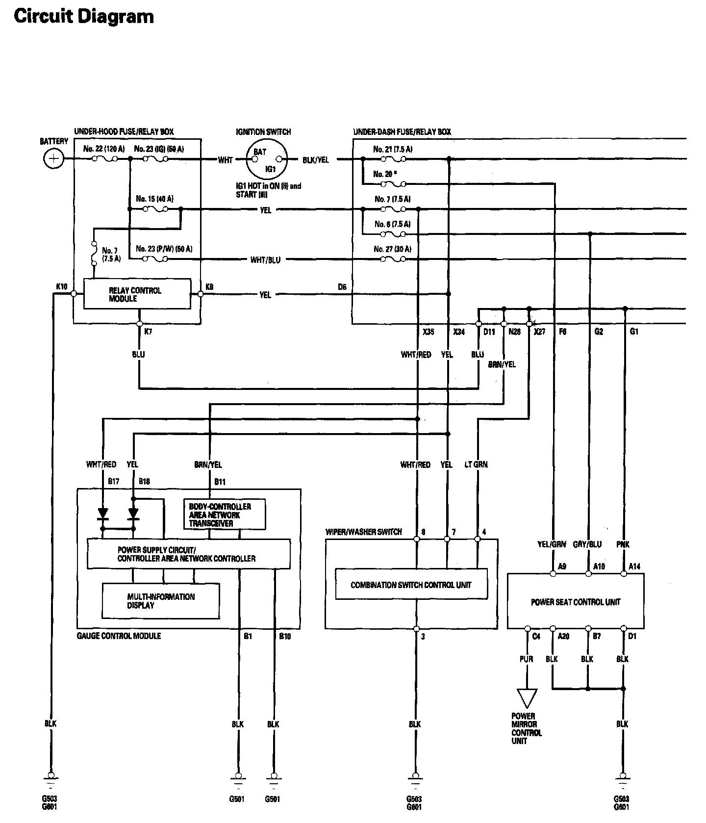
Multiplex Integrated Control System - Circuit Diagram Part 1:
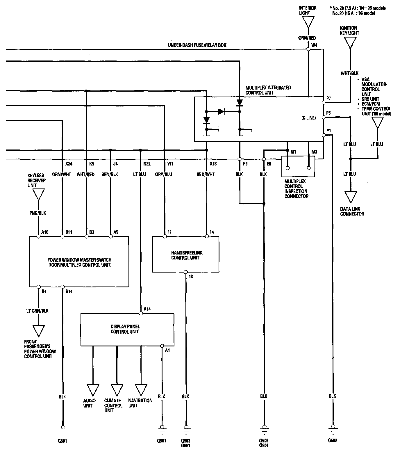
Multiplex Integrated Control System - Circuit Diagram Part 2: