Curiosii for ever!: Car repair manuals for everyone.

Circuit Diagrams

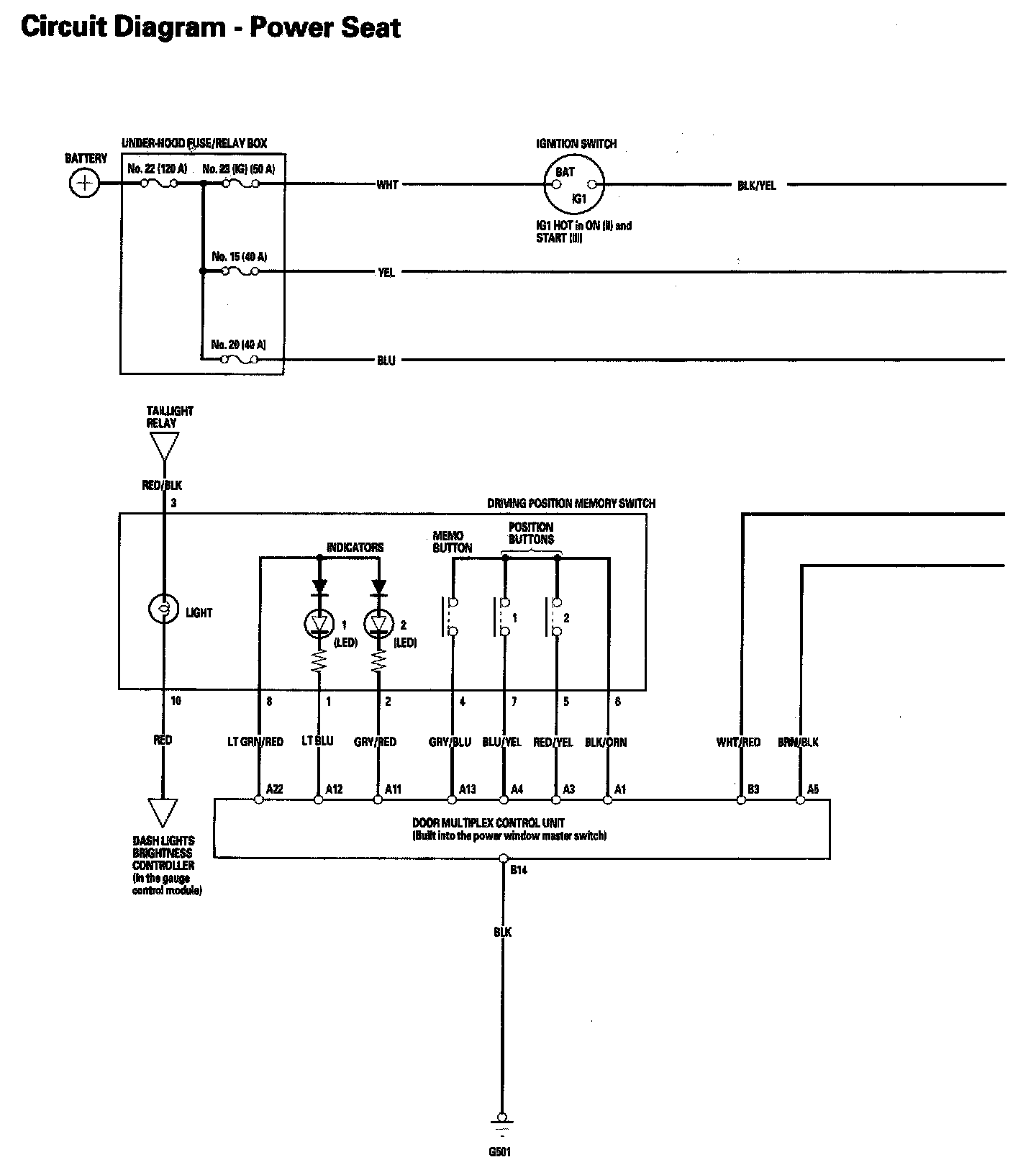
Driving Position Memory System (DPMS) - Power Seats - Circuit Diagram Part 1:



Driving Position Memory System (DPMS) - Power Seats - Circuit Diagram Part 2:



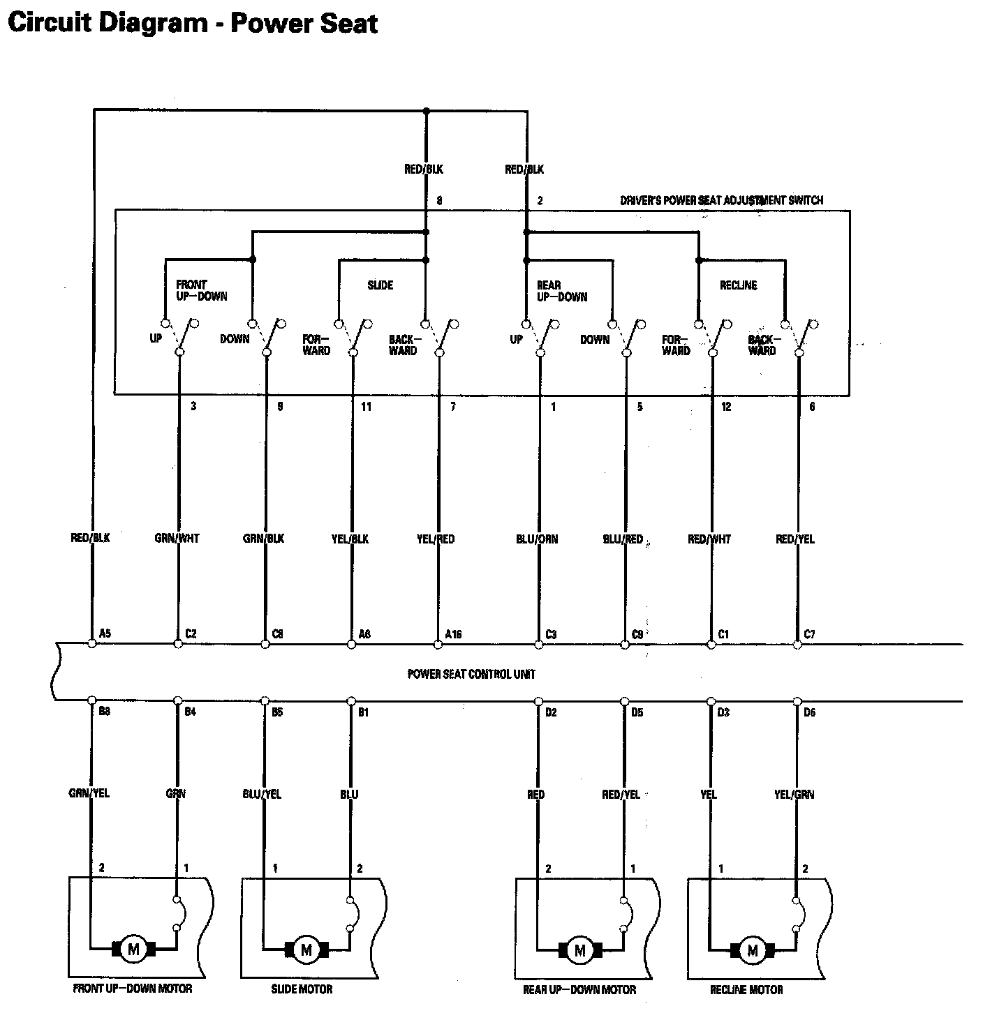
Driving Position Memory System (DPMS) - Power Seats - Circuit Diagram Part 3:



Driving Position Memory System (DPMS) - Power Seats - Circuit Diagram Part 4:



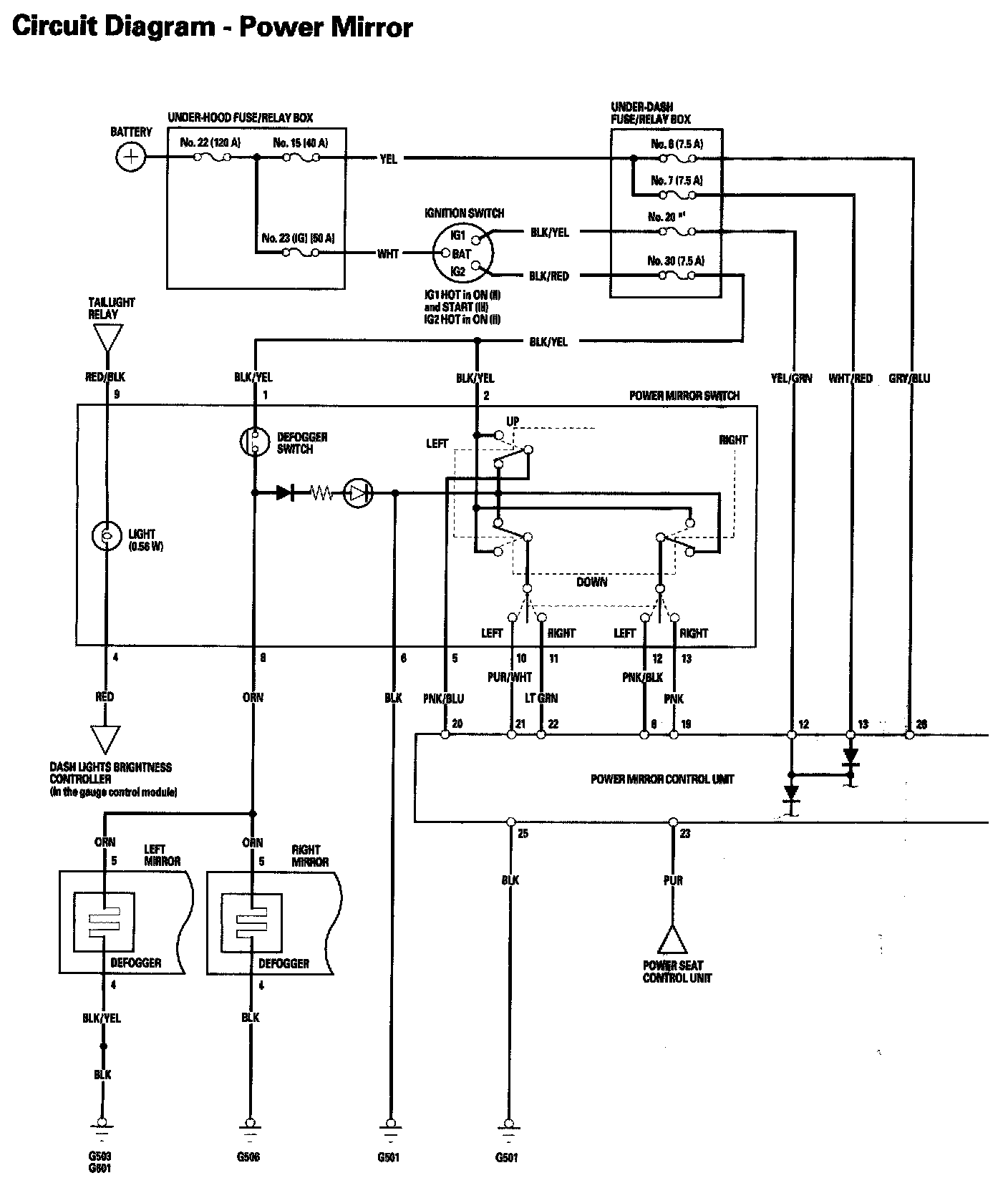
Driving Position Memory System (DPMS) - Circuit Diagram Power Mirror Part 5:



Driving Position Memory System (DPMS) - Circuit Diagram Power Mirror Part 6: