Curiosii for ever!: Car repair manuals for everyone.

ECM/PCM Circuit Diagrams

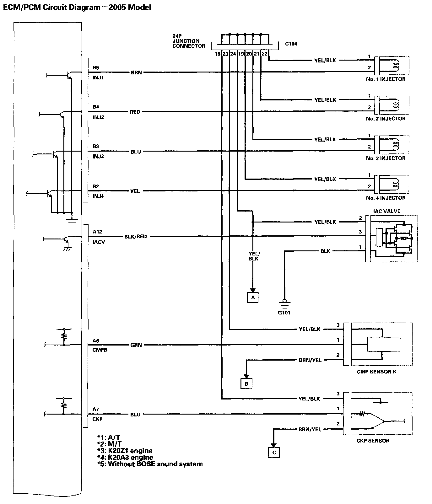
ECM/PCM Circuit Diagram Part 1:



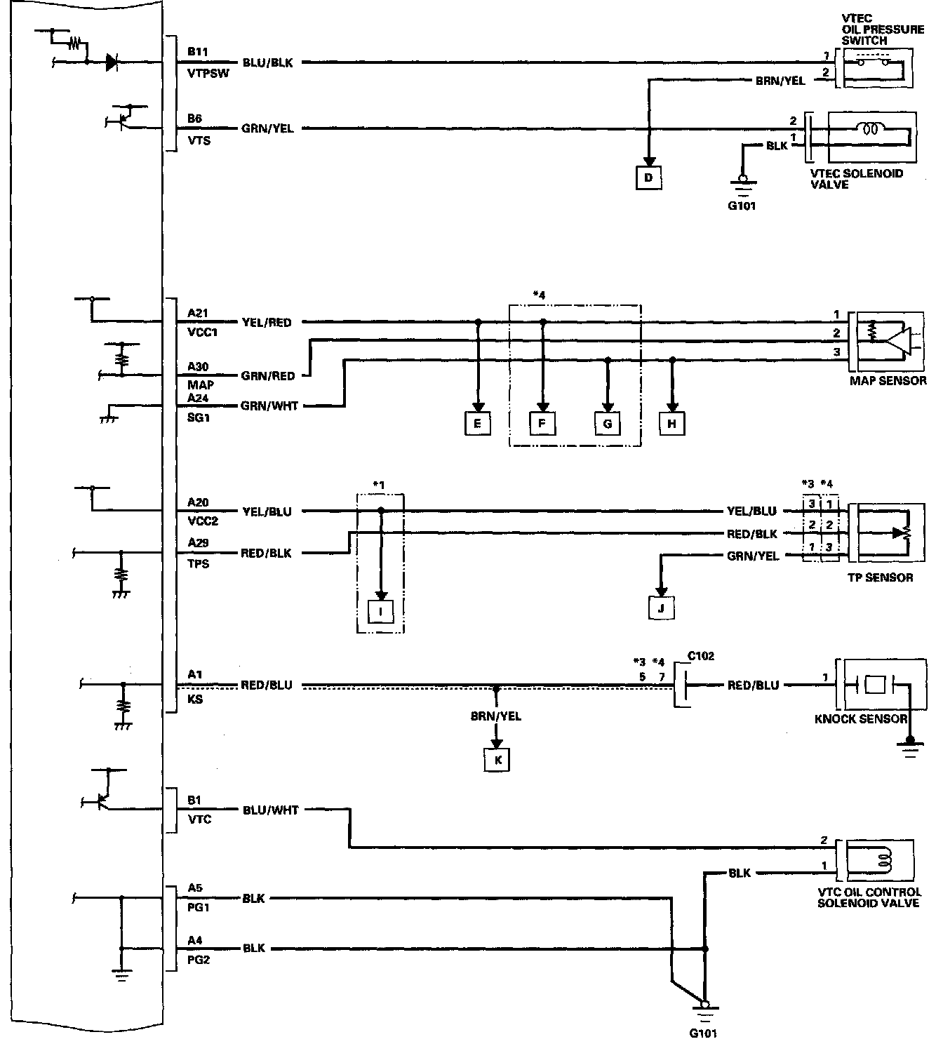
ECM/PCM Circuit Diagram Part 2:



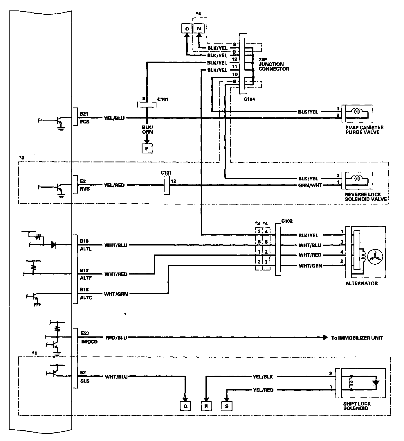
ECM/PCM Circuit Diagram Part 3:



ECM/PCM Circuit Diagram Part 4:



ECM/PCM Circuit Diagram Part 5:



ECM/PCM Circuit Diagram Part 6:



ECM/PCM Circuit Diagram Part 7:



ECM/PCM Circuit Diagram Part 6:



ECM/PCM Circuit Diagram Part 9:



ECM/PCM Circuit Diagram Part 10: