Curiosii for ever!: Car repair manuals for everyone.

Engine: Service and Repair

Engine Removal

NOTE:
^ Use fender covers to avoid damaging painted surfaces.
^ To avoid damage, unplug the wiring connectors carefully while holding the connector portion.
^ Mark all wiring and hoses to avoid misconnection. Also, be sure that they do not contact other wiring or hoses, or interfere with other parts.

1. Secure the hood in the wide open position (support rod in the lower hole).
2. Make sure you have the anti-theft code for the radio, then write down the frequencies for the radio's preset buttons.
3. Relieve fuel pressure.
4. Disconnect the negative cable from the battery first, then disconnect the positive cable.
5. Remove the battery.





6. Remove the intake manifold cover.





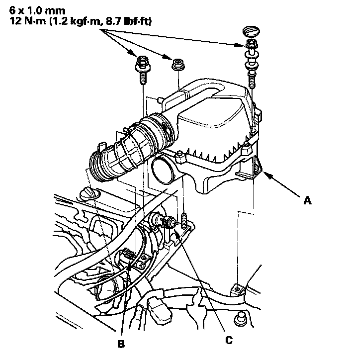
7. Disconnect the intake air temperature (IAT) sensor connector (A), and remove the breather hose (B), then remove the air cleaner housing (C).





8. Remove the intake air duct.





9. Remove the battery cable (A) from the under-hood fuse/relay box, then remove the harness clamps (B) and ground cable (C).





10. K20A3 engine: Remove the throttle cover (A). Fully open the throttle link and cruise control link by hand, then remove the throttle cable (B) and cruise control actuator cable (C) from the links. Loosen the locknuts (D), and remove the cables from the bracket.





11. K20A2, K20Z1 engines: Fully open the throttle link and cruise control link by hand, then remove the throttle cable (A) and cruise control actuator cable (B) from the links. Loosen the locknuts (C), and remove the cables from the bracket.





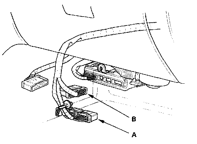
12. Disconnect the engine control module (ECM)/ powertrain control module (PCM) connectors (A) and main wire harness connector (B).





13. Remove the harness clamps (A) and grommet (B), then pull the engine wire harness through the bulkhead.
14. Remove the fuel feed hose.





15. Remove the evaporative emission (EVAP) canister hose (A) and brake booster vacuum hose (B).





16. Remove the clutch slave cylinder (A) and clutch line bracket mounting bolt (B) (M/T).





17. Remove the shift cable (A) and select cable (B) (M/T).
18. Remove the drive belt.





19. Remove the power steering (P/S) pump without disconnecting the P/S hoses.





20. Remove the bolt securing the P/S hose bracket.
21. Remove the radiator cap.
22. Raise the vehicle on the hoist to full height.
23. Remove the front tires/wheels.





24. Remove the splash shield.
25. Loosen the drain plug in the radiator, and drain the engine coolant.
26. Drain the transmission fluid:
^ Manual transmission.
^ Automatic transmission.
27. Drain the engine oil.





28. Disconnect the air fuel ratio (A/F) sensor connector (A) and secondary heated oxygen sensor (secondary HO2S) connector (B).
29. Remove the three way catalytic converter (TWC) assembly (C).
30. 2005 model: Check the flexible joint gasket (D) for damage. If the flexible joint gasket is damaged, replace the flexible joint gasket.

NOTE: Do not reuse the flexible joint gasket, when removing it.

31. Disconnect the suspension lower arm ball joints and the stabilizer links.
32. Remove the driveshafts. Coat all precision finished surfaces with clean engine oil. Tie plastic bans over the driveshaft ends.





33. Remove the shift cable holder (A), then remove the shift cable cover (B). To prevent damage to the control lever joint, be sure to remove the bolts securing the shift cable cover (A/T).
34. Remove the spring clip (C) and control pin (D), then separate the shift cable (E) from the control lever (F) (A/T).





35. Remove the lower hose.





36. Remove the automatic transmission fluid (ATF) filter mounting bolt (A) (A/T).
37. Remove the ATF cooler hoses (B), then plug the ATF cooler hoses and lines (A/T).
38. Lower the hoist.





39. Remove the upper hose (A) and heater hoses (B).
40. Remove the radiator.





41. Attach the chain hoist to the engine as shown.





42. Remove the transmission mount bracket support bolt/nuts.





43. Remove the upper bracket mounting bolt and nut.
44. Make sure the hoist brackets are positioned properly. Raise the hoist to full height.





45. Remove the rear mount mounting bolts.





46. Remove the front mount bracket mounting bolt.





47. Use a marker to make alignment marks on the reference lines (A) that align with the centers of the rear subframe mounting bolts (B).
48. Remove the front subframe (C).





49. Disconnect the compressor clutch connector (A), then remove the A/C compressor (B) without disconnecting the A/C hoses.
50. Check that the engine/transmission is completely free of vacuum hoses, fuel and coolant hoses, and electrical wiring.
51. Slowly lower the engine about 150 mm (6 inch). Check once again that all hoses and wires are disconnected from the engine/transmission.
52. Lower the engine all the way. Remove the chain hoist from the engine.
53. Remove the engine from under the vehicle.

Engine Installation





1. Install the accessory brackets, and tighten their bolts to the specified torques.
2. Position the engine under the vehicle. Attach the chain hoist to the engine, then lift the engine into position in the vehicle.

NOTICE: Reinstall the mounting bolts/support nuts in the sequence given. Failure to follow this sequence may cause excessive noise and vibration, and reduce bushing life.





3. Install the A/C compressor (A), and connect the compressor clutch connector (B).





4. Install the subframe (A). Align the reference lines (B) on the subframe with the bolt head center, then tighten the bolts.





5. Tighten the rear mount mounting bolts.





6. Loosely tighten the new front mount bracket mounting bolt.
7. Lower the hoist.





8. Tighten the upper bracket mounting bolt and nut.





9. Tighten the support bolt/nuts.
10. Raise the vehicle on the hoist to full height.





11. Loosen the front engine mount bracket mounting bolt, then tighten it to the specified torque.
12. Lower the hoist.
13. Remove the chain hoist from the engine.
14. Raise the hoist to full height.





15. Install the shift control cable (A) (A/T).
16. Install the shift cable cover (B), then install the shift control cable bracket (C) (A/T).
17. Install a new spring clip on the end of each driveshaft, then install the driveshafts. Make sure each clip clicks into place in the differential and intermediate shaft.
18. Connect the suspension lower arm ball joints and stabilizer links.





19. 2002-2004 models: Install the new flexible joint gasket (A).
2005 model: Check the flexible joint gasket (A) for damage. If the flexible joint gasket is damaged, replace the flexible joint gasket.

NOTE: Do not reuse the flexible joint gasket, when removing it.

20. Install the three way catalytic converter (TWC) assembly (B); use new gasket (C) and new self locking nuts (D).
21. Connect the air fuel ratio (A/F) sensor connector (E) and secondary heated oxygen sensor (secondary HO2S) connector (F).
22. Install the radiator.





23. Install the lower radiator hose.





24. Tighten the automatic transmission fluid (ATF) filter mounting bolt (A), and install the ATF cooler hoses (B) (A/T).





25. Install the splash shield.
26. Lower the hoist.





27. Install the upper radiator hose (A) and heater hoses (B).





28. Install the P/S pump.





29. Install the bolt securing the power steering (P/S) hose bracket.
30. Install the drive belt.





31. Push the engine control module (ECM)/powertrain control module (PCM) connectors through the bulkhead, then install the grommet (A).
32. Install the harness clamps (B).





33. Connect the ECM/PCM connectors (A) and main wire harness connector (B).
34. Install the throttle cable, then adjust the cable.
35. Install the cruise control actuator cable, then adjust the cable.





36. Install the brake booster vacuum hose (A) and the evaporative emission (EVAP) canister hose (B).
37. Install the fuel feed hose.





38. Install the select cable (A) and shift cable (B) using the plastic washers (C), washers (D), and new cotter pins (E) (M/T).





39. Install the clutch slave cylinder (A) and clutch line bracket mounting bolt (B) (M/T).





40. Install the battery cable (A) on the under-hood fuse/relay box, then install the harness clamps (B).
41. Install the ground cable (C).





42. Install the intake air duct.





43. Install the air cleaner housing (A) and connect the intake air temperature (IAT) sensor connector (B).
44. Install the breather hose (C).





45. Install the intake manifold cover.
46. Install the battery. Clean the battery posts and cable terminals with sandpaper, then assemble them and apply grease to prevent corrosion.
47. Move the shift lever to each gear, and verify that the (A/T). gear position indicator follows the transmission range switch (A/T).
48. Check that the transmission shifts into gear smoothly (M/T).
49. Inspect for fuel leaks. Turn the ignition switch ON (II) (do not operate the starter) so the fuel pump runs for about 2 seconds and pressurizes the fuel line. Repeat this operation two or three times, then check for fuel leakage at any point in the fuel line.
50. Refill the engine with engine oil.
51. Refill the transmission with fluid:
^ Manual transmission.
^ Automatic transmission.
52. Refill the radiator with engine coolant, and bleed air from the cooling system with the heater valve open.
53. Do the ECM/PCM idle learn procedure.
54. 2005 model: Do the crankshaft position (CKP) pattern clear/CKP pattern learn procedure.
55. Do the power window control unit reset procedure.
56. Inspect the idle speed.
57. Inspect the ignition timing.
58. Check the wheel alignment.
59. Enter the anti-theft code for the radio, then enter the customer's radio station presets.
60. Set the clock.