Curiosii for ever!: Car repair manuals for everyone.

A/T Clutch Pressure Control Solenoid Valve B Test

A/T Clutch Pressure Control Solenoid Valve B Test
1. Connect the HDS to the DLC (A).





2. Choose Clutch Pressure Control (Linear) Solenoid B in Miscellaneous Test Menu on the HDS.
3. Test the A/T clutch pressure control solenoid valve B with the HDS.
- If the valve tests OK, the test is complete. Disconnect the HDS.
- If the valve does not test OK, follow the instructions on the HDS.
- If the valve does not test OK, and the HDS does not determine the cause, go to step 4.

4. Get the customer's radio and navigation anti-theft codes, and write down the radio presets.
5. Remove the battery trim and left upper fender cover.
6. Disconnect the negative terminal from the battery, then disconnect the positive terminal.
7. Remove the battery hold-down bracket, and remove the battery and battery tray.
8. Remove the air intake duct and air cleaner housing.
9. Remove the battery base.
10. Disconnect the A/T clutch pressure control solenoid valve B connector.





11. Measure the A/T clutch pressure control solenoid valve B resistance at the connector terminals.
Standard: 3 - 10 ohms
- If the resistance is out of standard, replace the A/T clutch pressure control solenoid valve A.
- If the resistance is within the standard, go to step 12.

12. Connect the negative battery terminal to the solenoid valve B connector terminal No. 2, and connect the positive battery terminal to the connector terminal No. 1.
- If a clicking sound is heard, the valve is OK. Reconnect the connector, and install all removed parts.
- If no clicking sound is heard, go to step 13.

13. Remove the nuts securing the shift cable bracket (A).





14. Remove the spring clip/washer (B) and the control pin (C), then separate the shift cable end (D) from the control lever (E).
15. Disconnect the connectors from the A/T clutch pressure control solenoid valve A, B, solenoid harness, transmission range switch, ATF temperature sensor, output shaft (countershaft) speed sensor, input shaft (mainshaft) speed sensor, 3rd clutch transmission fluid pressure switch, and 4th clutch transmission fluid pressure switch.
16. Remove the bolt securing the harness, cover (A).





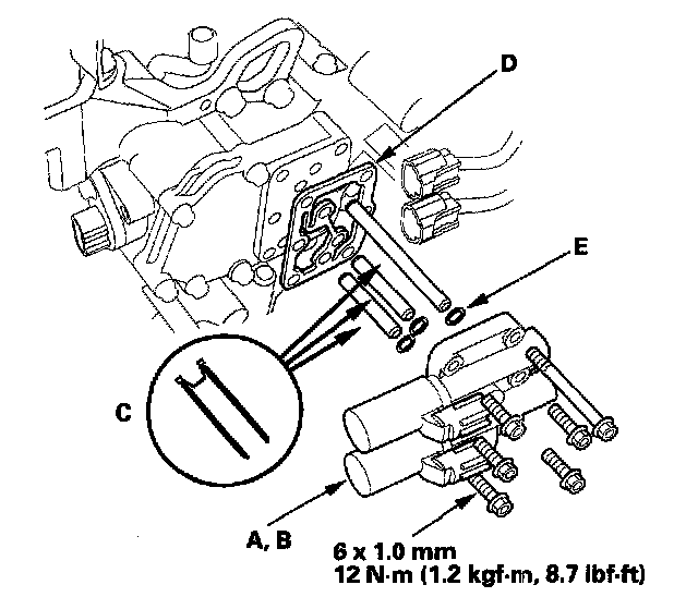
17. Remove the A/T clutch pressure control solenoid valve A and B, ATF pipes (C), gasket (D), and O-rings (E).





18. Check the fluid passage of the solenoid valve for contamination.
19. Connect the negative battery terminal to A/T clutch pressure control solenoid valve B connector terminal No. 2, and connect the positive battery terminal to the connector terminal No. 1. Make sure A/T clutch pressure control solenoid valve B moves.





20. Disconnect one of the battery terminals and check the valve movement at the fluid passage in the valve body mounting surface. If the valve binds or moves sluggishly, or if the solenoid valve does not operate, replace the A/T clutch pressure control solenoid valve A and B.
21. Clean the mounting surfaces and the fluid passages of the solenoid valve body and the solenoid valve cover.
22. Install the new solenoid valve body gasket on the solenoid valve cover, and install the ATF pipes with the filter end in the transmission housing. Install the new O-rings over the ATF pipes.
23. Install the A/T clutch pressure control solenoid valve A and B.
24. Secure the harness cover with the bolt.
25. Check the connectors for rust, dirt, or oil, clean or repair if necessary, then connect the connectors securely.
26. Attach the shift cable end to the control lever, then insert the control pin into the control lever hole through the shift cable end, and secure the control pin with the spring clip/washer.
27. Secure the shift cable bracket with the nuts.
28. Install the battery base.
29. Install the air intake duct and air cleaner housing.
30. Install the battery tray, battery, and battery hold down bracket, then connect the battery terminals.
31. Install the left upper fender cover and battery trim.
32. Enter the radio and navigation anti-theft codes, then enter the radio presets, and set the clock.
33. Do the steering column position memorization procedures.
34. Do the power window control unit reset procedure.