Curiosii for ever!: Car repair manuals for everyone.

Heater Core: Service and Repair

Heater Unit/Core Replacement

SRS components are located in this area. Review the SRS component locations, and the precautions and procedure, before performing repairs or service.

1. Make sure you have the anti-theft codes for the radio and the navigation system, then write down the radio presets.
2. Make sure the ignition is OFF, then disconnect the negative cable from the battery.
3. Disconnect the suction and receiver lines from the evaporator core.




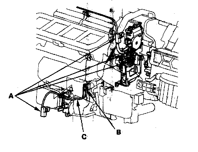
4. From under the hood, open the cable clamp (A), then disconnect the heater valve cable (B) from the heater valve arm (C). Turn the heater valve arm to the fully opened position as shown.
5. When the engine is cool, drain the engine coolant from the radiator.




6. Slide the hose clamps (A) back. Remove the bolt and water valve bracket, then disconnect the inlet heater hose (B) and the outlet heater hose (C) from the heater unit. Engine coolant will run out when the hoses are disconnected; drain it into a clean drip pan. Be sure not to let cool ant spill on the electrical parts or the painted surfaces. If any coolant spills, rinse it off immediately.




7. Remove the mounting nut from the heater unit. Take care not to damage or bend the fuel lines and the brake lines, etc.

8. Remove the dashboard.




9. Disconnect the connectors (A) from the power tilt/telescopic steering control unit, the adaptive front lighting control unit, the power steering control unit, and the daytime running lights control unit. Remove the relay (B) and the power tilt/telescopic steering control unit (C), then remove the self-tapping screws and the bracket (D).




10. Disconnect the connectors (A) from the driver's cool vent control motor, the driver's air mix control motor, the mode control motor, and the evaporator temperature sensor, then remove the wire harness clips (B).




11. Disconnect the connectors (A) from the blower motor, the power transistor, the control motor relay, the throttle-actuator control module subharness, and dashboard wire harnesses. Remove the connector clip (B) and the wire harness clips (C).




12. Disconnect the connectors (A) from the recirculation control motor, the passenger's cool vent control motor, the passenger's air mix control motor, and the rear vent control motor, and then remove the wire harness clip (B) and the wire harness (C).




13. Remove the clips (A) the mounting nuts, and the blower-heater unit (B).




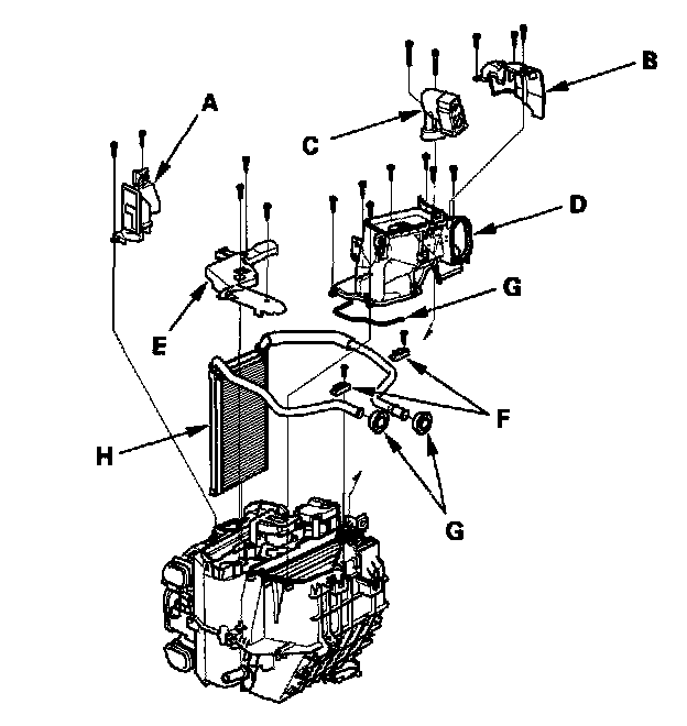
14. Remove the self-tapping screws and the passenger's heater duct (A) and the expansion valve cover (B) then remove the bolts, and the expansion valve (C). Remove the self-tapping screws, the joint duct (D), and the heater core cover (E). Remove the self-tapping screws, the heater pipe brackets (F), and the grommets (G), and carefully pull out the heater core (H).
15. Install the heater core and the evaporator core in the reverse order of removal.
16. Install the heater unit in the reverse order of removal, and note these items:
- Do not interchange the inlet and outlet heater hoses, and install the hose clamps securely.
- Refill the cooling system with engine coolant.
- Adjust the heater valve cable.
- Make sure that there is no coolant leakage.
- Make sure that there is no air leakage.
- Refer to evaporator core replacement.
- Enter the anti-theft codes for the radio and the navigation system, then enter the customer's radio presets.