Curiosii for ever!: Car repair manuals for everyone.

Engine Installation

Engine Installation
Special Tools Required
^ Frame positioning guide pin 070AG-SJAA100
^ Front subframe adapter VSB02C000016 *
^ Engine support hanger, A and Reds AAR-T-12566 *
^ Engine hanger balance bar VSB02C000019 *
* Available through Acura Tool and Equipment program, 888-424-6857





1. Install the accessory brackets and tighten their bolts and nuts to the specified torques.





2. Position the engine/transmission assembly under the vehicle. Be sure that they are properly aligned. Carefully lower the vehicle until the engine and transmission are properly positioned in the engine compartment. Make sure the vehicle is not resting on any part of the engine or transmission. Lift and support the engine with a chain hoist (A) and carefully raise the engine/transmission assembly into place.

NOTE: Reinstall the mounting bolts/support nuts in the sequence given in the following steps. Failure to follow this sequence may cause excessive noise and vibration, and reduce engine mount life.





3. Install the two bolts securing the upper bracket. Tighten the bolts to the specified torque.





4. Install the engine balancer bar (VSB020O00019); attach the front arm (A) to the front cylinder head with a spacer (B) and 10 x 1.25 mm bolt (C), attach the rear arm (D) to the rear cylinder head with 8 x 1.25 mm bolt (E).
5. Install the engine support hanger (AAR-T-12566) to the vehicle, and attach the hook to the slotted hole in the engine balancer bar. Tighten the wing nut (F) by hand to lift and support the engine/transmission assembly.
6. Remove the chain hoist, then raise the vehicle on the hoist to full height.





7. Attach the front subframe adapter to the subframe by hanging the belt (A) over the front of the subframe (B), then secure the belt with its stop (C). Raise the subframe up to the body with a jack.





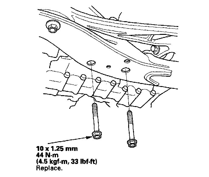
8. Loosely install the four subframe mounting bolts (A), four 10 x 1.25 mm bolts (B), and two 12 x 1.25 mm bolts (C) with the stiffeners.





9. Insert the special tool through the positioning slot (A) on the right rear stiffener, through the positioning hole (B) on the subframe, and into the positioning hole (C) on the body, then loosely tighten the subframe right rear mounting bolt.
10. Insert the special tool through the positioning slot on the left rear stiffener, through the positioning hole on the subframe, and into the positioning hole on the body, then loosely tighten the subframe left rear mounting bolt.
11. Loosely tighten the subframe right/left front mounting bolts.
12. Loosen the subframe right rear mounting bolt, then retighten the subframe right rear mounting bolt to the specified torque.
13. Tighten the subframe left rear mounting bolt to the specified torque.
14. Tighten the subframe right/left front mounting bolts to the specified torque.
15. Check that the positioning slots on the right/left rear stiffener, the positioning holes on the subframe, and the positioning holes on the body are aligned using the special tool.
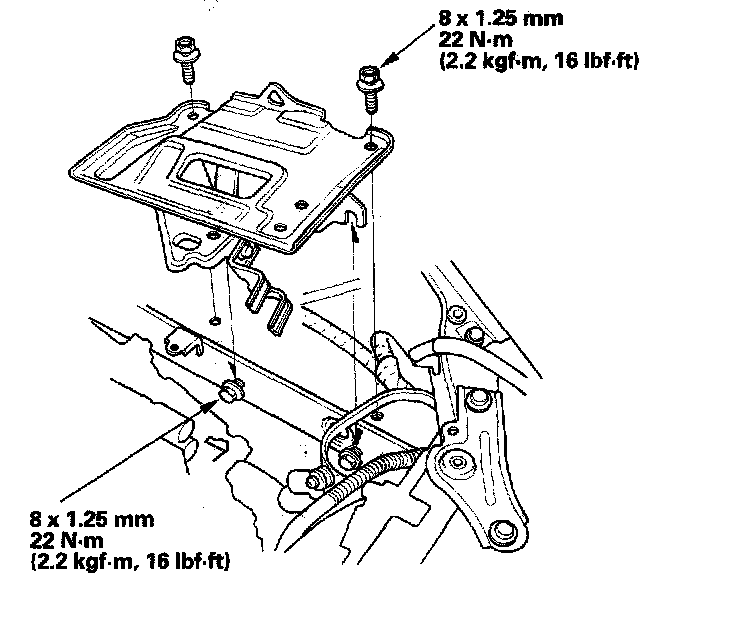
16. Tighten the stiffener mounting bolts to the specified torque.
17. Remove the jack and front subframe adapter.





18. Tighten the bolts securing the transmission lower mount.
19. Lower the vehicle on the hoist, then remove the engine hanger and balancer bar.





20. Install the shift cable and tighten the bolt (A) securing the shift cable bracket.
21. Install the vacuum hose (B).
22. Tighten the rear mount bolt (C), then install the rear mount stop (D).





23. Install the vacuum hose (A).
24. Tighten the front mount bolt (B), then install the front mount stop (C).





25. Loosen the mounting bolts for the upper half of the side engine mount bracket, then retighten them to the specified torque.
26. Raise the vehicle on the hoist to full height.





27. Connect the power steering pressure switch connector.





28. Connect the connector to the steering gearbox.





29. Install the Power steering (P/S) hose.
30. Install the transfer assembly.
31. Install the propeller shaft.
32. Install the ATF cooler hoses to the transmission.





33. Install exhaust pipe assembly (A) using new gaskets (B) and new self-locking nuts (C).
34. Install a new set ring on the end of each driveshaft, then install the driveshafts. Make sure each ring "clicks" into place in the differential and intermediate shaft.
35. Connect the suspension lower arm to the knuckles.
36. Connect the tie-rod end ball joints to the knuckles.
37. Install the damper fork.
38. Connect the stabilizer links.





39. Install the splash shield.
40. Install the front wheels.
41. Lower the vehicle on the hoist.





42. Install the A/C compressor.
43. Install the radiator.





44. Install the heater hoses.





45. Install the upper radiator hose (A) and lower radiator hose (B).





46. Install the connector bracket to the front cylinder head.





47. Install the engine mount control solenoid valve bracket to the rear cylinder head.





48. Align the reference mark (A) on the steering joint and steering gearbox pinion shaft. Connect the steering joint (B) to the steering gearbox pinion shaft (C). Tighten the steering joint bolt.
49. Install the steering joint cover (D).
50. Install the steering wheel.





51. Install the heat shield.





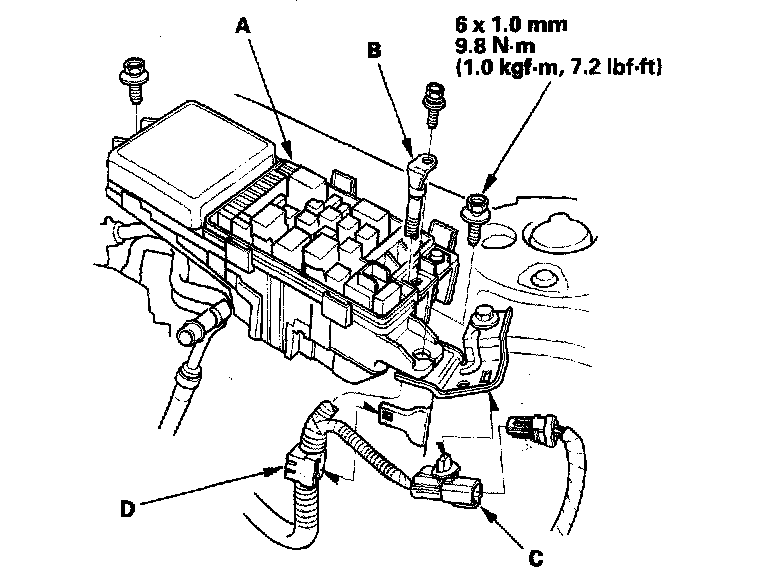
52. Install the P/S pump outlet line (A) with a new O-ring (B).
53. Install the P/S hose (C) to the clamp.
54. Install the power steering system fluid reservoir to the clamp.
55. Install the drive belt.
56. Install the shift cable.





57. Install the brake booster vacuum hose (A) and evaporative emission (EVAP) canister hose (B).





58. Connect the fuel feed hose, then install the quick-connect fitting cover (A).





59. Install the strut brace (A), then install the connector (B) and transfer breather hose (C).





60. Connect the engine wire harness connectors (A), then install the harness clamp (B).





61. Install the under-hood fuse/relay box (A), then install the battery cable (B).
62. Connect the harness connector (C), then. install the harness clamp (D).





63. Install the battery base.





64. Install the harness clamps (A), starter cable (B), and ground cable (C).





65. Install the air intake duct cover.
66. Install the air cleaner.
67. Install the battery. Clean the battery posts and cable terminals with sandpaper, then assemble them and apply grease to prevent corrosion.
68. Move the shift lever to each gear, and verify that the A/T gear position indicator follows the transmission range switch.
69. Inspect for fuel leaks. Turn the ignition switch ON (II) (do not operate the starter) so the fuel pump runs for about 2 seconds and pressurizes the fuel line. Repeat this operation two or three times, then check for fuel leakage at any point in the fuel line.
70. Refill the engine with engine oil.
71. Refill the transmission with ATF.
72. Refill the radiator with engine coolant, and bleed air from the cooling system with the heater valve open.
73. install the return hose to the power steering fluid reservoir. Refill the power steering system fluid.
74. Do the crankshaft position (CKP) pattern clear/CKP pattern learn procedure.
75. Inspect the idle speed.
76. Inspect the ignition timing.





77. Install the cowl cover (A) and upper grille cover (B).
78. Install the left upper fender trim (C), battery trim (D), right upper fender trim (E), and intake manifold cover (F).
79. Install the windshield wiper arms.
80. Enter the anti-theft codes for the radio and the navigation system, then enter the customer's audio presets.
81. Do the power window control unit reset procedure.
82. Do the steering column position memorization procedure.
83. Set the clock.