Curiosii for ever!: Car repair manuals for everyone.

Circuit Diagrams

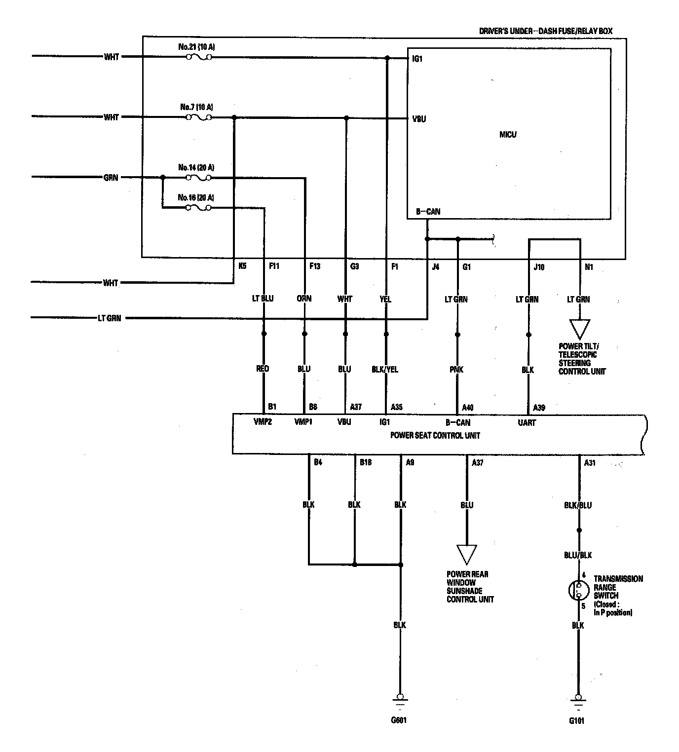
Driving Position Memory System (DMPS) - Circuit Diagram - Power Seat Part 1:



Driving Position Memory System (DMPS) - Circuit Diagram - Power Seat Part 2:



Driving Position Memory System (DMPS) - Circuit Diagram - Power Seat Part 1:



Driving Position Memory System (DMPS) - Circuit Diagram - Power Seat Part 2:



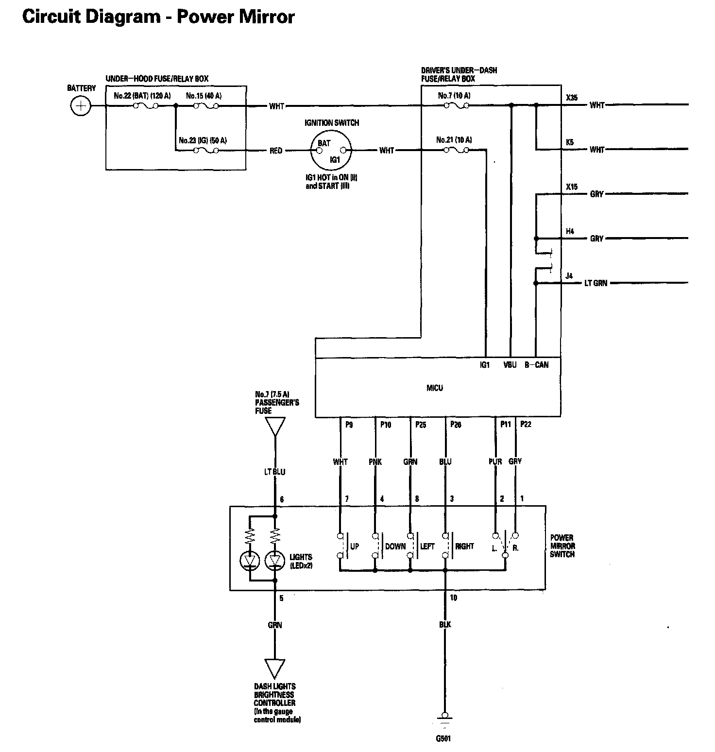
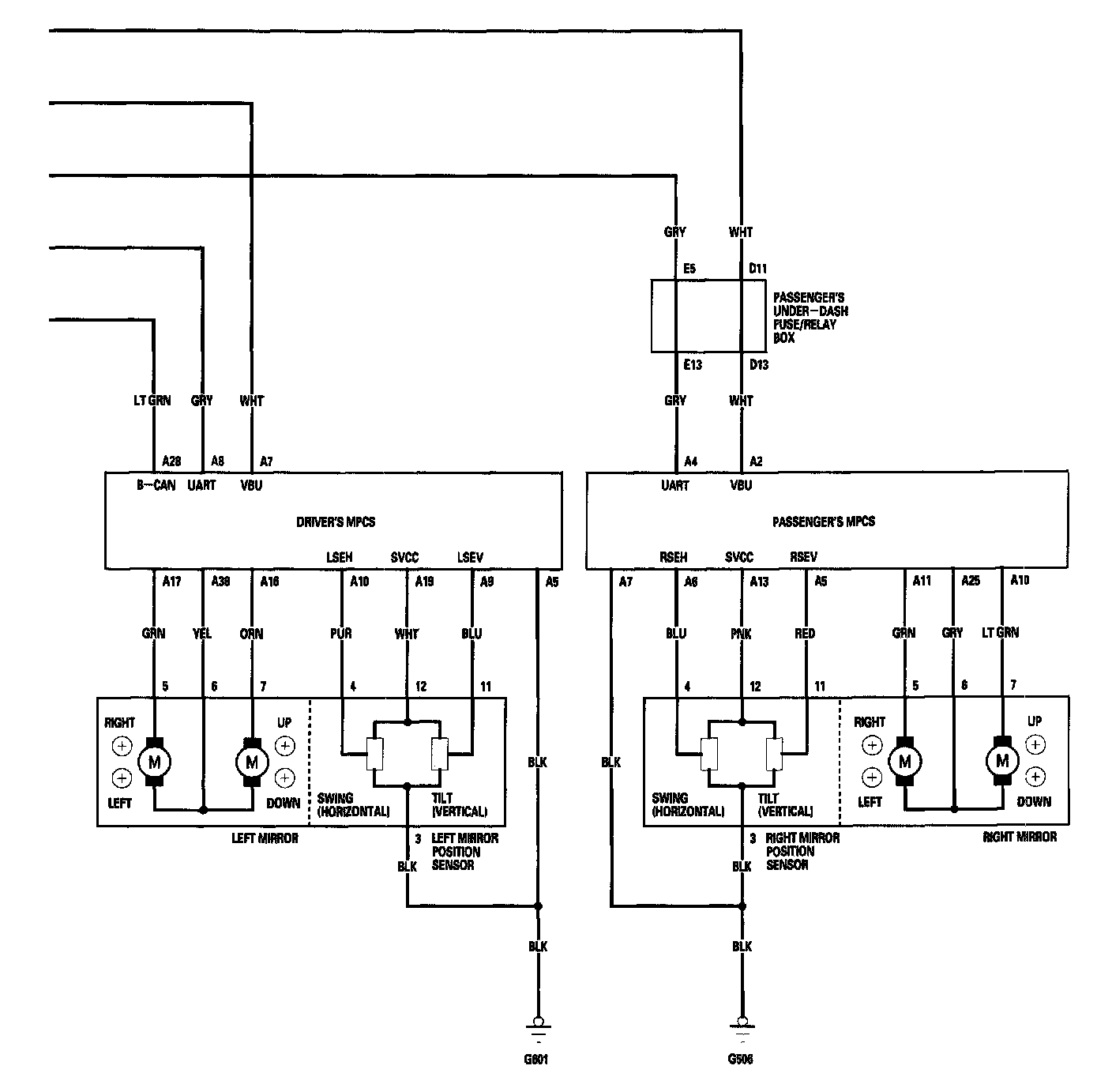
Driving Position Memory System (DMPS) - Circuit Diagram - Power Mirror Part 1:



Driving Position Memory System (DMPS) - Circuit Diagram - Power Mirror Part 2:



Driving Position Memory System (DMPS) - Circuit Diagram - Power Tilt/telescopic Steering: