Curiosii for ever!
: Car repair manuals for everyone.
Home
>>
Acura
>>
2005
>>
RL V6-3.5L
>>
Repair and Diagnosis
>>
Diagrams
>>
Electrical Diagrams
>>
Cruise Control
>>
ACC System (Adaptive Cruise Control)
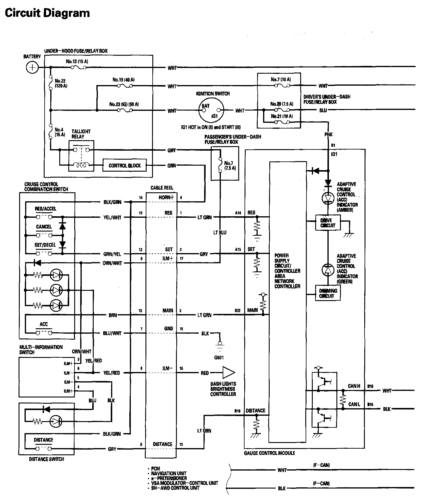
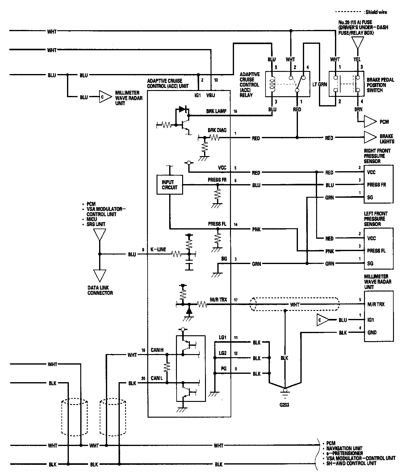
ACC System (Adaptive Cruise Control)
Adaptive Cruise Control (ACC) - Circuit Diagram Part 1:
Adaptive Cruise Control (ACC) - Circuit Diagram Part 2: