Curiosii for ever!: Car repair manuals for everyone.

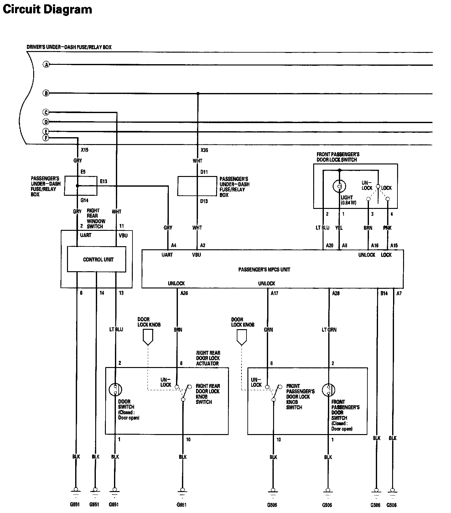
Keyless/Power Door Locks/Security System Circuit Diagram

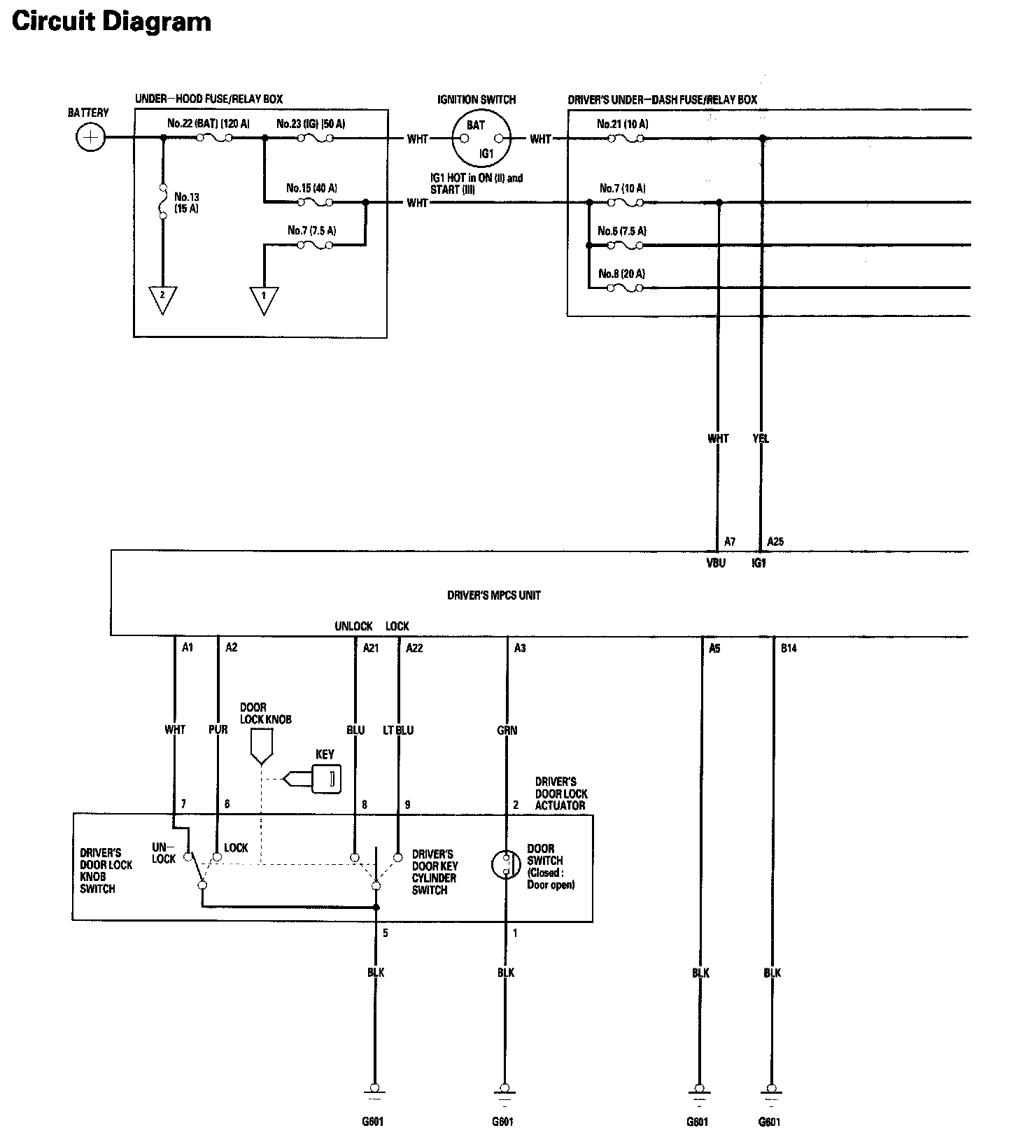
Keyless/power Door Locks/security System - Circuit Diagram Part 1:



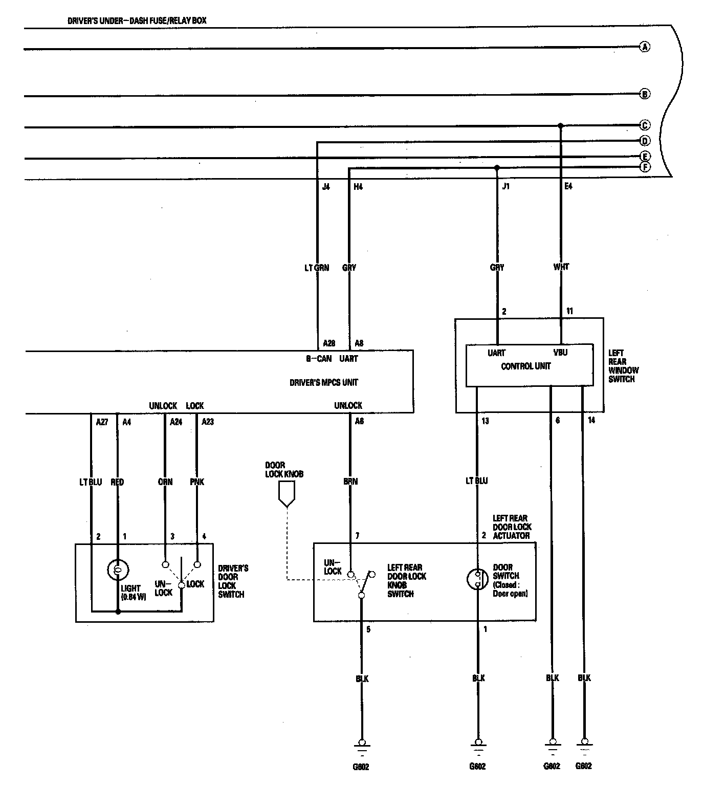
Keyless/power Door Locks/security System - Circuit Diagram Part 2:



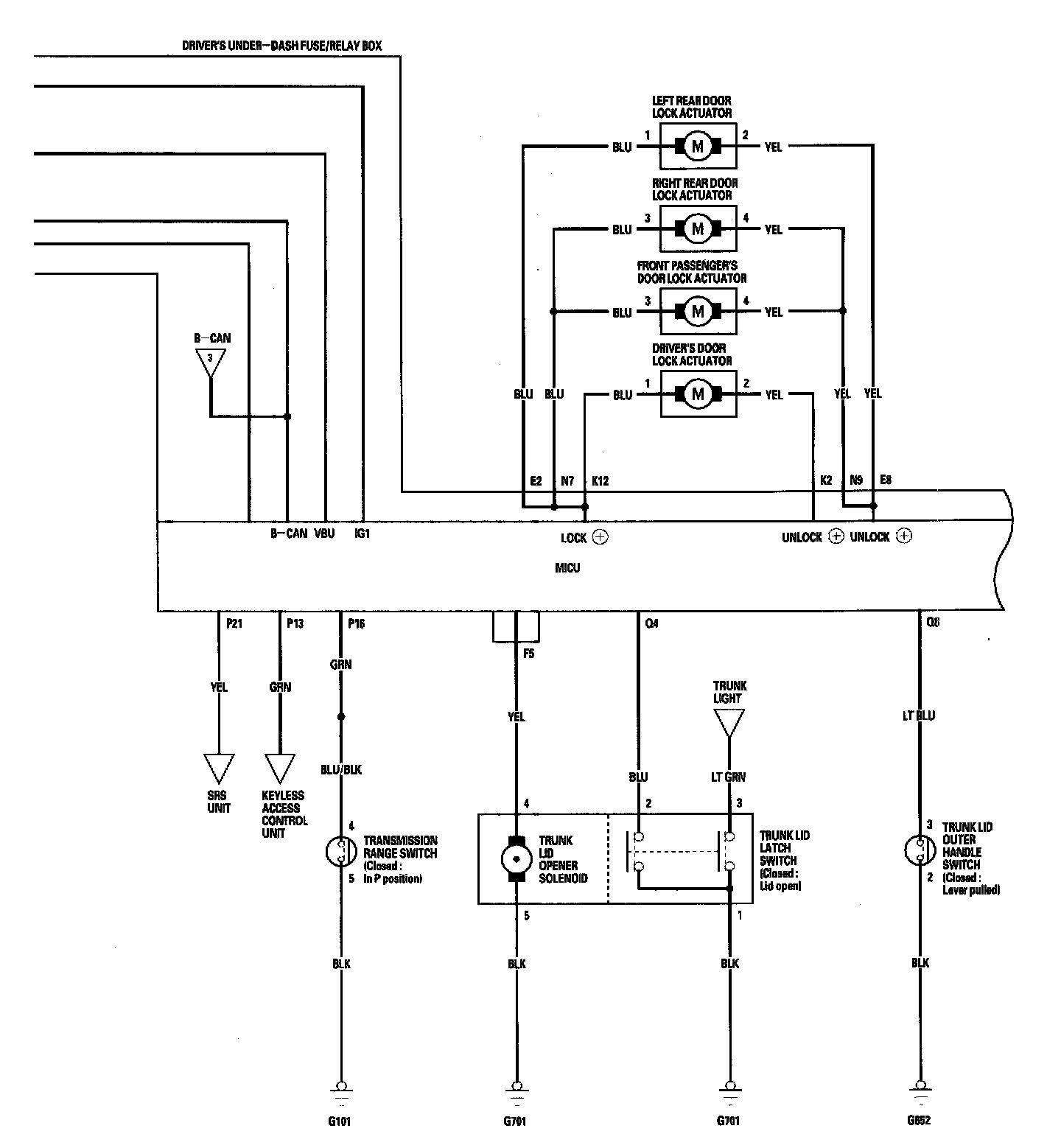
Keyless/power Door Locks/security System - Circuit Diagram Part 3:



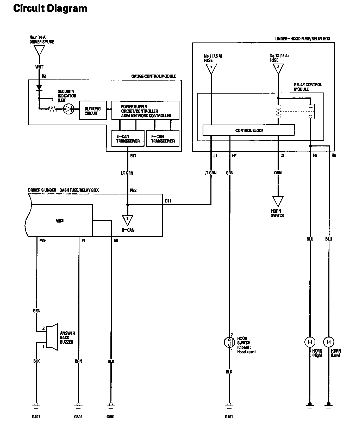
Keyless/power Door Locks/security System - Circuit Diagram Part 4:



Keyless/power Door Locks/security System - Circuit Diagram Part 5: