Curiosii for ever!: Car repair manuals for everyone.

Front Inner Fender Replacement

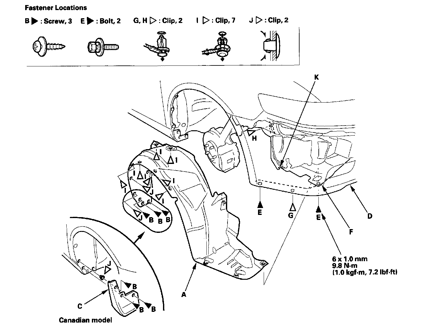
Front Inner Fender Replacement

NOTE: Take care not to scratch the body.




1. Remove the front inner fender (A).
1. On the back of the wheel arch, remove the screws (B) If equipped, remove the front splash guard (C) (Canadian model).
2. From under the front bumper (D), remove the bolts (E) securing the front bumper, splash shield (F), and front inner fender, and remove the clip (G) securing the front bumper and front inner fender.
3. From the wheel arch, remove the clips (H, I, J) securing the front inner fender (and splash shield) on the body.
4. Release the hook (K) of the splash shield, then remove the front inner fender.

2. Install the inner fender in the reverse order of removal, and note these items:
- Check for damaged or stress-whitened clips, and replace them with new ones.
- Push the clips into place securely.