Curiosii for ever!: Car repair manuals for everyone.

Wiper Motor: Service and Repair

Wiper Motor Replacement

1. Open the hood. Remove the left and right rear engine compartment covers.




2. Remove the caps, nuts (A), and the windshield wiper arms (B).
3. Remove the hood seals (C) and cowl covers (D).




4. Disconnect the 5P connector (A) from the wiper motor.
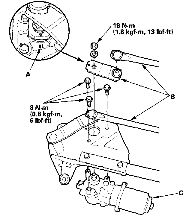
5. Remove the four bolts (B) and wiper linkage assembly (C).




6. Scribe a line (A) across the link and windshield wiper linkage to show the original adjustment. Separate the windshield wiper linkage (B) from the wiper motor (C).
7. Install in the reverse order to removal, and note these items:
- Apply multipurpose grease to the moving parts.
- Before reinstalling the wiper arms, turn the wiper switch ON, then OFF to return the wiper shafts to the park position.
- If necessary, replace any damaged clips.
- Check the wiper motor operation.