Curiosii for ever!: Car repair manuals for everyone.

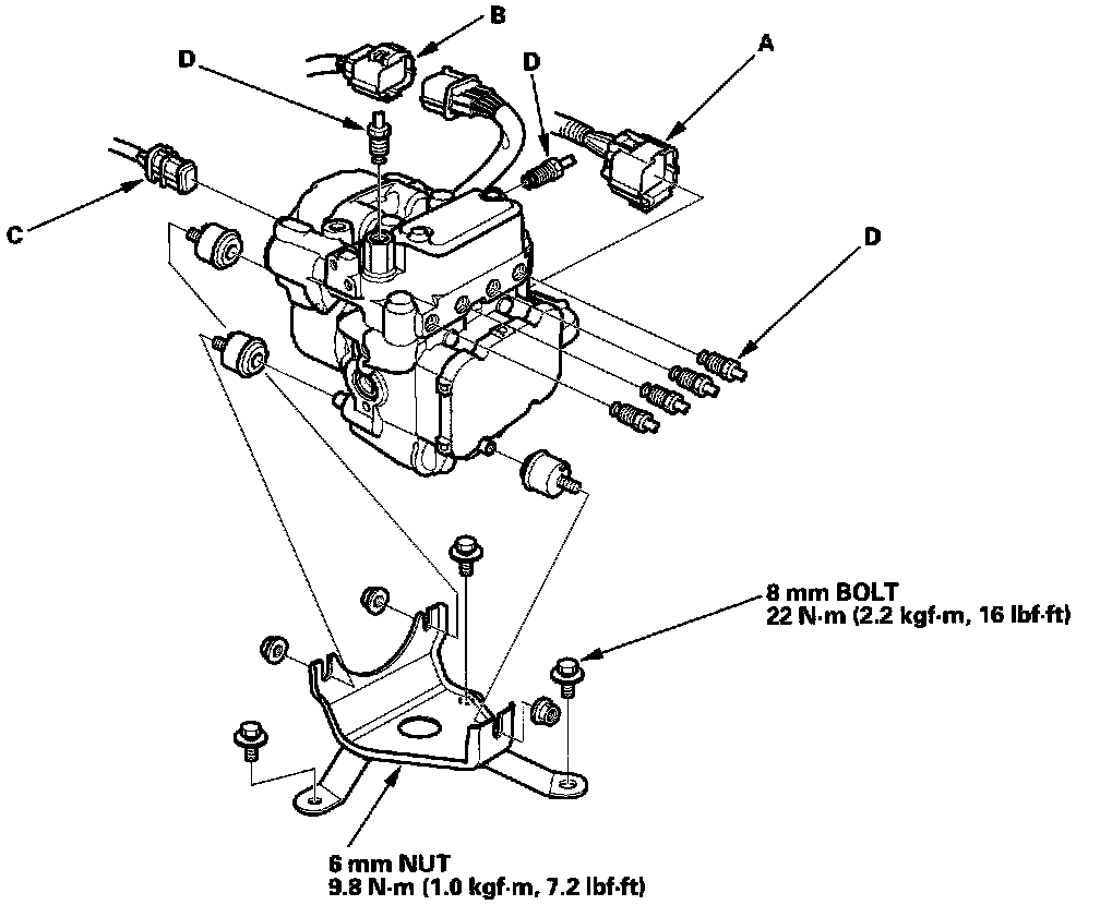
Modulator Unit Removal and Installation

Modulator Unit Removal and Installation

NOTE:
- Do not spill brake fluid on the vehicle; it may damage the paint; if brake fluid gets on the paint, wash it off immediately with water.
- Take care not to damage or deform the brake lines during removal and installation.
- To prevent the brake fluid from flowing, plug and cover the hose ends and joints with a shop towel or equivalent material.

Removal





1. Disconnect modulator unit connector A (10P), connector B (8P) and the pump motor 2P connector (c).
2. Disconnect the six brake lines (D), then remove the modulator unit.

Installation
1. Install the modulator unit in the reverse order of removal.
2. Bleed the brake system, starting with the front wheels.
3. Start the engine, and check that the ABS indicator and VSA system indicator go off.
4. Test-drive the vehicle, and check that the ABS indicator and VSA system indicator do not come on.