Curiosii for ever!: Car repair manuals for everyone.

Blower Unit Components Replacement




Blower Unit Components Replacement

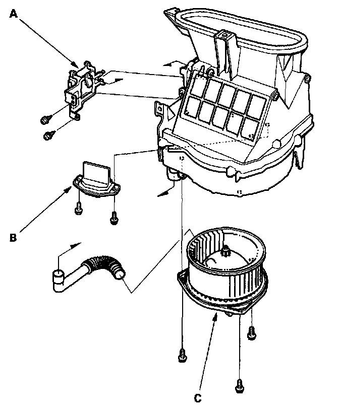
Note these items when overhauling the blower unit:

- The recirculation control motor (A), the power transistor (B) and the blower motor (C) can be replaced without removing the blower unit.
- Before reassembly, make sure that the recirculation control linkage and doors move smoothly without binding.
- After reassembly, make sure the recirculation control motor runs smoothly.