Curiosii for ever!
: Car repair manuals for everyone.
Home
>>
Acura
>>
2002
>>
CL V6-3.2L SOHC
>>
Repair and Diagnosis
>>
Heating and Air Conditioning
>>
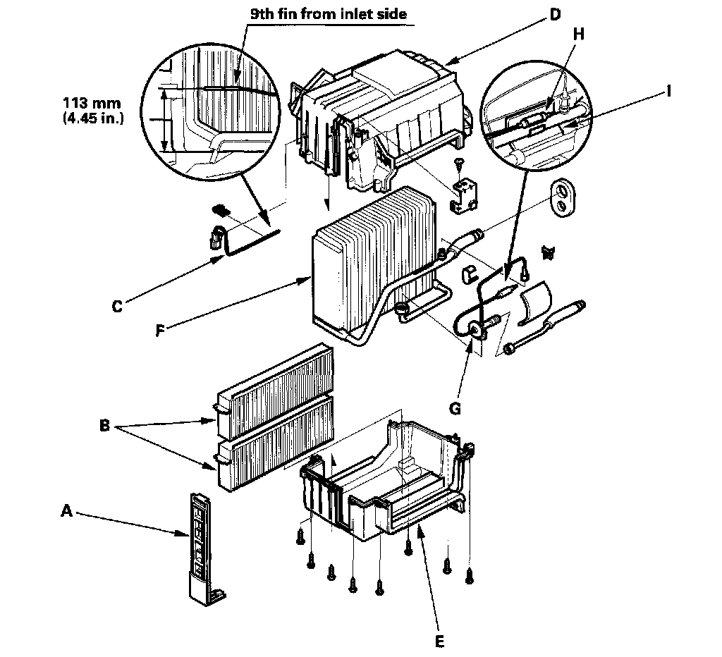
Evaporator Core
>>
Specifications
Evaporator Core: Specifications