Curiosii for ever!
: Car repair manuals for everyone.
Home
>>
Acura
>>
2002
>>
3.2TL TYPE S V6-3.2L SOHC
>>
Repair and Diagnosis
>>
Diagrams
>>
Electrical Diagrams
>>
Antitheft and Alarm Systems
>>
Alarm Module, (Vehicle Antitheft)
Alarm Module, (Vehicle Antitheft)
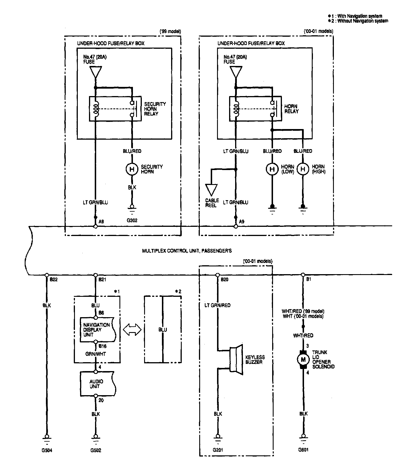
Keyless Entry / Security Alarm System - Circuit 1:
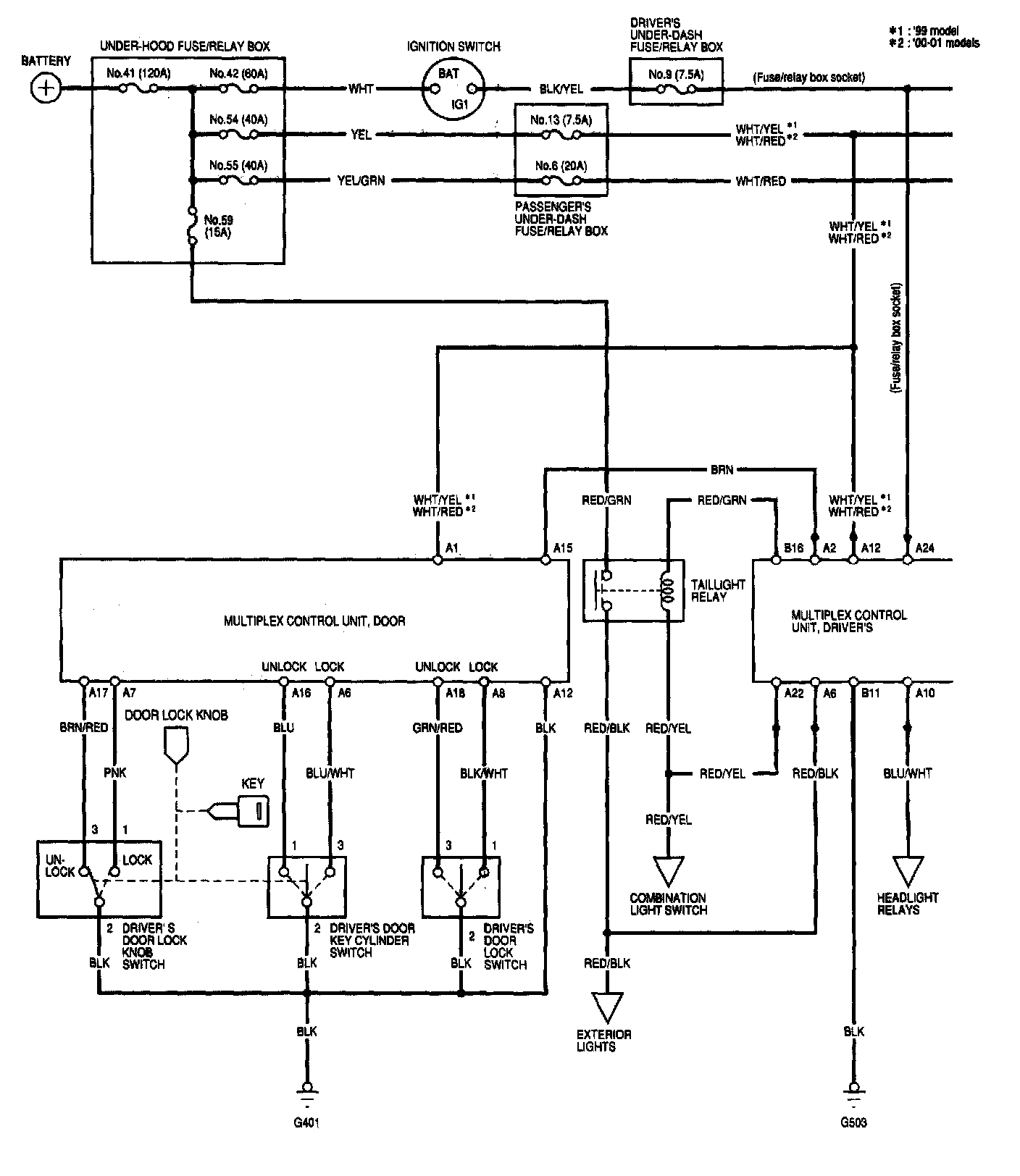
Keyless Entry / Security Alarm System - Circuit 2:
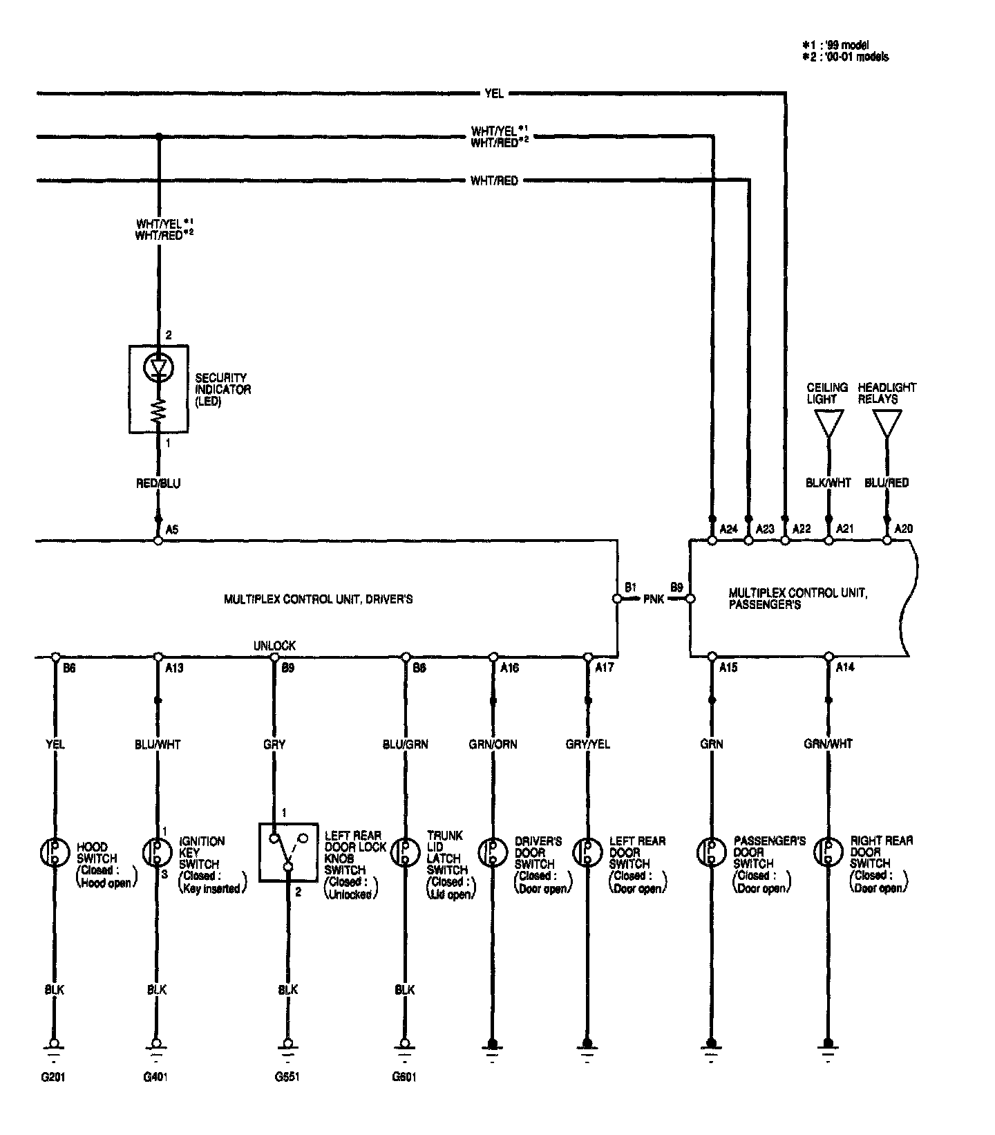
Keyless Entry / Security Alarm System - Circuit 3:
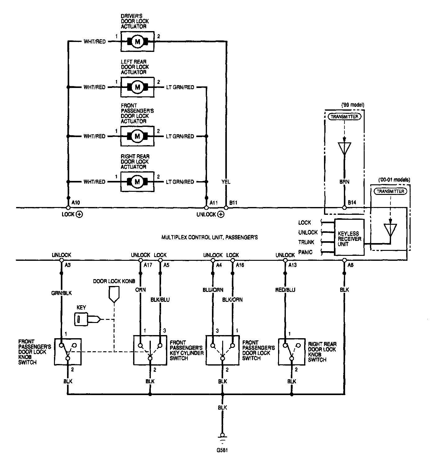
Keyless Entry / Security Alarm System - Circuit 4: