Curiosii for ever!: Car repair manuals for everyone.

Modulator Unit Removal and Installation

Modulator Unit Removal and Installation

NOTE:
- Do not spill brake fluid on the vehicle; it may damage the paint; if brake fluid gets on the paint, wash it off immediately with water.
- Be careful not to damage or deform the brake lines during removal and installation.
- To prevent the brake fluid from flowing, plug and cover the hose ends and joints with a shop towel or equivalent material.

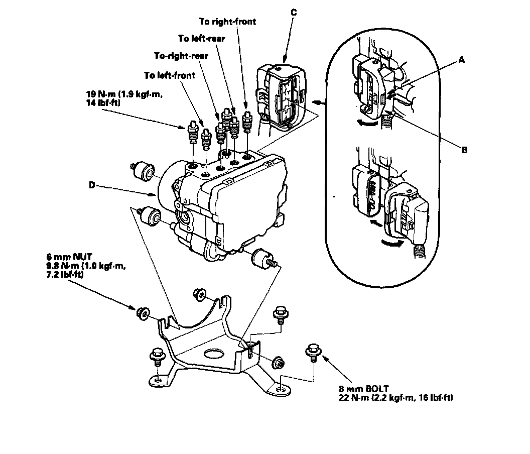
Removal
1. Push the modulator unit connector lock (A), and turn the connector lever (B).
2. Disconnect the modulator unit connector (C).
3. Disconnect the brake pipes, then remove the modulator unit (D).

Installation
1. Install the modulator unit in the reverse order of removal.
2. Bleed the brake system, starting with the front wheels.
3. Start the engine, and check that the ABS indicator and TCS indicator go off.





4. Test-drive the vehicle, and check that the ABS indicator and TCS indicator do not come on.