Curiosii for ever!
: Car repair manuals for everyone.
Home
>>
Acura
>>
1999
>>
NSX-T V6-3.0L DOHC (VTEC)
>>
Repair and Diagnosis
>>
Relays and Modules
>>
Relays and Modules - HVAC
>>
Control Module HVAC
>>
Description and Operation
>>
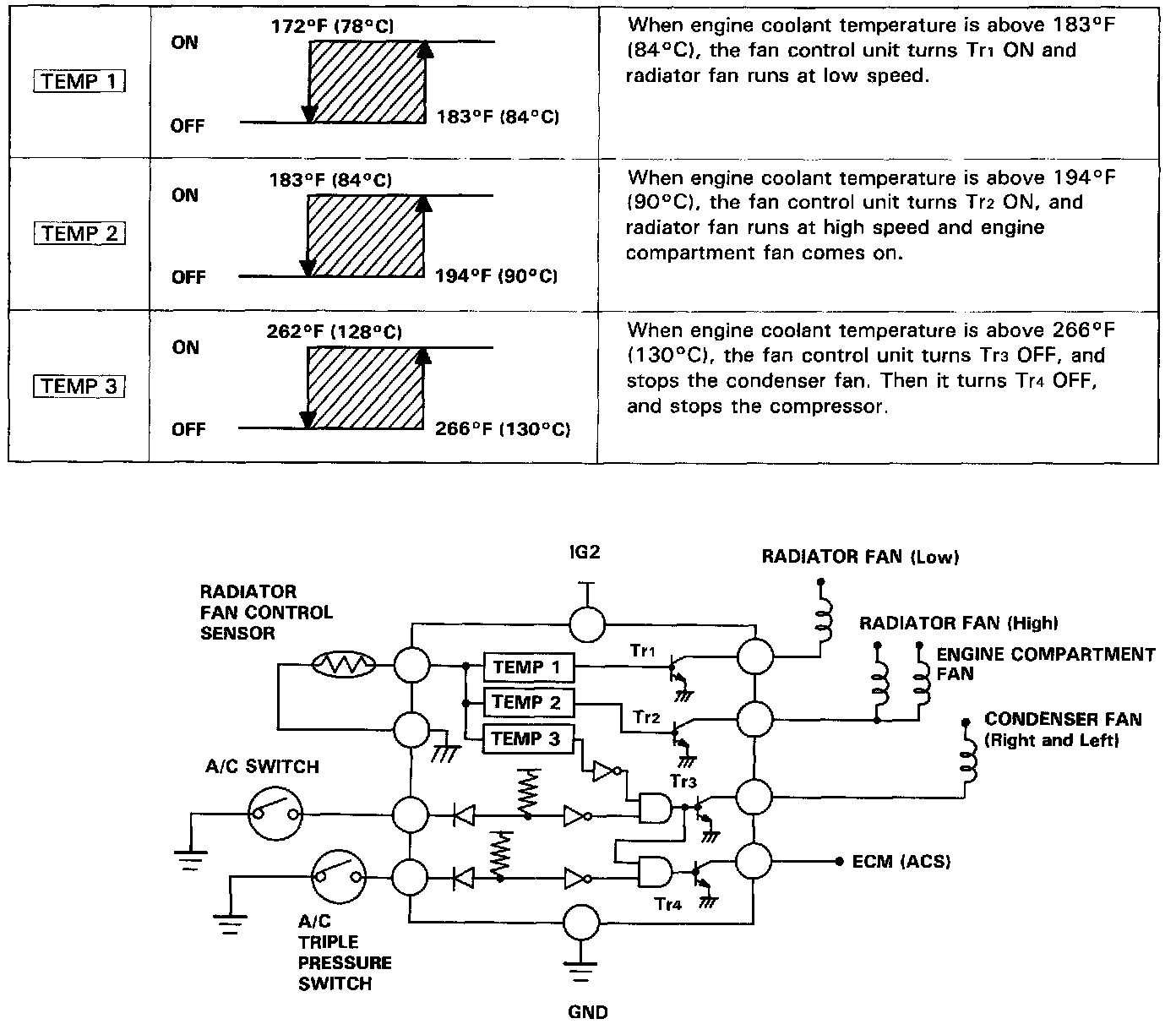
Fan Control Unit
Fan Control Unit
Fan Control Unit:
SRS components are located in this area. Review the SRS component locations, precautions, and procedures before performing repairs or service.