Curiosii for ever!
: Car repair manuals for everyone.
Home
>>
Acura
>>
1999
>>
NSX-T V6-3.0L DOHC (VTEC)
>>
Repair and Diagnosis
>>
Powertrain Management
>>
Computers and Control Systems
>>
Relays and Modules - Computers and Control Systems
>>
Body Control Module
>>
Diagrams
>>
Diagram Information and Instructions
>>
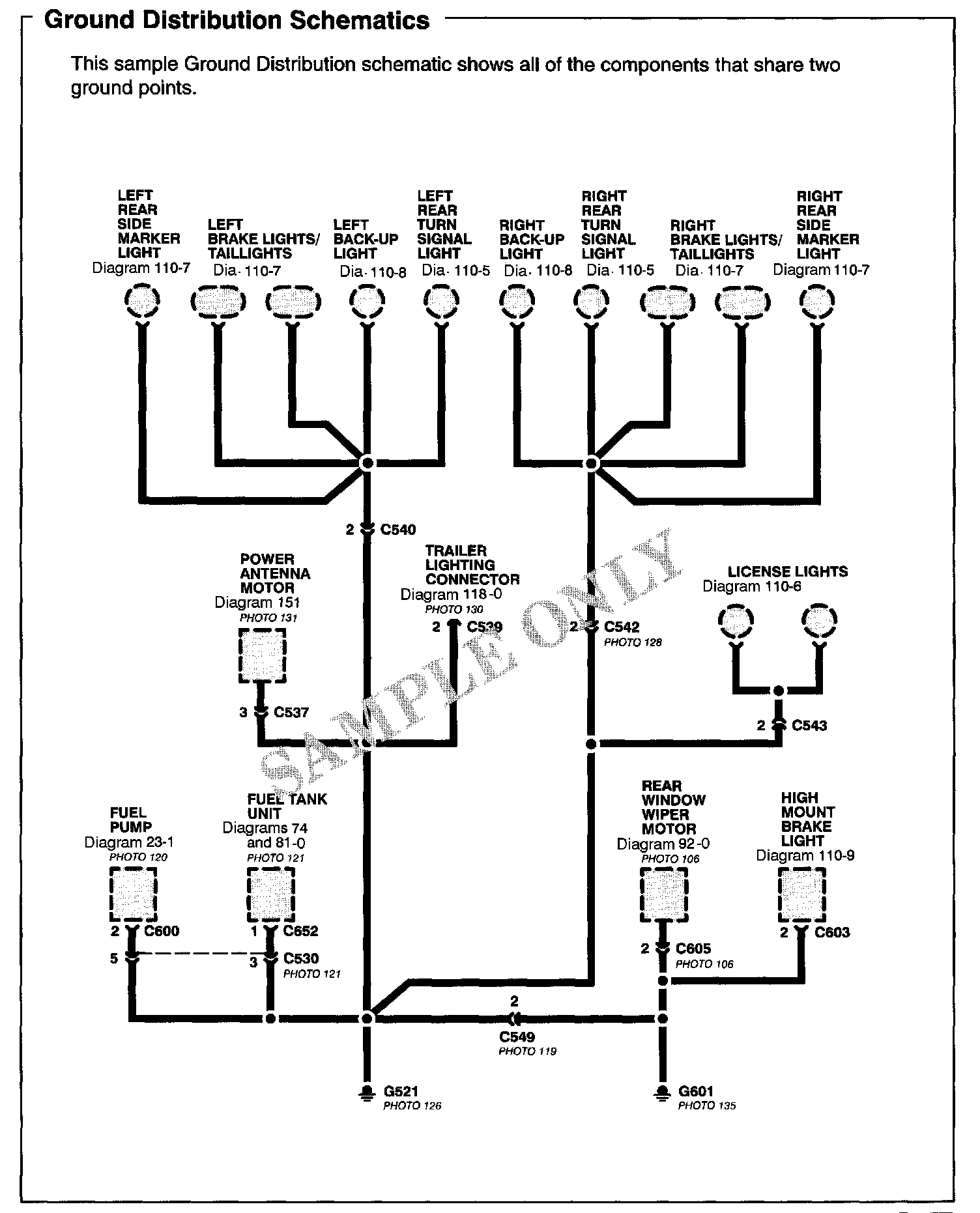
Ground Distribution Schematics
Ground Distribution Schematics
Ground Distribution Schematics:
This sample Ground Distribution schematic shows all of the components that share two ground points.