Curiosii for ever!
: Car repair manuals for everyone.
Home
>>
Acura
>>
1999
>>
Integra GS-R Sedan L4-1797cc 1.8L DOHC (VTEC) MFI
>>
Repair and Diagnosis
>>
Specifications
>>
Mechanical Specifications
>>
Engine
>>
Timing Components
>>
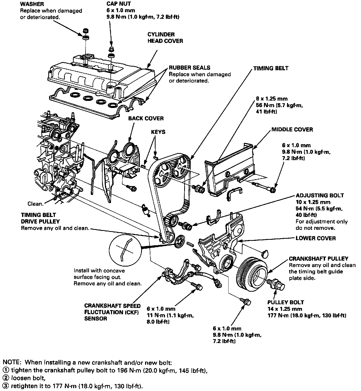
System Specifications
System Specifications
Timing Components: