Curiosii for ever!
: Car repair manuals for everyone.
Home
>>
Acura
>>
1999
>>
CL L4-2254cc 2.3L SOHC (VTEC) MFI
>>
Repair and Diagnosis
>>
Specifications
>>
Mechanical Specifications
>>
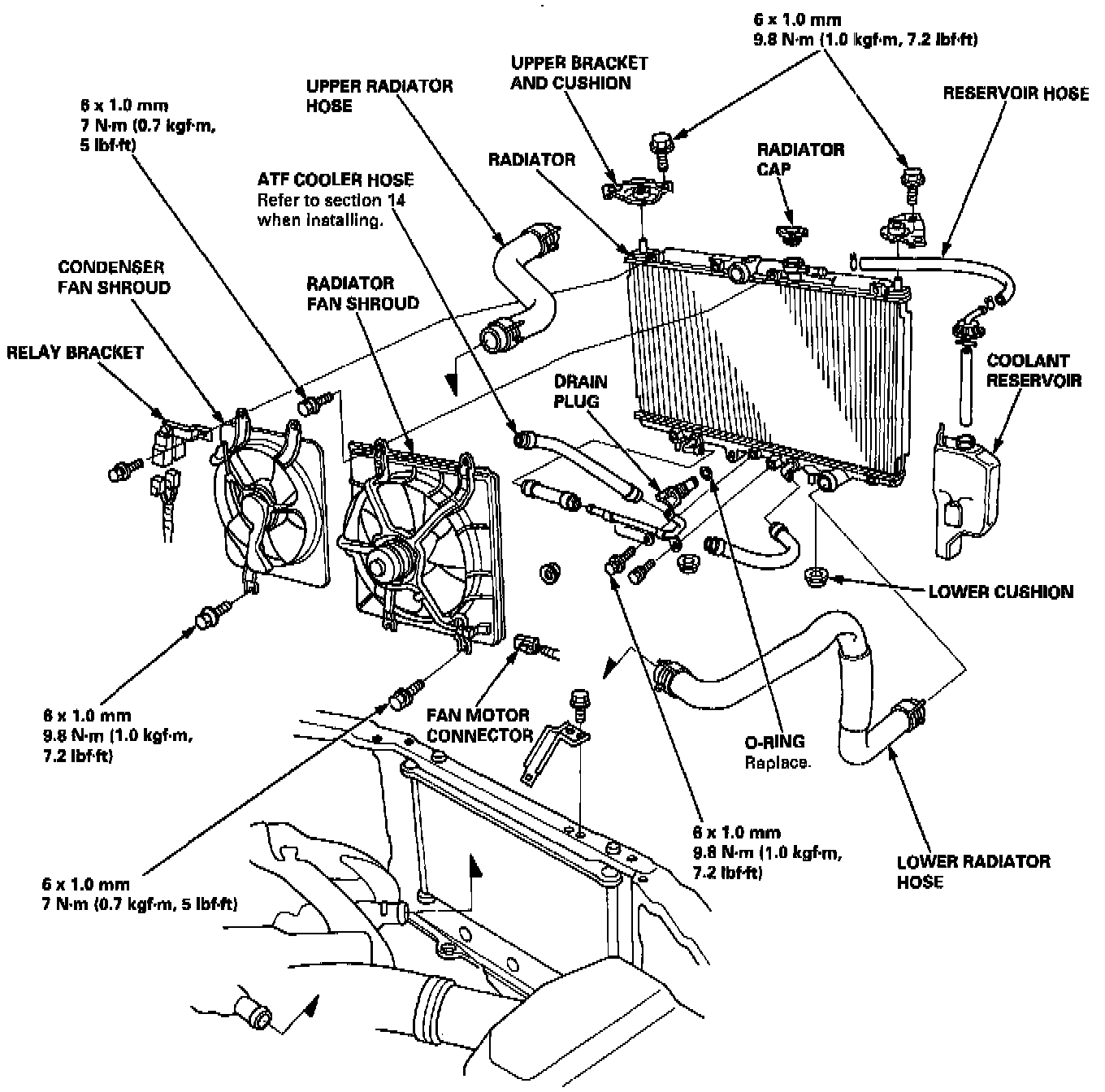
Radiator
Radiator