Curiosii for ever!
: Car repair manuals for everyone.
Home
>>
Acura
>>
1998
>>
RL V6-3474cc 3.5L
>>
Repair and Diagnosis
>>
Diagrams
>>
Exploded Views
>>
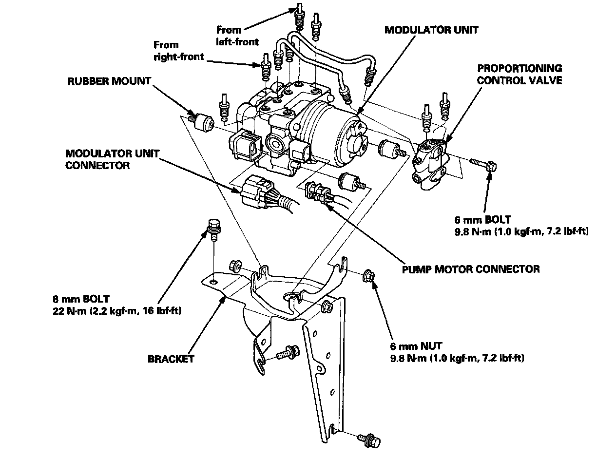
Hydraulic Control Assembly - Antilock Brakes
Hydraulic Control Assembly - Antilock Brakes