Curiosii for ever!
: Car repair manuals for everyone.
Home
>>
Acura
>>
1998
>>
CL V6-3.0L SOHC (VTEC)
>>
Repair and Diagnosis
>>
Powertrain Management
>>
Transmission Control Systems
>>
Diagrams
>>
Electrical Diagrams
>>
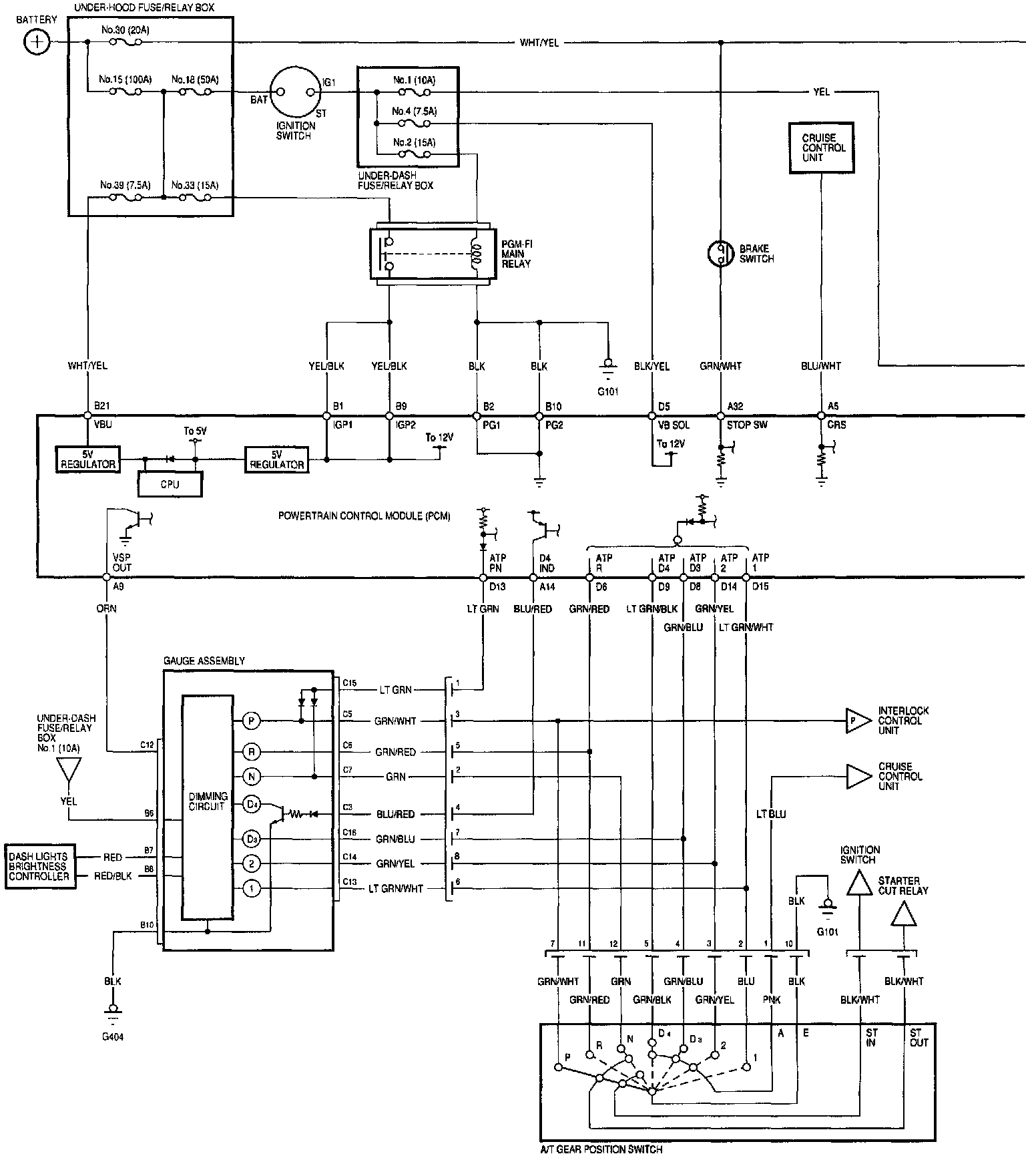
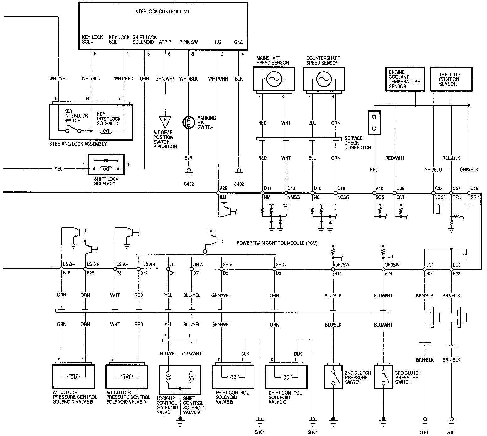
Automatic Transmission Controls
>>
Electrical Schematics
Electrical Schematics