Curiosii for ever!: Car repair manuals for everyone.

Electronic Control System

ELECTRONIC CONTROL



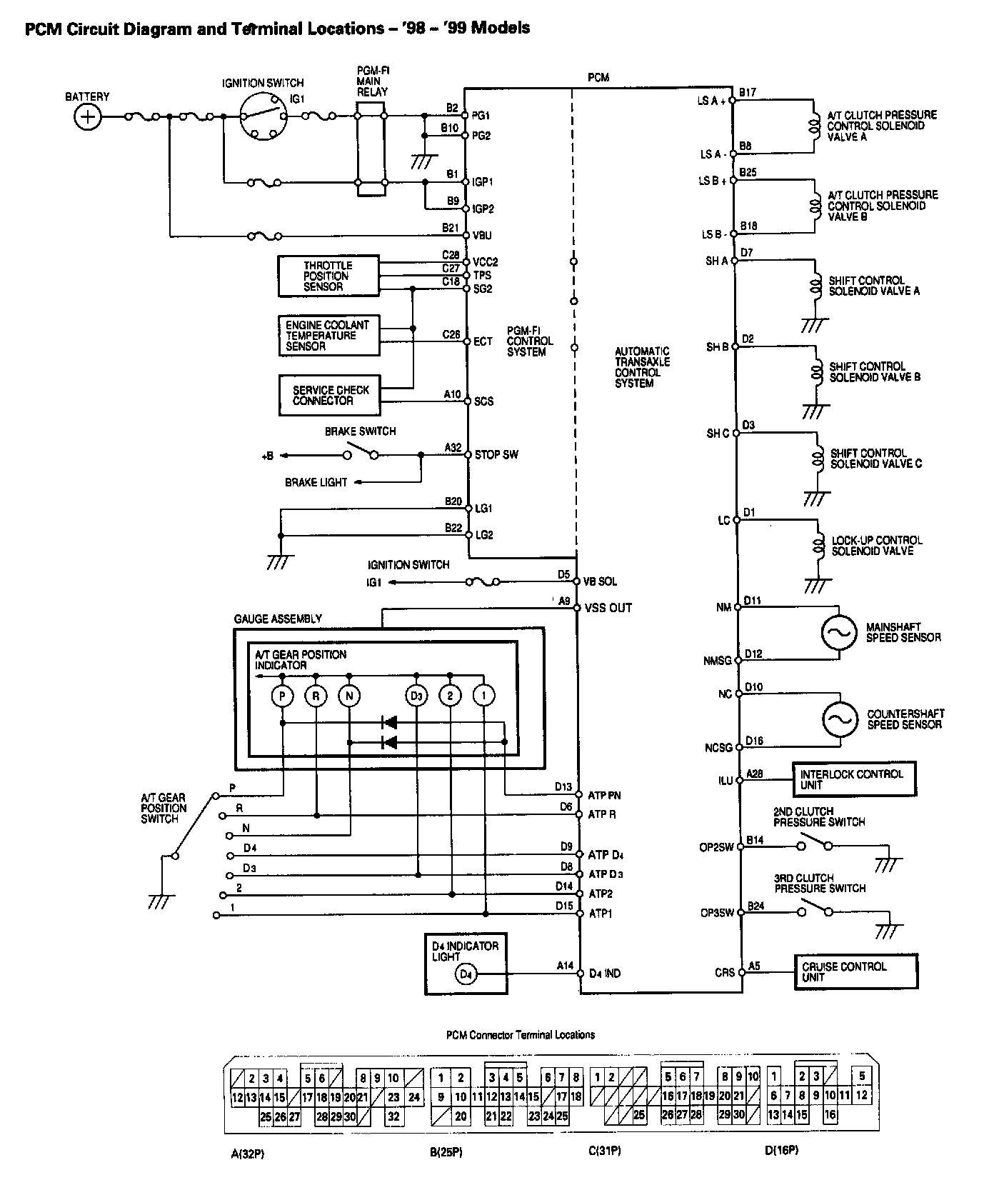
The electronic control system consists of the Powertrain Control Module (PCM), sensors, and six solenoid valves. Shifting and lock-up are electronically controlled for comfortable driving under all conditions. The PCM is located below the dashboard, under the front lower panel on the passenger's side.

SHIFT CONTROL



Shifting is related to engine torque through the solenoid valves, which are controlled by the Powertrain Control Module (PCM). The PCM instantly determines which gear should be selected, by various signals sent from sensors, and actuates the shift control solenoid valves A, B, and C to control shifting. Also, a Grade Logic Control System has been adopted to control shifting in [D4] position while the vehicle is ascending or descending a slope, or reducing speed.
The combination of driving signals to shift control solenoid valves A, B, and C is shown in the table.

LOCK-UP CONTROL
The lock-up control solenoid valve controls modulator pressure to switch the lock-up shift valve and lock-up on and off. The Powertrain Control Module (PCM) controls the lock-up control solenoid valve and the Automatic Transaxle (A/T) Clutch Pressure Control (CPC) solenoid valves A and B. When the lock-up control solenoid valve is turned on, the condition of lock-up starts. The A/T CPC solenoid valves A and B regulate A/T CPC solenoid pressure, and apply the pressure to the lock-up control valve and the lock-up timing valve. The lock-up control mechanism operates in 3rd, and 4th gear in [D4] and in 3rd gear in [D3] positions.


GRADE LOGIC CONTROL SYSTEM - '98 - '99 MODEL





How it works:
The Powertrain Control Module (PCM) compares actual driving conditions with memorized driving conditions, based on the input from the countershaft speed sensor, the throttle position sensor, the engine coolant temperature sensor, the brake switch signal, and the shift lever position signal, to control shifting while the vehicle is ascending or descending a slope, or reducing speed.

Ascending Control



When the Powertrain Control Module (PCM) determines that the vehicle is climbing a hill in [D4] position, the system extends the engagement area of 3rd gear to prevent the transmission from frequently shifting between 3rd and 4th gears, so the vehicle can run smooth and have more power when needed.

NOTE:
- Shift schedules stored in the PCM between 3rd and 4th gears, enable the PCM's fuzzy logic to automatically select the most suitable gear according to the magnitude of a gradient.
- Fuzzy logic is a form of artificial intelligence that lets computers respond to changing conditions much like a human mind would.

Descending Control



When the Powertrain Control Module (PCM) determines that the vehicle is going down a hill in [D4] position, the shift-up speed from 3rd to 4th gear (when the throttle is closed) becomes faster than the set speed for flat road driving to widen the 3rd gear driving area. This, in combination with engine braking from the deceleration lock-up, achieves smooth driving when the vehicle is descending. There are two descending modes with different 3rd gear driving areas according to the magnitude of a gradient stored in the PCM. When the vehicle is in 4th gear, and you are decelerating when you are applying the brakes on a steep hill, the transmission will downshift to 3rd gear. When you accelerate, the transmission will then return to higher gear.

Deceleration Control
When the vehicle goes around a corner, and needs to decelerate first and then accelerate, the Powertrain Control Module (PCM) sets the data for deceleration control to reduce the number of times the transmission shifts. When the vehicle is decelerating from speeds above 24 mph (38 km/h), the PCM shifts the transmission from 4th to 2nd earlier than normal to cope with upcoming acceleration.


POWERTRAIN CONTROL MODULE (PCM) CIRCUIT DIAGRAM AND TERMINAL LOCATIONS