Curiosii for ever!
: Car repair manuals for everyone.
Home
>>
Acura
>>
1998
>>
CL V6-3.0L SOHC (VTEC)
>>
Repair and Diagnosis
>>
Diagrams
>>
Electrical Diagrams
>>
Antitheft and Alarm Systems
>>
System Diagram
>>
Schematics
>>
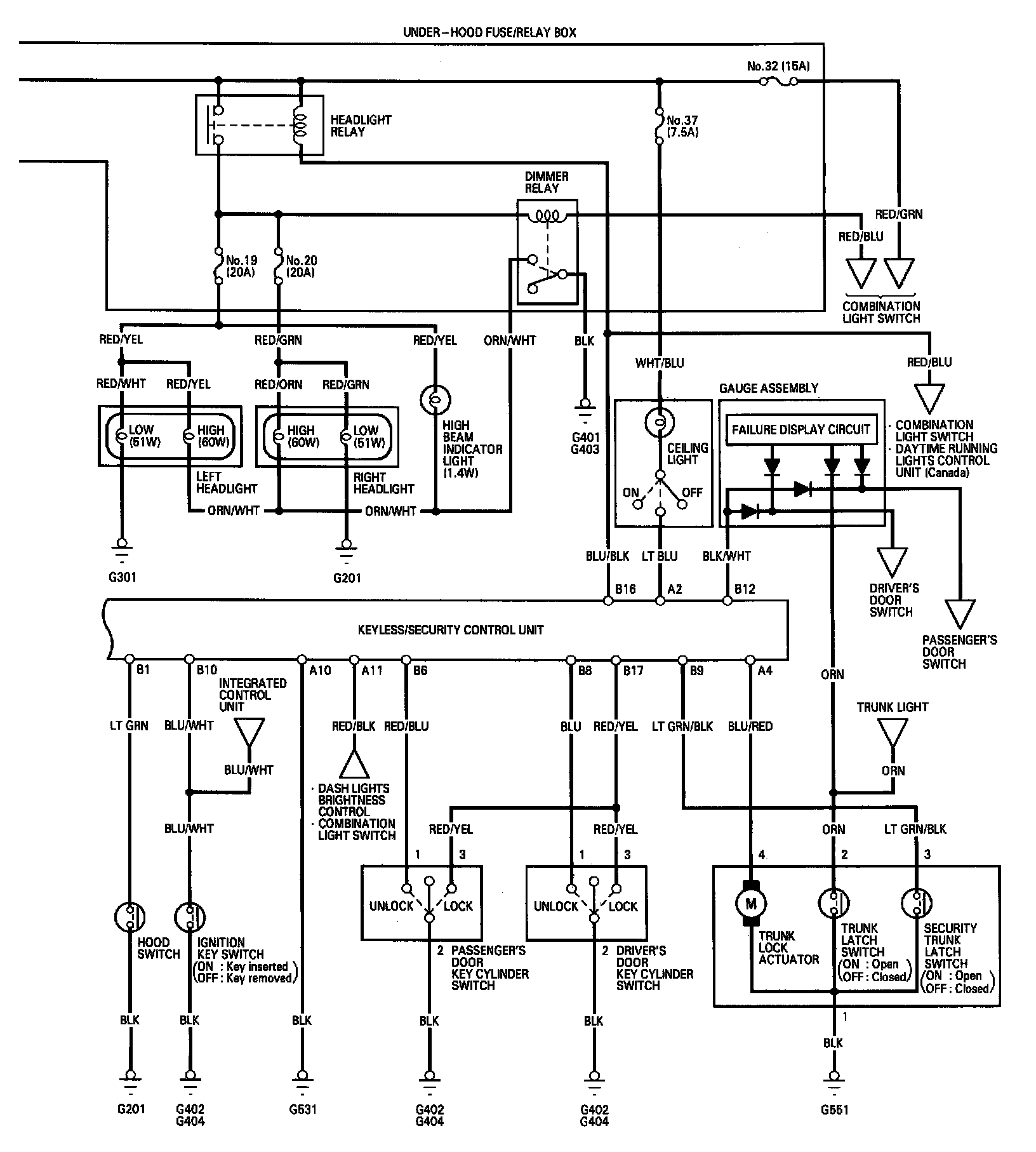
Keyless Entry/Security Alarm System
Keyless Entry/Security Alarm System