Curiosii for ever!
: Car repair manuals for everyone.
Home
>>
Acura
>>
1997
>>
Integra GS-R Sedan L4-1797cc 1.8L DOHC (VTEC) MFI
>>
Repair and Diagnosis
>>
Specifications
>>
Mechanical Specifications
>>
Engine
>>
Cylinder Block Assembly
>>
System Specifications
>>
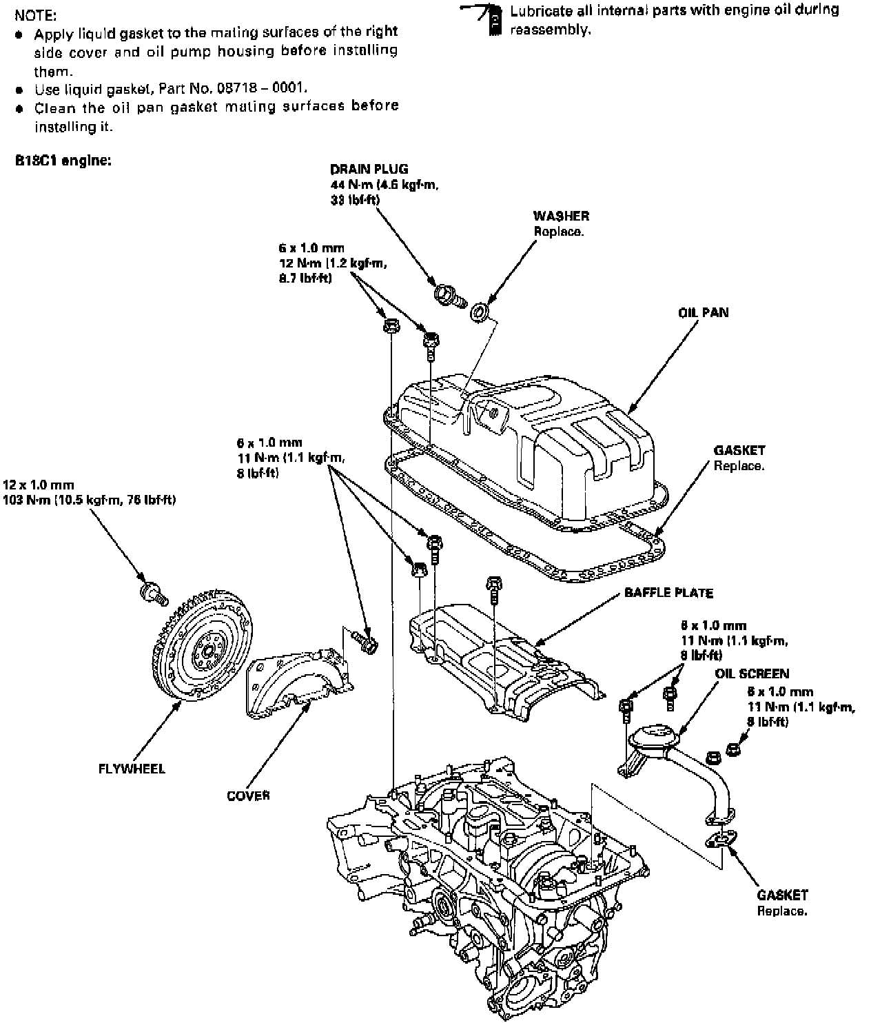
Torque Specifications
Torque Specifications
Water Pump:
Timing Components:
Lower Engine:
Main Bearing Torque/Sequence:
Engine Lubrication:
Flywheel (M/T) Torque:
Drive Plate (A/T) Torque/Sequence: