Curiosii for ever!
: Car repair manuals for everyone.
Home
>>
Acura
>>
1997
>>
Integra GS-R Sedan L4-1797cc 1.8L DOHC (VTEC) MFI
>>
Repair and Diagnosis
>>
Powertrain Management
>>
Relays and Modules - Powertrain Management
>>
Relays and Modules - Computers and Control Systems
>>
Engine Control Module
>>
Diagrams
>>
Diagram Information and Instructions
>>
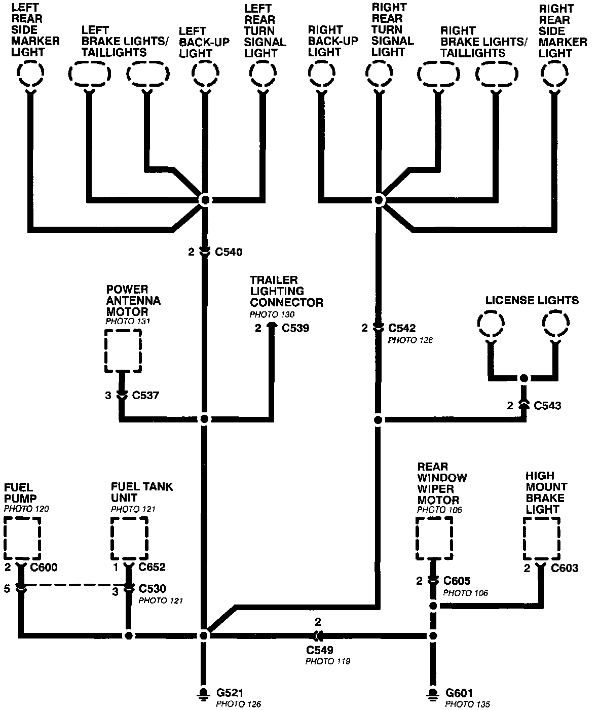
Ground Distribution Schematics
Ground Distribution Schematics
Ground Distribution Schematics:
This sample Ground Distribution schematic shows all of the components that share two ground points.