Curiosii for ever!
: Car repair manuals for everyone.
Home
>>
Acura
>>
1997
>>
Integra GS-R Sedan L4-1797cc 1.8L DOHC (VTEC) MFI
>>
Repair and Diagnosis
>>
Diagrams
>>
Exploded Views
>>
Cooling System
>>
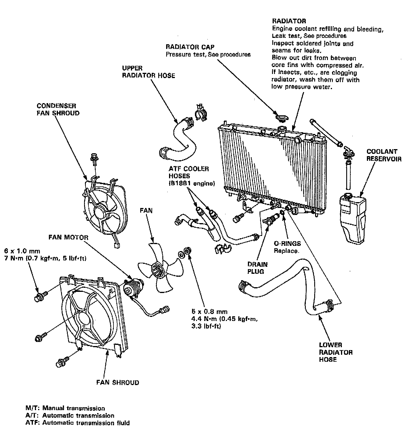
System Diagram
System Diagram