Curiosii for ever!
: Car repair manuals for everyone.
Home
>>
Acura
>>
1994
>>
Integra (GS-R) L4-1797cc 1.8L DOHC (VTEC)
>>
Repair and Diagnosis
>>
Starting and Charging
>>
Starting System
>>
Diagrams
>>
Electrical Diagrams
>>
Automatic Transmission
Automatic Transmission
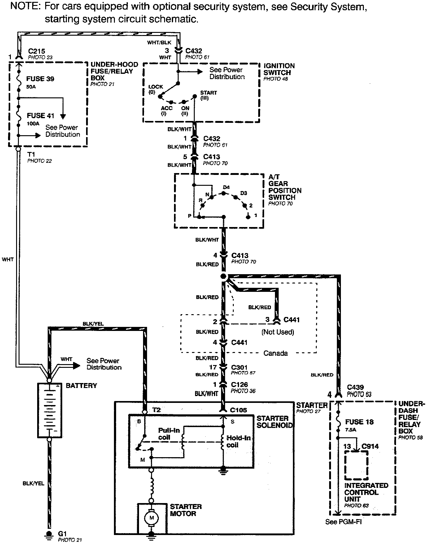
Starting System- Automatic Transmission: