Curiosii for ever!
: Car repair manuals for everyone.
Home
>>
Acura
>>
1994
>>
Integra (GS-R) L4-1797cc 1.8L DOHC (VTEC)
>>
Repair and Diagnosis
>>
Diagrams
>>
Electrical Diagrams
>>
Powertrain Management
>>
Computers and Control Systems
>>
System Diagram
System Diagram
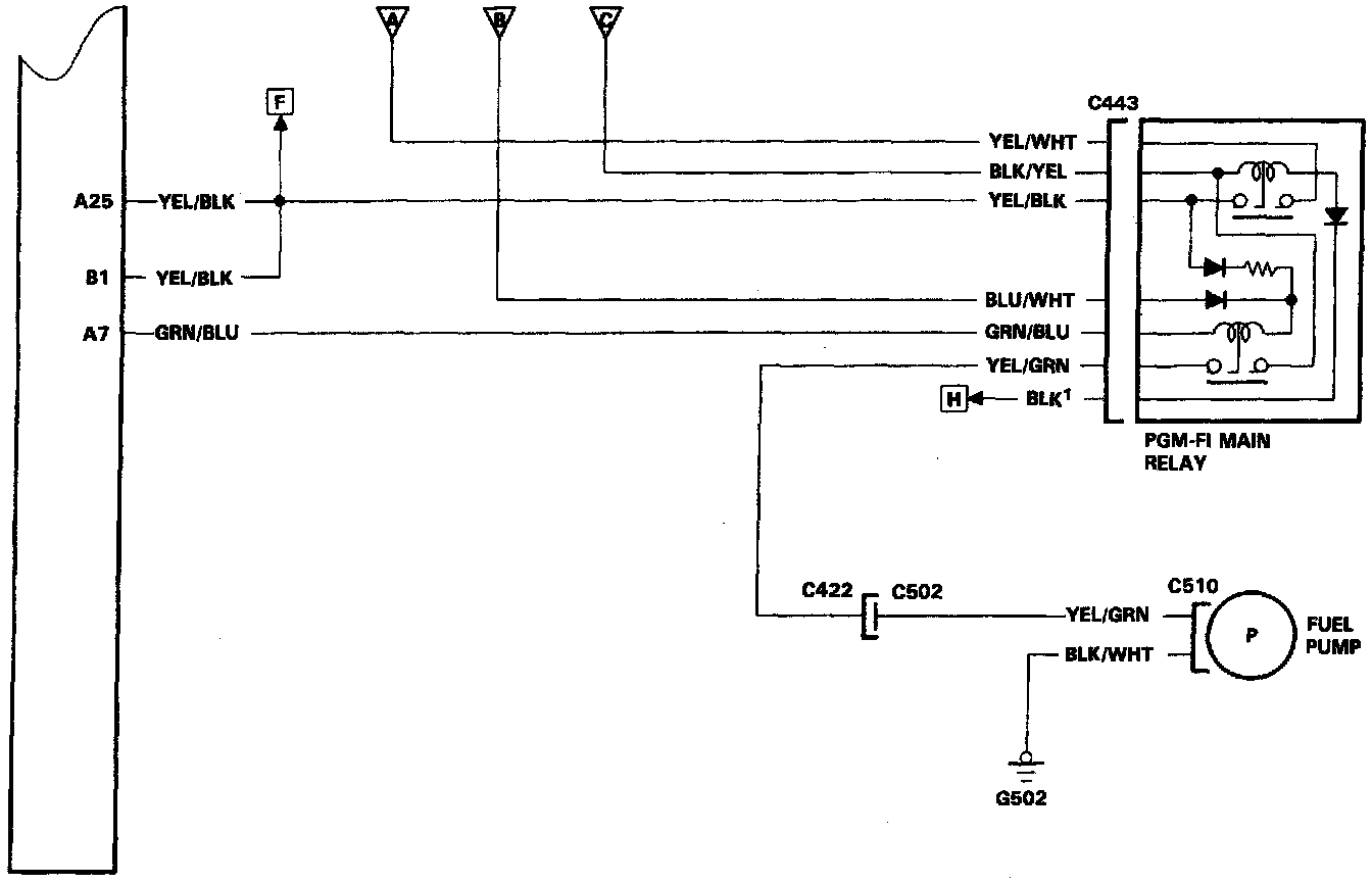
ECM Wiring Diagram (1 Of 6):
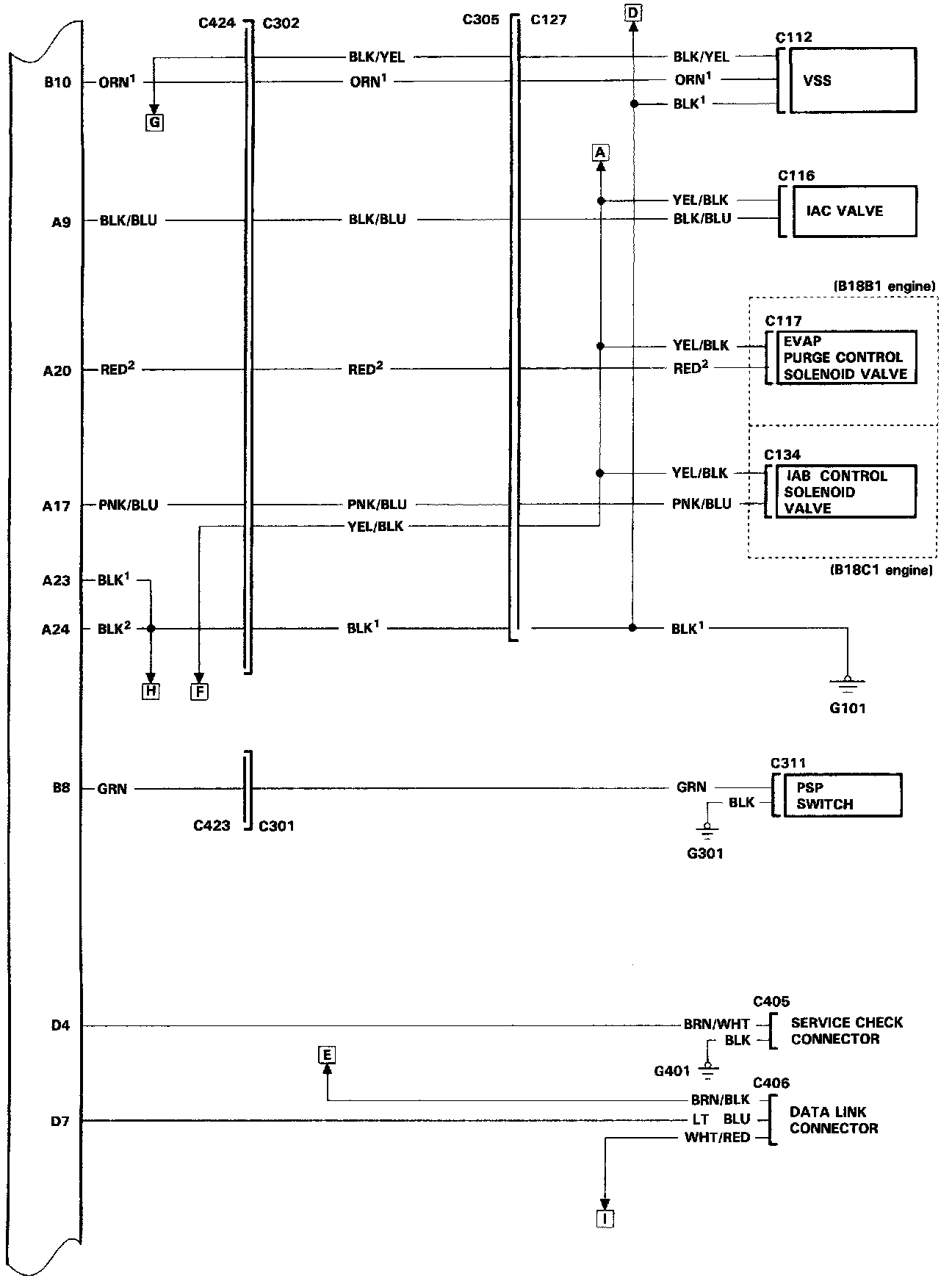
ECM Wiring Diagram (2 Of 6):
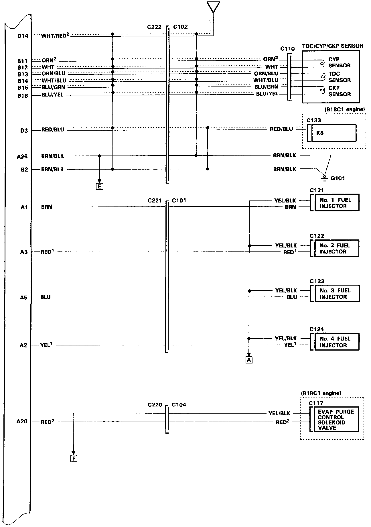
ECM Wiring Diagram (3 Of 6):
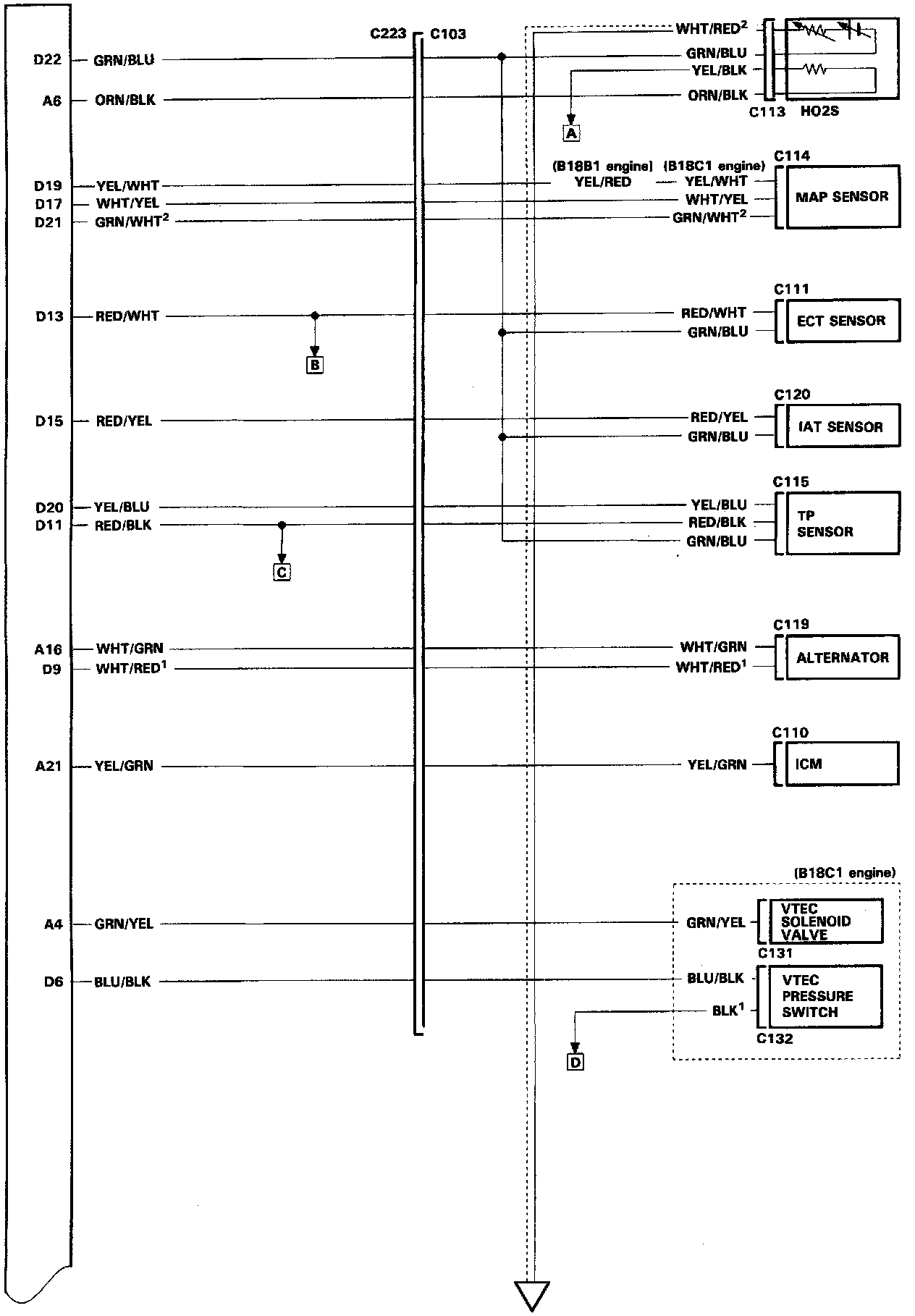
ECM Wiring Diagram (4 Of 6):
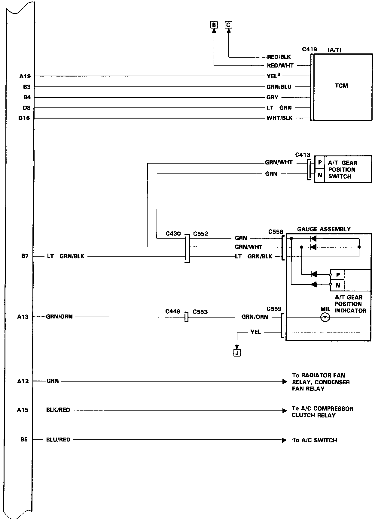
ECM Wiring Diagram (5 Of 6):
ECM Wiring Diagram (6 Of 6):