Curiosii for ever!: Car repair manuals for everyone.

M/T Torque Data

J4A4 5-spd M/T, Clutch Assembly Torque:



J4A4 5-spd M/T, Clutch Pedal:



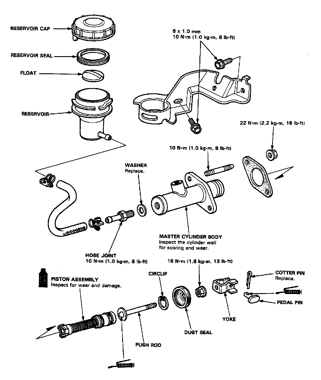
J4A4 5-spd M/T, Clutch Master Cylinder Assembly:



J4A4 5-spd M/T, Slave Cylinder Assembly:



J4A4 5-spd M/T, Clutch Master Cylinder (Canada Version):



J4A4 5-spd M/T, Clutch Master Cylinder (Canada) Cont.:



J4A4 5-spd M/T, Slave Cylinder (Canada):



J4A4 5-spd M/T, Mid Plate Guide:



J4A4 5-spd M/T, Flywheel Torque & Sequence:



J4A4 5-spd M/T, Dual Disc Pressure Plate Torque & Sequence:



J4A4 5-spd M/T, Gearshift Mechanism:



J4A4 5-spd M/T, Transmission Assembly 1 Of 2:



J4A4 5-spd M/T, Transmission Assembly 2 Of 2:



J4A4 5-spd M/T, Oil Pump Assembly:



J4A4 5-spd M/T, Countershaft Bearing (Clutch Housing):



J4A4 5-spd M/T, Mainshaft Oil Seal (Clutch Housing):



J4A4 5-spd M/T, Shift & Select Lever/Spring Plate Shift Detent:



J4A4 5-spd M/T, Reverse Shift Arm:



J4A4 5-spd M/T, Transmission Housing Torque & Sequence/Upper Cover:



J4A4 5-spd M/T, Transmission Assembly Mounting:



J4A4 5-spd M/T, Shift Cables & Lower Cover:



J4A4 5-spd M/T, Transmission Housing Mounting: