Curiosii for ever!
: Car repair manuals for everyone.
Home
>>
Acura
>>
1993
>>
NSX V6-3.0L DOHC
>>
Repair and Diagnosis
>>
Specifications
>>
Mechanical Specifications
>>
Engine
>>
Cylinder Head Assembly
>>
System Specifications
System Specifications
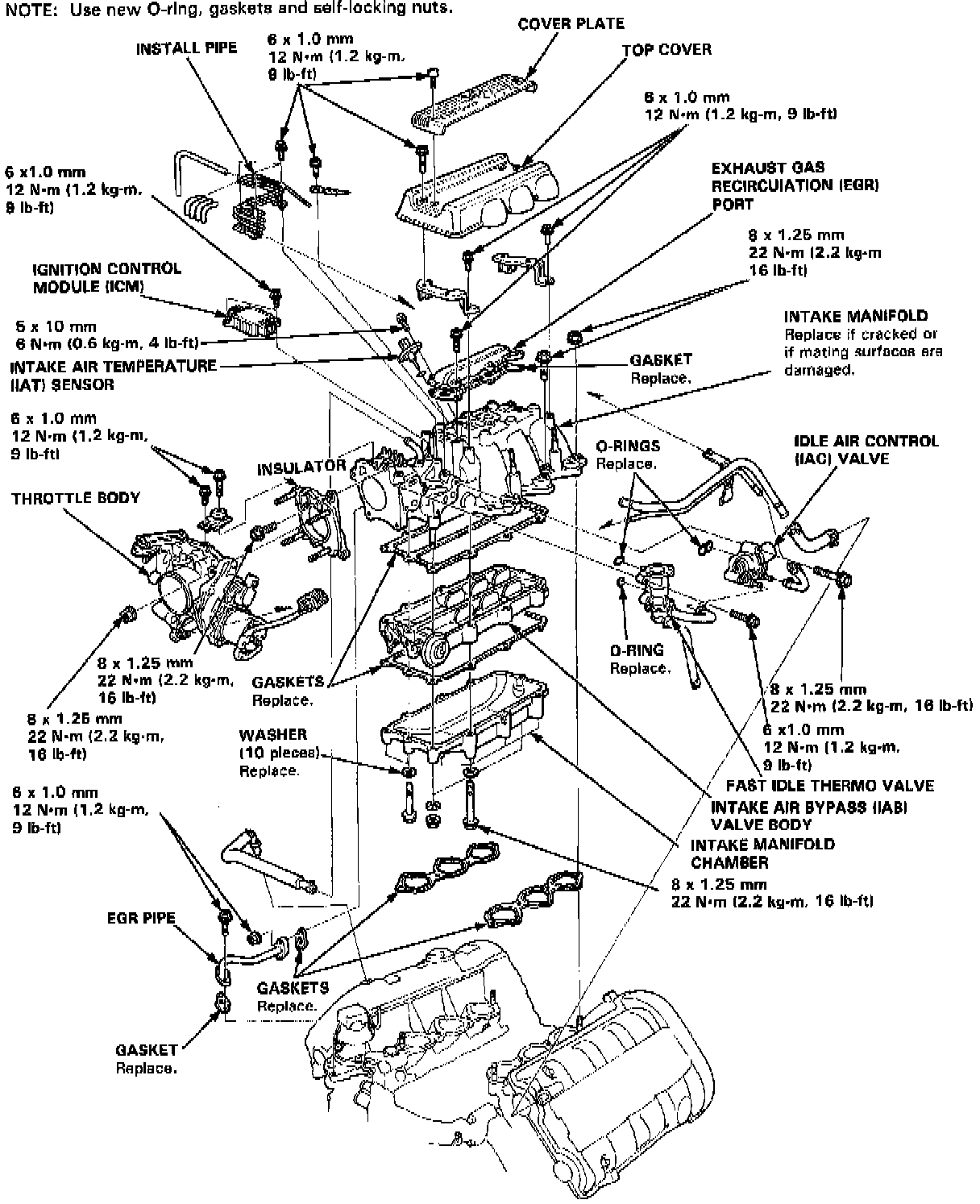
Intake:
Exhaust Manifold:
Upper Engine:
Cam Holder Torque/Sequence:
Head Bolt Torque/Sequence:
Tighten cylinder head bolts sequentially in two or three steps to
78 N.m (7.8 kg-m, 56 ft.lb)