Curiosii for ever!
: Car repair manuals for everyone.
Home
>>
Acura
>>
1992
>>
NSX V6-3.0L DOHC
>>
Repair and Diagnosis
>>
Diagrams
>>
Exploded Views
>>
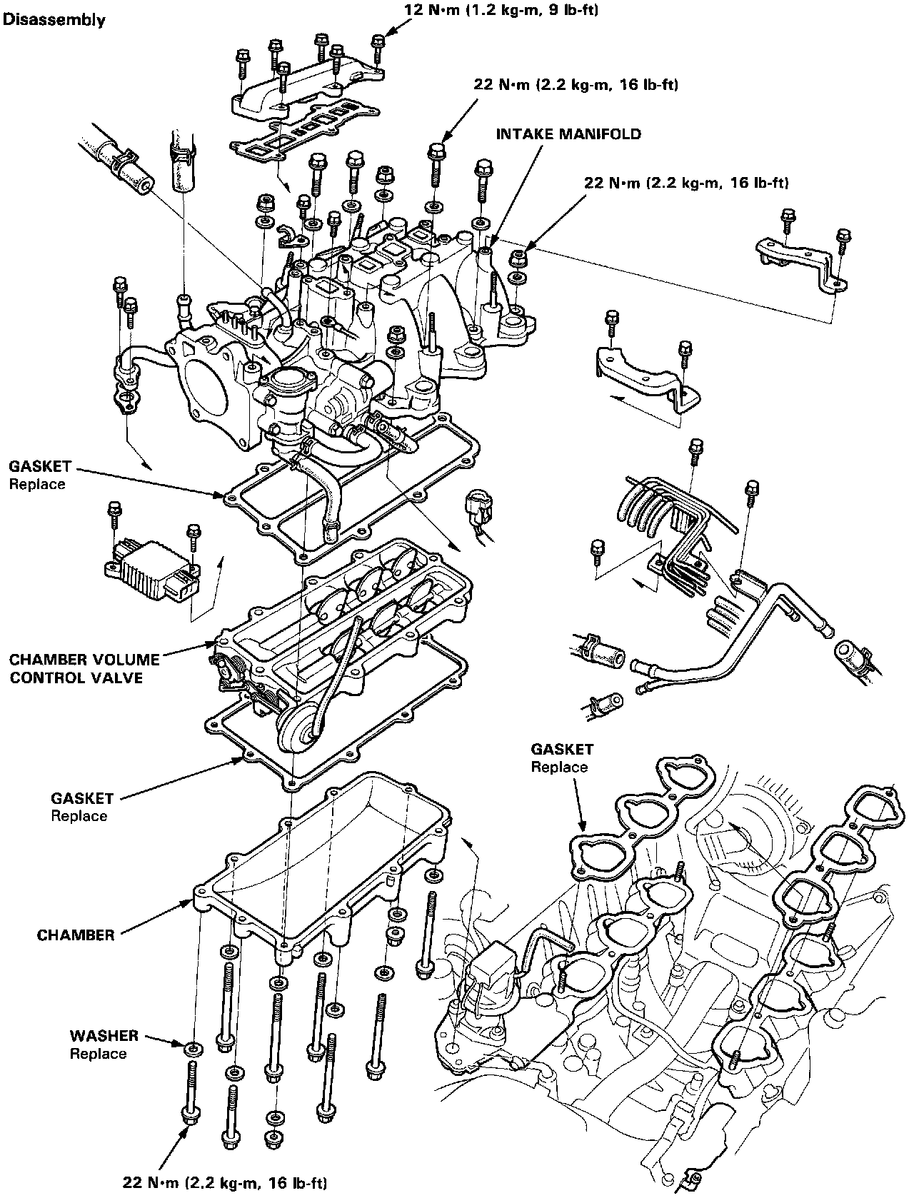
Variable Induction System
Variable Induction System